絶縁型データ伝送および電力変換の表面実装パッケージへの組み込み
電気的な絶縁はさまざまな産業で使用されますが、人命にかかわる可能性がある電圧に対して安全性を確保するために使用されるのが最も一般的です。また絶縁は、ノイズの影響とグランド・ループによって生じる同相電圧の差の影響を取り除くため、または異なる動作電圧間のレベル・シフタとしても使用されます。通常、絶縁システムを構築するには、絶縁するための部品自体に加えて、一次側/二次側の両側にいくつかの受動部品と能動部品が必要です。これらの絶縁部品としては、光学、磁気、容量性、RFなどが使われますが、GMR(巨大磁気抵抗)の場合もあります。
絶縁部品は使いこなすのが難しいことがよく知られており、絶縁システムの設計にはかなりの時間とコストを必要とします。この点を念頭に置いて、リニアテクノロジーは、複雑な絶縁部品を必要とせず、単に配置するだけで絶縁システムが完成するμModule®アイソレータを開発しました。事実、μModuleアイソレータには外付け部品がまったく必要ありません。
リニアテクノロジーのμModuleアイソレータは、磁気結合技術を使用しており、単一パッケージ内でデータおよび電力の絶縁を実現しています。その結果、優れた電磁界耐性を備えた、低消費電力で使いやすい堅牢なソリューションが完成しました。絶縁型RS485/RS422トランシーバLTM2881およびデュアル絶縁型RS232トランシーバLTM2882は、μModuleアイソレータ技術を使用して、15mm×11.25mm×2.8mmの表面実装パッケージでトランシーバ+電源の総合的ソリューションを実現します。
絶縁型データ伝送
μModuleアイソレータは、誘導結合コイル(つまり空芯型のトランス)を使用することで、絶縁境界を越えてデータを渡します。回路図、及び機構図を図1に示します。専用の集積回路が全チャネル、双方向の送受信を可能にしています。

図1.データ絶縁の電気的および機械的な等価構成
3チャネルのデータはエンコードされ,シリアル変換されて通信します。一方へのデータ通信は他方への通信に影響しません。
3チャネルの入力のうちのいずれかでデータが変化(エッジ検知)するとエンコード処理が始まります。3つのデータ入力は高優先度チャネル1つと低優先度チャネル2つで構成されます。高優先度チャネルの状態が変化すると、低優先度チャネルの状態変化によってすでに開始されていたエンコード処理が高優先度チャネルに移ります。この方式では、高優先度チャネルのデータがジッタなしで出力に送信されることが保証されますが、その結果として、低優先度チャネルには一定量のタイミング不確定性が生じます。高優先度チャネルは、LTM2881ではDI - (Y、Z)間および(A、B) - RO 間に割り当てられ、LTM2882 ではT1IN -T1OUT間およびR1IN - R1OUT 間に割り当てられます。これらの製品の残りのチャネルはすべて低優先度です。エンコード処理は、3つの入力データ状態をすべてサンプリングし、データを一連のパルスとして空芯型の絶縁トランスを越えて送信することにより完了します。
各送信データは差動信号として受信され、エラーがないかチェックされます。その後、デコードされデータとして出力されます。レシーバは中間タップ付きトランスの2次側に接続されます。レシーバ入力での対向する巻線形状によりどの結合信号も相殺されるため、この巻線配置にて同相信号除去性能が得られます。送信データが有効かどうかが誤り検査処理によって判別され、有効でない場合、出力は更新されません。
符号化/ 復号化処理では、約21Mbpsの最小データ・スループット・レートがサポートされます。パケット伝送中に別のエッジが発生すると,新しい取り込み動作が開始し,現在の送信サイクルが終わった時点で完了します。
データは約1MHzの速度で更新されるので、すべてのデータ出力のDC正確性が保証されます。無効なパケットを4 つ連続して受信すると、通信フォルトが生成されます。このフォルト・モードでは、ある特定の出力(例えば、LTM2881 ではRO およびDOUT、LTM2882ではR1OUTおよびR2OUT)を強制的にハイ・インピーダンス状態にします。このフォルト状態は、クリティカルなアプリケーションでは容易に検出されます。
空芯型トランスはμModule基板の内層で形成されます。60μmの最小コイル層間隔は、2層のビスマレイミド・トリアジン(BT)高性能樹脂ベースの積層板により実現されます。
絶縁型電力伝送
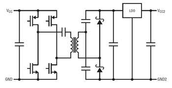
I絶縁電力は、従来の方法で生成されます。パワー・コンバータ全体は、絶縁トランスの1次側にAC結合されたフルブリッジ方形波発振器から成り、トランスの2次側に接続された全波倍電圧器で整流し、後段の低ドロップアウト・リニア・レギュレータ(LDO)によって電圧を安定化します。図2は電力変換段を簡略回路図で示します。

図2.絶縁型電力変換段の簡略図
全体的な電力構成部品配置により、簡単、柔軟で、耐障害性があり、比較的効率的な設計(約65%)を実現できます。ブリッジ電流は、パワー・スイッチとトランスを保護するためにモニタされ、制限されます。1次側と2次側はどちらもAC結合されており、どんな状態でもトランスの飽和を防止します。すべての部品がμModuleパッケージ内に集積されているので、適正な動作を確保するためのデカップリング・コンデンサを外付けする必要はありません。
次に示す2つの入力動作電圧範囲があり、トランスの巻数比によって決まります。それは、3V~3.6V(-3 バージョン)および4.5V~5.5V(-5 バージョン)です。入力電圧レベルは内部で検出され、1次側の電流制限値は-3 の製品バージョンでは約550mAに設定され、-5 の製品バージョンでは約400mAに設定されます。コンバータの出力電力対入力電圧の特性をVCC2 ≥ 4.75Vの場合について図3に示します。

図3.μModuleアイソレータの出力電力能力
1次側の電流制限は、通常の動作条件では作動しません。
Tトランスは、1本の高電圧絶縁巻線を含む環状フェライト・コア、および第2の低電圧絶縁巻線から成ります。高電圧巻線は、補足定格のテフロン絶縁電線を使用し、全絶縁層の厚さが76μmの独立した2つの層で構成されます。トランスはμModule 成型工程中に完全に密閉されるので、保護が補強されます。
絶縁障壁の性能
詳細を前述したように、絶縁障壁はBT基板で絶縁されているデータ・コイルと電源トランス内部のテフロン絶縁巻線という2つの部品で構成されます。絶縁障壁は、最小誘電体耐圧定格が60秒間で2500VRMSになり、連続動作電圧が400VRMSまたは560VPEAK になるよう設計されています。
各種の国際標準規格に採用されている、主な絶縁パラメータを表1に示します。絶縁システムと部品に関連した標準規格、および目的とする関連のトピックを表2に示します。
| パラメータ | 条件 | 最小 | 代表値 | 最大 | 単位 |
| Rated Dielectric Insulation Voltage | 1分 | 2500 | VRMS | ||
| Maximum Working Insulation Voltage | 連続 | 400 560 |
VRMS VPEAK |
||
| Partial Discharge | VPR = 1050VPEAK | 5 | pC | ||
| Common Mode Transient Immunity | 30 | kV/μs | |||
| Input to Output (Insulation) Resistance | VIO = 500V | 109 | 1011 | Ω | |
| Input to Output (Barrier) Capacitance | f = 1MHz | 6 | pF | ||
| External Tracking (Creepage) Distance | L/BGA | 9.53 | mm | ||
| External Air Gap (Clearance) Distance | BGA | 9.53 | mm | ||
| Comparitive Tracking Index (CTI) | 175 | V | |||
| Highest Allowable Overvoltage | t = 10s | 4000 | VPEAK | ||
| Minimum Distance Through Insulation | 0.06 | mm | |||
| Isolation Barrier ESD, HBM | (VCC2, GND2) to GND Isolated I/O to GND |
±10 ±8 |
kV kV |
| 標準規格 | 概要 |
| UL1577 | 安全性、光アイソレータに関する標準規格 |
| IEC 60747-5-2 (VDE 0884-10) | 光電子デバイス、主要な定格および特性 |
| IEC 60664-1 | 低電圧系統内機器の絶縁協調 |
| IEC 60950-1 | 情報技術機器̶安全性 |
| IEC 61010-1 | 測定、制御、試験室用機器̶安全性 |
| IEC 60601-1 | 医用電気機器 |
| IEC 61000-4-2 | 静電放電耐性 |
| IEC 61000-4-3 | 無線周波数電磁界耐性 |
| IEC 61000-4-4 | 電気的ファストトランジェント |
| IEC 61000-4-5 | サージ耐性 |
| IEC 61000-4-8 | 電源周波数磁界耐性 |
| IEC 61000-4-9 | パルス磁界耐性 |
| CISPR 22 | 放射妨害波 - 情報技術装置 |
| IEC 60079-11 | 本質的安全 |
UL1577 は、さまざまな環境条件下で2500VRMSまでの誘電体耐圧電圧があることを検証するための部品レベルの標準規格です。LTM2881およびLTM2882の両デバイスは、100℃までの動作温度でUL規格認定を取得しました。誘電体耐圧は、絶縁障壁のそれぞれの側ですべてのピンを短絡し、±4400V(≈ 2500 • 1.2 • √2)のDCテスト電圧を各極性で1秒間印加することにより、製造時に全数検査されています。
IEC 60747-5-2 はEuropean equivalentcomponent level standardでありシステムの定格動作電圧に応じた電圧を絶縁部に印加し、部分放電(PD)を測定することが求められます。さまざまな環境条件下のテストには、認定だけでなく、製造時の全数検査も必要です。LTM2881とLTM2882はPDについて特性評価が行われており、動作電圧が560VPEAKで、1050VPEAK 時に5pC以下の場合、標準規格の要件を容易に満たします。IEC 60747-5-2 に対する認定は進行中です。
定格の連続動作電圧は、どの標準規格でも明示的に規定されていません。この値は、沿面距離/ 隙間、標準規格内で規定されたテスト要件、さらに動作寿命などのさまざまな環境動作条件に左右されるからです。定格動作電圧での動作寿命は、加速寿命テストのデータから推計されます。LTM2881とLTM2882のテスト結果を図4に示します。データは絶縁破壊の加速試験として一般的に認められているワイブル分布に従います。1 グラフは500VRMSでの最短の寿命が100年より長いことを示しています。

図4.μModuleアイソレータの絶縁寿命
絶縁障壁電圧定格に関連したパラメータには、静電放電(ESD)、サージ耐性、および電気的ファストトランジェントがあります。電気的な絶縁の主な利点のうちの1つは、絶縁障壁が高電圧を阻止する能力を備えているので、トランジェント電圧サプレッサのようなほかの保護デバイスが不要になることです。基本は、障壁がトランジェント事象を認識する方法でシステムを構成することであり、通常はシステムの相互接続を適切に遮蔽することによって達成されます。絶縁障壁は、2500VRMSまたは3500VPEAKの誘電体耐電圧と同等のトランジェント事象に容易に耐えることが可能であり、8kV~10kVの絶縁障壁ESD定格、および高電圧での動作寿命から分るように、短時間でははるかに高い電圧に耐えることができます。
入出力間容量つまり障壁容量は、全体的な性能面の多くに影響を与える重要なパラメータです。一般に、低容量にするほど性能は向上します。この容量は寄生素子であり、データ・コイルとトランスの巻線容量を並列に組み合わせたものです。標準的な容量は1MHz時に6pFであり、このうちデータ・コイルがそれぞれ1.2pFずつを占め、電源トランスが3.6pFを占めます。トランジェント発生時には、1つ以上のESDダイオードまたはボディ・ダイオードが導通してトランジェントのエネルギーを障壁容量に伝達し、またグランドに戻します。障壁コンデンサの容量が小さいほど吸収するトランジェント電圧が大きくなり、動作可能なICで消費されるエネルギーが減少するので、損傷の可能性を最小限に抑えられます。
容量の大きさは同相トランジェント耐性にも影響します。このパラメータは、絶縁障壁を越えるスルーレートの高い信号が存在する状態で適切な機能を維持する部品の能力の評価基準を表します。μModuleアイソレータは、30kV/μsの最小同相トランジェント・レート(代表値50kV/μs)をサポートするので、こうしたトランジェントが発生しても誤りなく動作しつつ、データを送信します。障壁容量は、容量にダイへのスルーレートを乗じた値に等しい電流に置換できます。それは,ノイズまたは寄生デバイスを引き起こし、機能を乱す可能性があることを意味します。同相誤差を発生させるのに必要な極端な条件下で、μModuleアイソレータ製品はラッチアップを示すことはなく、次の通信サイクル中に補正される瞬間的な状態変化だけを示します。
電磁適合性
障壁容量は、システムの電磁適合性、特に放射妨害波における役割も果たします。同相トランジェントは寄生障壁容量を通って電流を注入するように、データと電力の駆動回路によっても電流が注入されます。これらの駆動回路のエッジ・レートは高速で、最終的には絶縁グランド・プレーン(GND2)でトランジェント電圧が生成されます。ほとんどの絶縁プリント回路基板レイアウトでは、入力側(GND)および出力側(GND2)に独立したグランド・プレーンを使用します。このデュアル・グランド・プレーン構造はダイポール・アンテナを形成するので、寄生障壁容量によって生成される同相電圧による放射を引き起こします。
この問題の別の観点は、駆動回路によって電流が寄生容量内で生成されたと考えることです。これらの電流には帰還経路が必要です。電流が並列の寄生コンデンサの一方を介して戻らない場合は、1組のグランド・プレーンによって形成された容量か、相互接続線とグランドの間に潜在的に形成される容量を介して戻ります。放射妨害波は、適正に軽減しないとかなり高くなる可能性があります。最も効果的な手法は、目的の周波数で低インピーダンスの帰還経路(すなわち、絶縁グランド・プレーン間の付加コンデンサまたはブリッジ・コンデンサ)を設けることです。
絶縁μModule技術で使用されている構造と絶縁技法自体では、CISPR 22のクラスB制限値を超える電力を十分に放射するには不足しています。データ・コイルは本質的に小型のループ・アンテナであり、その放射レベルは、放射電力ループ・アンテナの式(1)を解くことによって予測できます。図5は、コイル電流スペクトラムのシミュレーション・データのほかに実際の測定データを使用してこの式の結果を示しますが、実測データには絶縁電力部品の影響も含まれます。

If = 該当周波数での電流
rn = n 番目のコイルの半径(m)
N = 全巻数
λ = 該当周波数での波長

図5.全放射妨害波の予想値と実測値
ここで示すように、CISPR 22と関連するFCCの制限値よりずっと低い放射レベルを示します。
いくつかの技法を使用することにより、放射妨害波が最小になる設計を確実にします。前述したように、最初はブリッジ・コンデンサの使用です。通常は中間層を使用し,入力と絶縁グランド・プレーンをフロート状態の銅プレーンでオーバーラップさせることで構成されます。これによりほぼ理想的なコンデンサが得られ、絶縁耐圧を支える2つの絶縁障壁が形成されます。この技法をディスクリート・コンデンサと組み合わせることで、300MHz未満の放射をさらに低減できます。300MHz以上の周波数では、この組み合わせの有効性は寄生インダクタンスによって制限されます。推奨のディスクリート・コンデンサは、2個直列に接続して安全基準要件を満たす、AC安全定格のY2タイプです。村田製作所のY2コンデンサのタイプGFシリーズがこの要件を満たします。
そのほかのEMI軽減技法は次のとおりです。
- 絶縁グランド・プレーンのサイズを最小限に抑える。
- すべての信号トレースおよび電力トレースに密結合の帰還経路を確保して、これらの局在ループによって生成される放射を最小限に抑える。イメージ電流は多くの場合、同じ経路を辿ることができないので、信号が層間を遷移しないようにしてください。
- 低ESLのデカップリング・コンデンサと高インピーダンスのデカップリング・コンデンサを組み合わせて大電流の電源レールに追加し、伝導ノイズおよび寄生リンギングが放射ノイズにならないようにする。
- すべての基板外相互接続にフィルタリングを使用する。これを行うには、多くの場合、フェライト・ベースのチップ・ビーズと同相フィルタを使用します。フィルタ部品が関連のデータ・ライン上の信号の完全性を損なわないように注意する必要があります。フィルタリングにより、無線周波数信号に対する高インピーダンスのブロックが得られます。分路容量を使用して、低インピーダンスの帰還経路をデバイス付近に設けることもできます。
- 動作電源電圧を低くするか、低入力電圧バージョン(-3)のデバイスを使用する。
- LTM2881およびLTM2882デモ・ボードの低EMI 版(それぞれDC1746AおよびDC1747A)を入手可能であり、これらの技法の多くを活用しています。
電磁環境耐性
重ね合せの原理により、非効率の放射器は非効率なレシーバでもあります。LTM2881とLTM2882は、無線周波数および磁界耐性に対して独立して評価されています。表3は、該当する試験基準と合格電界強度レベルをまとめたものです。
| 試験 | 周波数 | 電界/ 磁界強度 |
| IEC 61000-4-3 Annex D |
80MHz–1GHz | 10V/m |
| 1.4MHz–2GHz | 3V/m | |
| 2GHz–2.7GHz | 1V/m | |
| IEC 61000-4-8 Level 4 | 50Hz and 60Hz | 30A/m |
| IEC 61000-4-8 Level 5 | 60Hz | 100A/m(IEC以外の方法) |
| IEC 61000-4-9 Level 5 | Pulse | 1000A/m |
ただし、テスト要件に合格しても、システムの真の耐性レベルが十分に分るわけではありません。データ通信で問題が生じるのに必要な外部磁界は、式(2)で計算できます。ここで、Vはレシーバの差動しきい値電圧を表します。中間タップ付きの受信コイルは、対向する巻線により、外部RF、外部磁界、または同相信号を高いレベルで除去します。データ・コイルは完全には対称ではないので、多少の差動電圧が発生し、中間タップ付きコイルの巻線間領域での正味の差で表されます。レシーバのしきい値を基準とした最大の外部磁界を、同相電圧の相殺を考慮に入れて、図6のグラフに示します。

β = 磁束密度(ガウス)
N = 受信コイルの巻数
rn = n 番目のコイルの半径(cm)

図6.磁界耐性
もう1 つの方法として、ある程度離れた線を流れる交流による磁界を計算することができます。図6では、このデバイスからの距離が5mm、100mm、1mの場合についてもこの結果を示しています。例えば、レシーバでのデータ伝送で問題が発生するためには、1MHzの動作周波数で1000Aの電流を5mm離れたところに流すことが必要です。
安全基準
沿面距離、隙間、トラッキング・インデックス、および絶縁障壁間の最小距離は、部品の適切なアプリケーションを調べるために、各種の機器レベル標準規格および絶縁協調標準規格で使用される安全関連のパラメータです。
IEC60664-1は、特に絶縁システムを扱っており、IEC 60950-1、IEC 61010-1、およびIEC60601-1 に対する参照標準規格です。これらの標準規格は、装置の設置の種類や動作環境に基づいて、必要な沿面距離や隙間などを規定しています。以下の用語および定義は、さまざまな標準規格の至るところで使用されます。
- 基礎絶縁:感電を防ぐ基本的な保護のための絶縁。
- 付加絶縁:基礎絶縁に障害が発生した場合に感電の危険を低減するために基礎絶縁に追加して施される個別の絶縁。
- 二重絶縁:基礎絶縁と付加絶縁の両方で構成される絶縁。
- 強化絶縁:二重絶縁と同等の感電からの保護度を実現する単一の絶縁システム。基礎絶縁や補強絶縁としてテストすることができない複数の層で構成される場合がある。
- 材料群:絶縁部品の相対トラッキング・インデックス指標に基づいた分類、絶縁材料の表面の電気的破壊特性の評価基準。
- 汚染度:微小環境の汚染予想を位置付ける数値。汚染度には1、2、および3がある。汚染のレベルは、絶縁耐力または絶縁の表面抵抗率の低下につながる可能性がある。
- 過電圧分類:一時的な過電圧状態を定義する数値。分類にはI、II、III、およびIVがある。動作分類は、システム内で最も高いRMS動作電圧の関数。
- 沿面距離:2つの導電部分間の固体絶縁材料の表面に沿った最短距離。
- 隙間:2つの導電部分間にある空中での最短距離。
μModule アイソレータに当てはまるIEC 60664-1および関連規格をすべて解釈することは、この記事の範囲を超えています。とは言うものの、部品のデータシートによく記載されている、μModuleアイソレータに関する主要パラメータのいくつかを、表4にまとめてあります。LTM2881モジュールとLTM2882モジュールの沿面距離および隙間距離がすべての絶縁分類、汚染度、過電圧分類、および材料群の定格動作電圧の要件を大幅に上回っていることは注目に値します。基礎絶縁レベルで分類された部品の場合、絶縁の間の距離の最小値はありません。補強絶縁システムおよび強化絶縁システムでは、400μmの距離が必要になるか、部分放電または誘電体耐圧(あるいはその両方)の型式(条件付きサンプル)テスト要件および定型(量産)テスト要件を満たす必要があります。μModuleアイソレータは、定格動作電圧では基礎絶縁システムとみなされます。
| パラメータ | 条件 | 仕様 |
| Basic Isolation Group | 材料群、175 ≤ CTI < 400 | IIIa |
| 主電源定格電圧 ≤ 150VRMS | I–IV | |
| Installation Class | 主電源定格電圧 ≤ 300VRMS | I–III |
| 主電源定格電圧 ≤ 400VRMS* | I–II |
本質的安全は、爆発性の雰囲気内での装置の保護を対象とする標準規格です。部品の要件はより厳格であり、スパークの発生を防ぐために温度上昇、最大電流および無効成分エネルギー貯蔵に関する制限値が含まれています。LTM2881とLTM2882は、最大60Vのピーク電圧に対しては保護レベル「ic」に適しています。これらの製品は、固体の絶縁体を介した距離を除いては、保護レベル「ia」、「ib」、および「ic」のすべての要件を満たしています。
ESD、EFT、およびサージ
電気的トランジェントは、IEC 61000-4-2(静電気放電耐性)、IEC 61000-4-4(電気的ファストトランジェント)、およびIEC 61000-4-5(サージ耐性)で取り上げられています。これらの各標準規格では、自然界で発生する同様なトランジェント事象で、落雷、導電回路の停電、デバイスの取り扱いなど、現実世界のさまざまな事象を近似するトランジェント事象を扱っています。トランジェント間の差は、ピーク電圧、インパルス持続時間、および繰返し率にあります。非絶縁システムでは、トランジェント事象から保護するため、多くの場合は保護部品の追加が必要です。μModuleアイソレータの適切なアプリケーションにより、絶縁障壁がトランジェントを吸収できるので、保護回路を追加する必要がなくなります。
図7は、適切に構成された試験装置がEFTテストの要件を満たすことを示しています。サージ・テストは、遮蔽体に直接印加した信号によって実施されます。トランジェント(バースト)発生器は、LTM2881の遮蔽されたI/Oラインに容量結合されます。結合デバイスは、標準規格に従って長さ0.5mの2番目の遮蔽体として示されています。バースト発生器の帰還側は、ロジック・サイドのグランドに接続されます。遮蔽体はトランジェント信号を絶縁グランドに伝導し、その後絶縁障壁を越えて発生器の帰還側まで伝導します。寄生インダクタンス(LPAR)は最小限に抑える必要があります。そうしないと、一部のトランジェント信号が信号線に結合し、トランジェント耐性の有効性が低下します。絶縁障壁はテストされており、サージとEFTの両方についてレベル4(4kV)に適合しています。

図7.EFTテスト構成
静電放電テストは、デバイスのピン間で直接行われます。障壁のESDテストはどのロジック・サイドのピンと絶縁サイドのピンの間で行われます。LTM2881およびLTM2882のロジック・サイドのI/Oピンと絶縁サイドのI/Oピンの間のESD定格は±8kV(人体モデル:HBM)であり、絶縁サイドの電源ピンVCC2またはGND2とロジック・サイドの電源ピンVCC、VL、またはGNDとの間のESD定格は、±10kV(HBM)、±8kV(IEC)です。
LTM2881とLTM2882
リニアテクノロジーが最初にリリースしたμModuleアイソレータは、LTM2881(RS485/RS422トランシーバ + 電源)と、LTM2882(デュアルRS232トランシーバ + 電源)です。両者とも、優れた同相信号除去性能、高効率の内蔵絶縁電源、低EMIなど、代替ソリューションを上回る明確な特長を持っています。さらに、電源デカップリング・コンデンサを含む外付け部品が不要です。各製品は個別のロジック電源入力を備えており、1.62V~5.5Vの範囲の低電圧システムに対するインタフェースが容易です。
2 つの主電源オプション(3.0V~3.6V および4.5V~5.5V)が用意されており、これらはロジック電源とはまったく無関係です。デバイスは、周囲温度範囲が0°C~70°C、–40°C~85°C、–55°C~105°CのLGAパッケージおよびBGAパッケージで供給されます。
LTM2881は、図8に示すように,選択可能な終端抵抗を内蔵し、250kbpsの低減スルーレート動作モードを備えた20Mbpsのトランシーバです。このデバイスは、絶縁サイドとロジック・サイドの間に中立の絶縁デジタル・チャネルが1つあり、RS485インタフェース・ピンには±15kVの人体モデル(HBM)ESD保護回路が組み込まれています。

図8.LTM2881絶縁型RS485 μModuleトランシーバ
図9に示すLTM2882は、デュアル・チャネルの1Mbpsトランシーバで、絶縁サイドとロジック・サイドの間に中立の絶縁デジタル・チャネルが1つあり、RS232インタフェース・ピンには±10kVの人体モデル(HBM)ESD保護回路が組み込まれています。

図9.LTM2882デュアルRS232 μModuleトランシーバ
まとめ
LTM2881(RS485トランシーバ)およびLTM2882(デュアルRS232トランシーバ)は、リニアテクノロジーのμModuleアイソレータ技術を使用して、堅牢な小型パッケージ・システム内にデータと電源の適切な絶縁機能を兼ね備えています。両デバイスとも、トランジェント同相信号除去性能、磁界耐性、ESD耐圧、トランジェント障壁耐圧、および絶縁寿命に優れていることが特長です。中核となる絶縁技法は、様々なアプリケーションに適用できます。
UL1577 に対する認定は完了しています。部分放電の定型(量産)テスト・サポートを含むIEC 60747-5-2 の認証処理、およびIEC 60950-1と関連してCSA(カナダ)のComponent Acceptance Notice #5Aに対する認証が開始されました。
絶縁用語と関連の安全基準を紹介しているのは、リニアテクノロジーμModuleアイソレータ製品のアプリケーションを全産業にわたって支援するためです。 最高の信頼性および性能を保証するため、絶縁障壁性能(つまり、絶縁寿命、部分放電など)は常に評価されています。
製品の絶縁特性をさらに際立たせるため、このほかにも製品の認定が追加される可能性があります。
注記
1 V.Y.Ushakov, Insulation of High-Voltage Equipment, Springer-Verlag, Berlin (2004)