要約
車載アプリケーション向けの基本的な電源における電源経路を示した標準的なブロック図について検討します。本稿では、その基本的な電源設計にアクティブ電圧リミッタを統合する方法について説明します。電圧リミッタを一体化するメリットも示します。この設計アプローチの例として、いくつかのマキシム製アクティブ電圧リミッタを取り上げます。
はじめに—標準的な車載電源の構成
図1に、車載電源の構成を簡略化して示します。

図1. 車載電源の基本的な概略図は、上の3つのコンポーネントで構成される。
このブロック図には、以下のユニットが含まれています。
- パッシブ保護回路:+12V電源バスの正電圧を制限し、負電圧を遮断します。
- アクティブ保護回路:電圧リミッタとして、パッシブ保護回路と非常に良く似た機能を果たしますが、受動素子の代わりにトランジスタなどの能動素子を使用します。したがって、同じ電気的特性を持つパッシブ構造よりも軽量で小型です。
- スイッチモードまたはリニア電圧レギュレータ:所定の負荷またはマルチチャネル電源における複数の負荷に対して適正な電圧と電流を供給します。
これらのコンポーネントの具体的な技術的仕様は、アプリケーションごとに異なります。アプリケーションによっては、これらの要素の一部が実際に省略されていますが、それらがないことで、電気的特性に全体としてマイナスの影響が生じることになります。事実、上記のユニットの1つがなくなると、技術的な必要条件と設計が複雑になります。
電圧リミッタの電源への一体化
アクティブ電圧リミッタの理論は極めて単純です。デバイスの入力と出力の間にMOSFETがあります。電圧リミッタは、このトランジスタのゲートを制御します。通常の動作条件下では、MOSFETはオン状態で負荷に給電されます。設定されたスレッショルドを電圧が上回ると、電圧リミッタが外付けのMOSFETと負荷をスイッチオフします。
最も基本的な電圧リミッタの内部構造と、標準アプリケーション回路の例を図2に示します。

図2. ブロック図例、外付けMOSFETと72Vの過電圧保護スイッチ/リミッタコントローラ。MAX6495~MAX6499の図は、過電圧モードのデバイスを示す。MAX6495は機能ブロック図の形で示してある。
この基本的な電圧リミッタでは、VINが内部回路に給電します。VINの最大定格電圧は80Vです。OVSETピンの抵抗分圧で、調整可能な過電圧スレッショルドを設定します。内蔵チャージポンプを使用しており低コストなNチャネルMOSFETのゲートに給電することができ、デバイスの価格を抑えています。過電圧スレッショルドの設定に加えて、これらのICは調整不可の低電圧スレッショルドも実装しています。
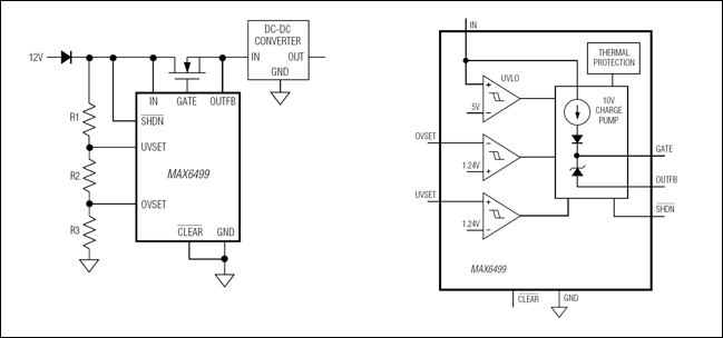
もう1つのアプローチでは、調整可能なスレッショルドを持つウィンドウ電圧リミッタを実装します。図3に、このアプリケーションの例を示します。

図3. MAX6499が過電圧/低電圧ウィンドウ検出器(左)として構成されており、基本的な機能ブロック図の形で示してある(右)。
この場合、電圧リミッタはMOSFETと負荷を低電圧および過電圧状態から保護します。出力電圧範囲を非常に限られた(すなわち狭い)ものにすることが可能で、電圧レギュレータの入力電圧範囲に関する技術的必要条件が軽減されます。結果として、その電圧レギュレータは非常に単純化することが可能で、コストも低くなります。さらに、一部のオーディオアプリケーションでは、高精度な電圧レギュレーションが必要ありません。そうしたアプリケーションの場合、この電圧リミッタの設計によってレギュレータの必要がなくなります。
すでに見たように、分圧器で図2のICの入力電圧を制御します。この分圧器は、図4に示すように電圧リミッタの出力に再接続することもできます。この後者の例では、スイッチオフする代わりに、分圧器で負荷の電圧を制限することになります。パフォーマンスデータから分かるように、電圧制限の過程は断続的です。変動の範囲は負荷容量と負荷電流に依存し、したがって広い範囲にわたって変化します。この断続的な変動には2つの段階が含まれます。第1段階ではMOSFETがアクティブモードにされ、第2段階ではスイッチオフされます。

図4. ここでは過電圧リミット保護スイッチとしてデバイスが構成されている。パフォーマンスデータを示す。CIN = 100µF、COUT = 10µF、ROUT = 100Ω
図4の構成ではMOSFETが周期的にアクティブモードになり、そのMOSFETでの電力消費につながります。そのため、MOSFETのオーバヒートを防ぐための特別な工夫が必要になります。そこでICに、約+160°Cのスレッショルドを持つ温度過昇保護が内蔵されています。この温度を超えると、ICとMOSFETの両方がオフになります。温度が+140°Cまで下がると、ノーマルモードに復帰します。このアプリケーションを実装する場合は、ICをできる限りMOSFETの近くに配置し、良好な熱的接触を確保する必要があります。
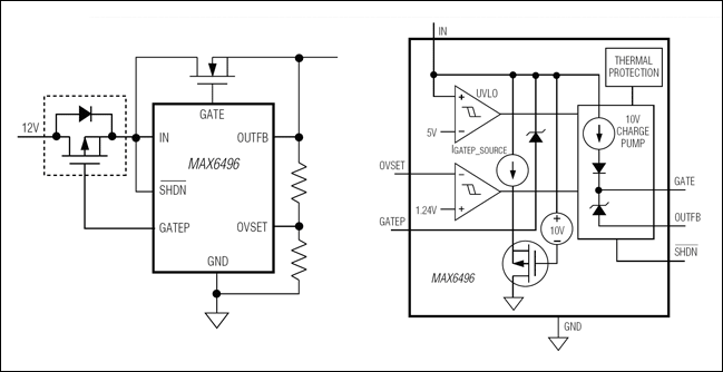
良く知られているように、基板の電源バスには正の電源スパイクだけでなく負の電圧スパイクも含まれる場合があります。負の電圧は、受動素子に基づく保護回路、または専用のICによって遮断することができます。この逆保護設計の内部構造を、MAX6496の場合について図5に示します。

図5. 低電圧ドロップ逆保護回路を備えた過電圧リミッタとして使用されるMAX6496 (左)およびその機能ブロック図(右)を示す。
標準的な正の電圧リミッタとしての機能に加えて、MAX6496にはPチャネルMOSFETのゲート段が含まれており、正の電圧時には外付けのMOSFETをオンに、入力電圧が負のときはオフに保ちます。大負荷電流と低い最小入力電圧という条件下では、この回路は、通常のショットキダイオードよりも有効です。
まとめ
このアプリケーションノートで検討した電圧リミッタには、それぞれデバイスの共通的特徴を拡大する固有のパラメータがあります。それぞれの電圧リミッタの最大入力電圧は、負荷給電時が72V、負荷スイッチオフ時が80Vです。次の表に、それぞれの電圧リミッタICの主な特徴をまとめます。
| Part Number | Package | Quiescent Current, µA | MOSFET Type | Auto Retry | Latch Up | Programmable Voltage Limiter | Reverse Battery Protection | Undervoltage Switch-Off Threshold (V) | Integrated Voltage Regulator | Enable Input | PowerOK Output |
| MAX6495 | 6/TDFN | 24 | n | X | X | 5 | |||||
| MAX6496 | 8/TDFN | 24 | n + p | X | X | X | 5 | ||||
| MAX6497 | 8/TDFN | 15 | n | X | 5 | X | |||||
| MAX6498 | 8/TDFN | 15 | n | X | 5 | X | |||||
| MAX6499 | 8/TDFN | 15 | n | X | X | X | Adj | ||||
| MAX6397 | 8/TDFN | 37 | n | X | X | X | X | ||||
| MAX6398 | 6/TDFN | 11 | N | X | X | ||||||
| MAX6399 | 8/TDFN | 10 | N | X | X | X | X | ||||
| MAX16010 | 8/TDFN | 20 | - | X | X | ||||||
| MAX16011 | 8/TDFN | 20 | - | X | X | ||||||
| MAX16012 | 6/TDFN | 20 | - | X | |||||||
| MAX16013 | 6/TDFN | 20 | P | X | X | X | X | ||||
| MAX16014 | 6/TDFN | 20 | P | X | X | X |
この記事に関して
製品
超小型、過電圧保護/検出回路
超小型、過電圧保護/検出回路
超小型、過電圧保護/検出回路
外付けMOSFET、72V、過電圧保護スイッチ/リミッタコントローラ
外付けMOSFET、72V、過電圧保護スイッチ/リミッタコントローラ
外付けMOSFET、72V、過電圧保護スイッチ/リミッタコントローラ
外付けMOSFET、72V、過電圧保護スイッチ/リミッタコントローラ
外付けMOSFET、72V、過電圧保護スイッチ/リミッタコントローラ
過電圧保護スイッチ/リミッタコントローラ、最大72Vまで動作
過電圧保護スイッチ/リミッタコントローラ、最大72Vまで動作
高電圧、過電圧/低電圧、保護スイッチコントローラ
超小型、過電圧保護/検出回路
超小型、過電圧保護/検出回路