概要
設計リソース
評価用ボード
型番に"Z"が付いているものは、RoHS対応製品です。 本回路の評価には以下の評価用ボードが必要です。
- EVAL-SDP-CB1Z ($116.52) Eval Control Board
デバイス・ドライバ
コンポーネントのデジタル・インターフェースとを介して通信するために使用されるCコードやFPGAコードなどのソフトウェアです。
機能と利点
- Highly Integrated Thermocouple Measurement System
- 24-bit Resolution
- Accuracy: <1°C
- Low Power
- Accuracy: <1°C over temperature
参考資料
回路機能とその特長
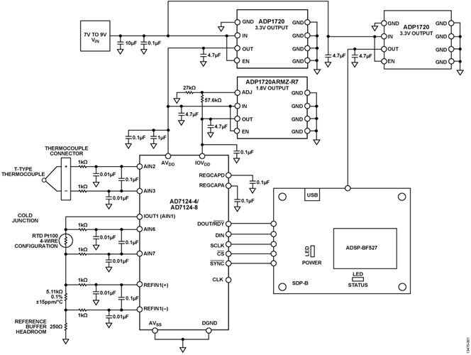
The circuit shown in Figure 1 is an integrated thermocouple measurement system based on the AD7124-4/AD7124-8 low power, low noise, 24-bit, Σ-Δ analog-to-digital converter (ADC), optimized for high precision measurement applications. Thermocouple measurements using this system show an overall system accuracy of ±1°C over a measurement temperature range of −50°C to +200°C . Typical noise free code resolution of the system is approximately 15 bits.

The AD7124-4 can be configured for 4 differential or 7 pseudo differential input channels, while the AD7124-8 can be configured for 8 differential or 15 pseudo differential channels. The on-chip low noise programmable gain array (PGA) ensures that signals of small amplitude can be interfaced directly to the ADC.
The AD7124-4/AD7124-8 establishes the highest degree of signal chain integration, which includes programmable low drift excitation current sources, bias voltage generator, and internal reference. Therefore, the design of a thermocouple system is simplified when the AD7124-4/AD7124-8 is used because most of the required system building blocks are included on-chip.
The AD7124-4/AD7124-8 gives the user the flexibility to employ one of three integrated power modes, where the current consumption, range of output data rates, and rms noise are tailored with the power mode selected. The current consumed by the AD7124-4/AD7124-8 is only 255 μA in low power mode and 930 μA in full power mode. The power options make the device suitable for non-power critical applications, such as input/output modules, and also for low power applications, such as loop-powered smart transmitters where the complete transmitter must consume less than 4 mA.
The device also has a power-down option. In power-down mode, the complete ADC along with its auxiliary functions are powered down so that the device consumes 1 μA typical. The AD7124-4/AD7124-8 also has extensive diagnostic functionality integrated as part of its comprehensive feature set.
回路説明
Temperature Measurement Introduction
Thermocouples are one of the most frequently used sensors for temperature measurements in industrial applications because of their low cost, ruggedness, repeatability, as well as wide operating temperature range and fast response time. Thermocouples are especially useful for making measurements at high temperatures (up to 2300°C for C-type thermocouples).
A thermocouple consists of the junction of two wires of different metal types, as shown in Figure 2.

The junction is placed where the temperature is to be measured, and is referred to as the measurement junction. The other end of the thermocouple is connected to a precision voltage measurement unit, and this connection is referred to as the reference junction, or alternately the cold junction. The temperature difference between the measurement junction and the cold junction generates a voltage that is proportional to the difference between the temperatures of the two junctions. The signal generated is typically from several microvolts to tens of millivolts and is dependent on the temperature difference. In the circuit shown in Figure 1, a T-type thermocouple is used. T-type thermocouples are capable of measuring temperatures of −200°C to +400°C with an output range of approximately −8.6 mV to +17.2 mV. It is important for the signal chain to present a high impedance and low leakage to the thermocouple to achieve the highest accuracy.
T-type thermocouples have a sensitivity of approximately 40 μV/°C. Therefore, by using the integrated PGA of the AD7124-4/AD7124-8, the small thermocouple voltage levels can be easily sensed and accurately converted to a digital representation. The thermocouple response is approximately linear over a small portion of the range (0°C to 60°C), as shown in Figure 3. For accurate measurements over a wide temperature range, a linearization routine must be applied to the measured value to ensure accurate temperature values.

T-type thermocouples are formed by joining copper and constantan metals. Other combinations of metals form other types of thermocouples with various ranges and sensitivities. For instance, J-type thermocouples are made by joining iron and constantan and have a range of 0°C to 760°C with a sensitivity of 55 μV/°C. K-type thermocouples are made by joining chromel and alumel and have a range of −200°C to +1260°C with a sensitivity of 39 μV/°C.
Cold Junction Compensation (CJC)
The voltage generated by a thermocouple must be converted to temperature. Converting the voltage measured to an accurate temperature can be difficult because the thermocouple voltage is small, the temperature-voltage relationship is nonlinear, and the cold junction temperature must also be accurately measured.
The output voltage of the thermocouple represents the difference between the temperature of the thermocouple and the cold junction temperature. The cold junction temperature must be known to ensure an accurate absolute temperature reading from the thermocouple. The cold junction temperature is measured with another temperature sensitive device, typically a thermistor, diode, resistance temperature detector (RTD), or semiconductor temperature sensor. The temperature-sensing device used for this circuit is a 4-wire RTD. The cold junction measurement error contributes directly to the absolute temperature error; therefore, a high accuracy cold junction temperature measurement is required. The technique of measuring and compensating for the cold junction temperature is referred to as cold junction compensation, or CJC.
How the Circuit Works
The AD7124-4/AD7124-8 provides an integrated solution for thermocouple measurements. The AD7124-4/AD7124-8 can achieve high resolution, low nonlinearity, and low noise performance as well as high 50 Hz and 60 Hz rejection. The device consists of an on-chip, low noise PGA that amplifies the small signal from thermocouple with a gain programmable from 1 to 128, thus allowing direct interface with the sensor. The gain stage has high input impedance and limits the input leakage current to 3.3 nA typical for full power mode and 1 nA typical for low power mode. The following sections discuss the different elements used to develop a thermocouple temperature measurement system based on the AD7124-4/AD7124-8.
Power Supplies
The AD7124-4/AD7124-8 has separate analog and digital power supplies. The digital power supply, IOVDD, is independent of the analog power supply and can be 1.65 V to 3.6 V referenced to DGND. The analog power supply, AVDD, is referred to AVSS and has a range of 2.7 V to 3.6 V for low power mode and mid power mode, and 2.9 V to 3.6 V for full power mode. The circuit shown in Figure 1 operates from a single supply; therefore, AVSS and DGND are connected together, and only one ground plane is used. The AVDD and IOVDD voltages are generated separately using ADP1720 low dropout voltage regulators. The AVDD voltage is set to 3.3 V and the IOVDD voltage is set to 1.8 V using the ADP1720 regulators. Using separate regulators ensures the lowest noise.
Serial Peripheral Interface (SPI)
SPI communication to the AD7124-4/AD7124-8 is handled by the Blackfin® ADSP-BF527 on the EVAL-SDP-CB1Z board, as shown in Figure 1. To access the registers of the AD7124-4/AD7124-8, use the AD7124-4/AD7124-8 EVAL+ Software. Figure 4 shows the main window of this software. Clicking THERMOCOUPLE configures the software for a T-type thermocouple measurement.

The AD7124-4/AD7124-8 has diagnostic functions on-chip that can be used to detect faults in the SPI communication. These diagnostics include checks on the SPI read and write operations, ensuring that only valid registers are accessed. An SCLK counter ensures that the correct number of SCLK pulses are used, while the CRC functionality checks for changes in bit values during transmission. When any of these SPI communication diagnostic functions are enabled and an associated error occurs, the corresponding flag is set in the error register. All enabled flags are OR’ed together and control the ERR flag in the status register. This functionality is particularly useful if the status bits are appended to the ADC conversions.
Analog Inputs
The AD7124-4 can be configured for 4 differential or 7 pseudo differential input channels, while the AD7124-8 can be configured for 8 differential or 15 pseudo differential input channels.
The AD7124-4/AD7124-8 has on-chip diagnostics that can be used to check that the voltage level on the analog pins are within the specified operating range. The positive (AINP) and negative (AINM) analog inputs can be separately checked for overvoltages and undervoltages, as well as ADC saturation. An overvoltage is flagged when the voltage on the analog input exceeds AVDD, while an undervoltage is flagged when the voltage on the analog input goes below AVSS.
For the circuit shown in Figure 1, two analog input pins are used to connect the thermocouple (AIN2, AIN3), and three analog pins are needed for the cold junction compensation (AIN1, AIN6, AIN7). AIN2 and AIN3 are configured as a fully differential input channel and measure the voltage generated by the thermocouple. For this circuit, the thermocouple is floating as shown in Figure 1. To bias the thermocouple to a known level, the VBIAS voltage generator is enabled on AIN2 and biases the thermocouple to

The thermocouple measurement is an absolute measurement; therefore, a voltage reference is needed, and the AD7124-4/AD7124-8 internal 2.5 V reference is used.
For the cold junction compensation, one excitation current source is used to excite the RTD. This current is generated from AVDD and is directed to AIN1. The analog pins and their configuration are shown in greater detail in Figure 5.

For this circuit, the cold junction circuit utilizes the reference input, REFIN1(±). The current through the 4-wire RTD used for the cold junction measurement also flows through the precision reference resistor that generates the reference voltage. The voltage generated across this precision reference resistor is ratiometric to the voltage across the RTD; therefore, any variations seen in the excitation current are removed. Because the reference buffers are enabled, it is necessary to ensure that the headroom required for correct operation is met (AVDD − 0.1 V and AVSS + 0.1 V). The headroom of 0.125 V (500 μA × 250 Ω) is provided by the 250 Ω resistor to ground, as shown in Figure 5.
Digital and Analog Filtering
Differential (~800 Hz cutoff) and common-mode (~16 kHz cutoff) filters are implemented at the analog inputs as well as at the reference inputs. This filtering is required to reject any interference at the modulator frequency and also any multiples of this frequency.
The AD7124-4/AD7124-8 offers a great deal of on-chip digital filtering flexibility. There are several filter options available; the option selected has an effect on the output data rate, settling time, as well as 50 Hz and 60 Hz rejection. For this circuit note, the sinc4 filter and the post filter are implemented. The sinc4 filter is used because it has excellent noise performance across the range of output data rates, as well as excellent 50 Hz and 60 Hz rejection. The post filter is used to provide simultaneous 50 Hz and 60 Hz rejection with a 40 ms settling time.
Calibration
The AD7124-4/AD7124-8 provides different calibration modes that can be used to eliminate offset and gain errors. For this circuit note, internal zero-scale calibration as well as internal full-scale calibrations were used.
Thermocouple Configuration
The circuit shown in Figure 1 is designed for precision T-type thermocouple measurement using the AD7124-4/AD7124-8. Thermocouple measurements require cold junction compensation. As shown in Figure 1, a 4-wire Pt100 RTD is used for this purpose. Using the configuration shown in Figure 1, one precision excitation current source is required to excite the RTD as part of the cold junction compensation measurement. The RTD is connected to analog inputs AIN6, AIN7. The bottom side of the RTD is connected to a precision reference resistor, which applies an external reference voltage to the device. The precision reference resistor is connected between reference input pins REFIN1(±). This configuration represents a ratiometric configuration, where any deviation in the excitation current is seen by both the RTD and the reference resistor, and is therefore removed from the measurement.
The thermocouple itself is connected to the AIN2, AIN3 analog inputs. One of the inputs is biased using the internal bias voltage generator of the ADC. The thermocouple voltage is in the range of −8 mV to +17.2 mV, which represents a temperature range of −200°C to +400°C. This low level voltage is amplified by the on-board PGA of the AD7124-4/AD7124-8, which is converted to a precision digital representation using the 24-bit Σ-Δ ADC. To ensure that the full range of the ADC is utilized, the PGA gain is set to 128. This thermocouple measurement is made with respect to the internal low drift 2.5 V reference.
A 4-wire Pt100 Class B RTD is used for the cold junction measurement. The excitation current for the Pt100 RTD is programmed to 500 μA. The value of the external precision resistor is chosen so that the maximum voltage generated across the RTD equals the reference voltage divided by the selected gain. The Circuit Note CN-0383 discusses in detail the following required steps:
- Selecting a precision reference resistor
- Selecting an appropriate PGA gain for RTD measurement
- Headroom resistor selection
- Excitation current output compliance
The AD7124-4/AD7124-8 full system configuration for the thermocouple measurement is as follows:
- Thermocouple measurement (T-type)
    - Differential input (AINP = AIN2, AINM = AIN3)
- Gain = 128
- Internal 2.5 V reference
- Digital filtering (sinc4 and post filter)
 
- Cold junction compensation measurement (4-wire RTD)
    - Differential input (AINP = AIN6, AINM = AIN7)
- Excitation current: IOUT1 = AIN1= 500 μA
- Gain = 16
- 5.11 kΩ precision reference resistor
- Digital filtering (sinc4 and post filter)
 
Thermocouple Temperature Calculation
Once the previous procedure is implemented, the next step is to work through the thermocouple and cold junction calculations. Different approaches can be used for the linearization/compensation, which include
- Look-up table: requires memory for storage, but also provides a quick, accurate conversion.
- Software linear approximation: does not require storage except for the conversion polynomial coefficients. Requires processing time to solve the multiple order polynomial. However, it also yields a very accurate result. This is the method used for this circuit.
The software linear approximation requires two inputs: the voltage measured across the thermocouple, and the cold junction temperature.
The analog input channel (AIN2, AIN3) is used to measure the voltage across the thermocouple. The formula used to convert the code representation to a voltage is Equation 1, which assumes a bipolar configuration of the ADC. The AD7124-4/AD7124-8 software automatically converts the codes to a voltage based on the configuration implemented.

where:
VTC is the thermocouple (TC) voltage.
CODETC is the thermocouple (TC) code.
N is the resolution of ADC, 24.
VREF is the reference used for measurement. For this circuit, the
internal reference is used for the thermocouple measurement.
Gain is the chosen gain for TC mode, 128.
The 4-wire RTD used for the cold junction requires its own linearization. The general expression to calculate the RTD resistance (R) where the ADC is operating in bipolar mode is given by

where:
RRTD is the resistance of the RTD.
CODE is the ADC code.
N is the resolution of ADC, 24.
RREF is the reference resistor.
G is the selected gain, 16.
The steps involved in converting the RTD voltage to a temperature and the linearization are outlined in the Circuit Note CN-0383.
The following steps are required to calculate the thermocouple temperature:
- Convert the cold junction temperature to a voltage
- Calculate the thermoelectric voltage
- Convert the thermoelectric voltage to a temperature representation
The cold junction temperature must be converted to a voltage. The cold junction temperature is converted using a polynomial generated by National Institute of Standards and Technology (NIST) and is outlined in Equation 3.

where:
VCJ is the thermoelectric voltage.
ax is the thermocouple type dependent polynomial coefficient.
T is the cold junction temperature (°C).
n is the order of the polynomial.
The cold junction temperature-to-voltage conversion accuracy can be increased by increasing the order of the polynomial. However, the higher the order, the more processing is required. Therefore, a trade-off is required when carrying out this conversion. For the calculations implemented for this circuit, an eighth-order polynomial was used.
The cold junction temperature voltage must be added to the differential voltage measured across the thermocouple. The resulting voltage is an approximation of the thermoelectric voltage generated by the temperature sensing junction of the thermocouple.
The thermoelectric voltage can then be used to calculate the overall thermocouple temperature. This step involves a power series polynomial given by Equation 4. For this circuit, a sixth-order polynomial was used, where the T-type thermocouple polynomial coefficients were taken from the NIST website.

where:
V is the thermoelectric voltage (microvolts).
ax is the type dependent polynomial coefficient.
T is the temperature (°C).
n is the order of polynomial.
Thermocouple Measurements and Results
For the circuit shown in Figure 1, data was gathered for different digital filter and power mode configurations of the AD7124-4/AD7124-8.
The first configuration was with the sinc4 filter, full power mode, with an output data rate of 50 SPS. These conditions optimize the AD7124-4/AD7124-8 for best performance in relation to speed and noise. Figure 6 shows the noise distribution when a thermocouple is connected between the AIN2, AIN3 input channel as shown in Figure 1 at ambient temperature. The corresponding rms noise is typically 70 nV rms or approximately 16.4 noise free bits. The noise performance of the AD7124-4/AD7124-8 for inputs shorted under the same conditions is typically 48 nV rms or 17 noise free bits. The increase in the noise comes directly from the thermocouple that is connected across the input channel (AIN2, AIN3).

For the thermocouple configuration where the sinc4 filter and full power mode were selected, the temperature of the thermocouple was swept from −50°C to +200°C, while the cold junction was held at −40°C, +25°C, and +105°C. For each of the set thermocouple temperatures, the corresponding voltage across the thermocouple was measured using the AD7124-4/AD7124-8 as previously outlined. Also recorded was the cold junction temperature using the 4-wire RTD. The voltage of the thermocouple along with the voltage representation of the cold junction temperature were used to calculate the temperature of the thermocouple. Figure 7 shows the resulting error measured between the set temperature value and measured temperatures of the thermocouple after linearization, for cold junction temperatures of −40°C, +25°C, and +105°C. Internal zero-scale and full-scale calibrations were performed at each cold junction temperature. As shown in Figure 7, the error between the calculated and set temperature of the thermocouple is well within the root sum square combined error window of the T-type thermocouple and Pt100 RTD, as shown in the plot. The T-type thermocouple has a maximum error of 1°C, or 0.75%, and from the IEC751 Standard, the Pt100 error is ±(0.3 + 0.005 × |T|).

The second configuration tested was with the post filter, low power mode, and a 25 SPS output data rate that gives simultaneous 50 Hz and 60 Hz rejection, allowing the user to trade off settling time with rejection. Figure 8 shows the noise distribution when a thermocouple is connected between the AIN2, AIN3 input channel as shown in Figure 1 at ambient temperature. The corresponding rms noise is typically 220 nV rms equating to approximately 14.7 noise free bits. The noise performance of the AD7124-4/AD7124-8 for inputs shorted when the same filter, gain, and output data rate are selected is typically 170 nV rms or 15.1 noise free bits. The increase in the noise comes directly from the thermocouple that is connected across the input channel (AIN2, AIN3).

For this AD7124-4/AD7124-8 configuration (with the post filter and low power mode selected), the temperature of the RTD was swept from −50°C to +200°C. For each of the set thermocouple temperatures, the corresponding voltage across the thermocouple was measured using the AD7124-4/AD7124-8, as outlined previously. Also recorded was the cold junction temperature using the 4-wire RTD. The voltage of the thermocouple along with the voltage representation of the cold junction temperature were used to calculate the temperature of the thermocouple.
Figure 9 shows the resulting error between the set and measured temperatures of the thermocouple after linearization for cold junction temperatures of −40°C, +25°C, and +105°C. As shown in Figure 9, the error between the calculated and set temperature of the thermocouple is well within the root sum square combined error window of the T-type thermocouple and Pt100 RTD, as shown in the plot. The T-type thermocouple has a maximum error of 1°C or 0.75%, and the Pt100 error is ±(0.3 + 0.005 × |T|) from the IEC751 Standard.

バリエーション回路
Cold Junction Measurement Alternative
The EVAL–AD7124-4SDZ/EVAL-AD7124-8SDZ evaluation boards have a thermistor on board as part of the overall board design. This thermistor is a KTY81/110 and has a typical resistance of 1 kΩ at +25°C, 500 Ω at −40°C, and 1.7 kΩ at +105°C. The thermistor can be used for measuring the cold junction temperature. Thermistors are cheaper than 4-wire RTDs, but are not as accurate. When implementing a thermistor for cold junction measurements, care must be taken to ensure that the cold junction measurement works as expected. The following steps outline some decisions that need consideration:
- Choose the precision reference resistor value.
- Choose the appropriate gain.
- Choose the excitation current.
- Check the output voltage compliance range of the excitation current.
- Check the resistance value of the thermistor for the different cold junction temperatures.
Taking all of these steps into consideration, the settings for implementing this thermistor when measuring the cold junction temperature as part of the overall temperature measurement system requires the following register configurations:
- Thermocouple measurement settings as outlined previously (T-type)
    - Differential input (AINP = AIN2, AINM = AIN3)
- Gain = 128
- Internal 2.5 V reference
- Digital filtering (sinc4 and post filter)
 
- Cold junction compensation measurement (thermistor)
    - Differential input (AINP = AIN4, AINM = AIN5)
- Excitation current: IOUT0 = AIN1 = 500 μA
- Gain = 1
- 2 kΩ precision reference resistor (the thermistor resistance varies from 500 Ω at −40°C to 1.7 kΩ at +105°C; it is also required to evaluate the headroom with this resistance)
 

Using the setup configuration shown in Figure 10, the reference to the AD7124-4/AD7124-8 is always approximately 1 V based on the 500 μA current and the 2 kΩ precision reference resistor. The performance of the system when the thermistor is used for cold junction compensation was recorded where the cold junction was held at 25°C, and the temperature of the thermocouple swept from −50°C to +200°C. The sinc4 filter in full power mode and the post filter in low power mode were used. Figure 11 shows the worst-case error recorded between the set temperature of the thermocouple, and the calculated temperature using the linearization technique for both filter types and power modes. The worst case error recorded was ±1°C.

Bias Voltage
In Figure 1, the internal VBIAS voltage is supplied to the thermocouple via the AINP or AINM pins. This configuration for the VBIAS voltage works well when the anti-alias filters are implemented using the component values shown in Figure 1. If filters with very large R and C values are used (for example, for EMC filtering), VBIAS must be taken from a separate dedicated pin and then applied externally to the thermocouple. This removes any inaccuracies in the measurements caused by potential common-mode noise that can be converted to differential-mode noise.
Multiple Thermocouple Measurement System
The AD7124-4 and AD7124-8 can be used for multiple thermocouple measurements. Thermocouple measurements require
- Two analog pins configured differentially to measure the voltage across the thermocouple
- Two analog pins configured differentially to measure the voltage at the cold junction terminal
- One single analog pin to steer the excitation current to the cold junction compensation circuitry
Using this information, the AD7124-4 allows two thermocouples to be connected and measured with respect to the same cold junction, as shown in Figure 12. The AD7124-8 allows up to six different thermocouple measurements with respect to the same cold junction, as shown in Figure 13.


回路の評価とテスト
Equipment Needed
The following equipment is required for the thermocouple measurement system:
- EVAL–AD7124-4SDZ/EVAL-AD7124-8SDZ evaluation board
- EVAL-SDP-CB1Z System Demonstration Platform (SDP)
- AD7124-4/AD7124-8 EVAL+ Software
- Power supply: 7 V or 9V wall wart
- T-type thermocouple
- A PC running Windows® XP (SP2), Windows Vista, or Windows 7 (32-bit or 64-bit)
Software Installation
A complete software user guide for the EVAL–AD7124-4SDZ/EVAL-AD7124-8SDZ and SDP boards can be found in the EVAL–AD7124-4SDZ (UG-855)/EVAL-AD7124-8SDZ (UG-856) user guides and the SDP User Guide, respectively.
Software is required to interface with the hardware, and can be downloaded from ftp://ftp.analog.com/pub/evalcd/AD7124. If the setup file does not automatically run, double-click setup.exe from the file. Install the evaluation software before connecting the evaluation board and SDP board to the USB port of the PC to ensure that the evaluation system is correctly recognized when connected to the PC.
After the evaluation software installation is complete, connect the SDP board (via Connector A) to the evaluation board, and then connect the evaluation board to the USB port of the PC using the supplied cable. When the evaluation system is detected, proceed through any dialog boxes that appear to complete the installation.
Setup and Test
Figure 14 shows the functional block diagram of the test setup. To allow quick setup for thermocouple measurements, the on-board thermistor is used to implement the cold junction measurements.

The EVAL–AD7124-4SDZ/EVAL-AD7124-8SDZ evaluation board is needed to test the circuit. In addition, the following sensor and resistors are required for proper operation:
- T-type thermocouple
- 2 kΩ precision resistor
- 250 Ω resistor needed for buffer headroom
Configuring the Hardware
To configure the hardware, do the following:
- Set all links on the EVAL-AD7124-4SDZ/EVAL-AD7124-8SDZ to the default board positions as outlined in the evaluation board user guide.
- Power the board with a 7 V or 9 V power source connected to J5.
- Connect the thermocouple, precision reference resistor, and resistor for headroom as shown in Figure 15.

Configuring the Software
Run the AD7124-4/AD7124-8 EVAL+ Software. Figure 16 shows a screenshot of the main window of the software.

To configure the AD7124-4/AD7124-8 for thermocouple measurements, click the THERMOCOUPLE demo mode button in the main window, as shown in Figure 16. Clicking this button configures the ADC software for optimized performance. Some of the register settings are as follows:
- Channel_0 (thermocouple)
- Channel_1 (thermistor cold junction measurement)
- CONFIG_0 (thermocouple)
- CONFIG_1 (thermistor cold junction measurement)
- FILTER_0 (thermocouple)
- FILTER_1 (thermistor cold junction)
- ADC_Control
- IO_CONTROL_1 (excitation for RTD)
    - IOUT1 Channel Enable = AIN1
- IOUT1 Select = 500 μA
 
- IO_CONTROL_2 (biasing the thermocouple)
    - VBIAS2 = True
 
One additional step is required before the AD7124-4/AD7124-8 is configured for thermocouple measurements: an internal full-scale and zero-scale calibration of the AD7124-4/AD7124-8 is required for the thermocouple channel. This can be performed via the Register Map tab, as shown in Figure 17.
- From the register tree, select the ADC_Control register.
- Enable Channel 0 only.
- Select low power mode.
- Carry out an internal full-scale calibration.
    - Click the Mode bitfield of the ADC control register.
- Select internal full-scale calibration.
- Check that the calibration has been performed by selecting the Gain0 register from the register tree, and check that the coefficients have changed.
 
- Carry out an internal zero-scale calibration.
    - Click the Mode bitfield of the ADC control register.
- Select internal zero-scale calibration.
- Check that the calibration has been performed by selecting the Offset0 register in the register tree, and check that the coefficients have changed.
 

A calibration is not required for the thermistor channel because the gain error at a gain of 1 is factory calibrated.
The board and device are now configured for thermocouple measurements, which includes cold junction compensation measurement using the thermistor positioned on the evaluation board. Click SAMPLE to start gathering samples from the AD7124-4/AD7124-8. The Waveform tab and the Histogram tab show the data gathered from the AD7124-4/AD7124-8.
For more accurate cold junction measurements, a 4-wire RTD can be connected, as outlined in the previous sections. To use a 4-wire RTD, the current from AIN1 must be disconnected from the thermistor and connected to the 4-wire RTD, as shown in Figure 1.
 
                             
                         
                         
                                                 
                                                
