製品概要
機能と利点
- Full featured evaluation board for the AD7124-4
- PC control in conjunction with the system demonstration platform (EVAL-SDP-CB1Z)
- PC software for control and data analysis (time domain)
- Standalone capability
製品概要
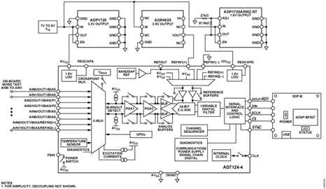
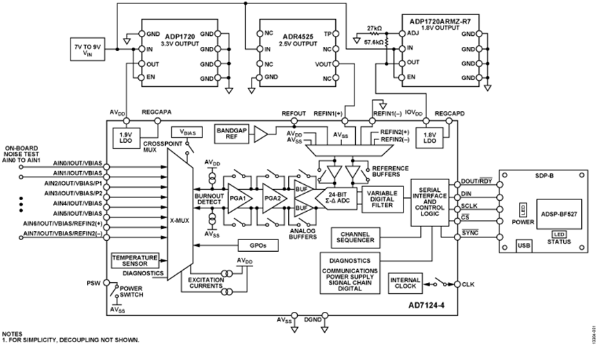
The EVAL-AD7124-4SDZ evaluation kit features the AD7124-4 24-bit, low power, low noise analog-to-digital converter (ADC). A 7 V to 9 V external supply is regulated to 3.3 V to supply the AD7124-4 and support all necessary components. The EVAL-AD7124-4SDZ board connects to the USB port of the PC by connection to the EVAL-SDP-CB1Z motherboard.The EVAL-AD7124-4SDZ software fully configures the AD7124-4 device register functionality and provides dc time domain analysis in the form of waveform graphs, histograms, and associated noise analysis for ADC performance evaluation.
The EVAL-AD7124-4SDZ is an evaluation board that is designed to allow the user to evaluate the features of the ADC. The user PC software executable controls the AD7124-4 over the USB through the system demonstration platform board (EVAL-SDP-CB1Z).
