概要
設計リソース
設計/統合ファイル
- Schematic
- Bill of Materials
- Gerber Files
- Allegro Files
- Assembly Drawing
評価用ボード
型番に"Z"が付いているものは、RoHS対応製品です。 本回路の評価には以下の評価用ボードが必要です。
- EVAL-CFTL-5V-PWRZ ($16.86) 5V Power Supply
- EVAL-CN0296-SDPZ ($162.43) Low Cost, High Performance Sound Bar System
- EVAL-SDP-CB1Z ($134.00) Eval Control Board
デバイス・ドライバ
コンポーネントのデジタル・インターフェースとを介して通信するために使用されるCコードやFPGAコードなどのソフトウェアです。
SSM2518 Pmod Xilinx FPGA Reference Design
機能と利点
- サウンドバー・システム
- 高いパフォーマンス
- 低価格
- 最大8チャンネルのデジタルオーディオ出力
参考資料
-
CN-0296 Software User Guide2018/10/23WIKI
-
CN0296: 低コスト、高性能サウンドバー・システム2013/05/30PDF490 K
回路機能とその特長
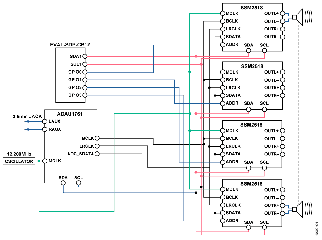
図1に示す回路は、入力としてアナログのステレオ・オーディオ信号を受け取り、チャンネルごとに個別に信号処理を実行し、最大8チャンネルのオーディオ出力が可能な、低コスト、高性能サウンドバー・システムです。この回路は小型のドッキング・ステーションや携帯型メディア・デバイスに最適で、オーディオ品質を損なうことなく、低消費電力と高効率動作を実現します。また、追加部品なしでヘッドフォンをドライブすることもできます。
ADAU1761は低消費電力のステレオ・オーディオ・コーデックで、SigmaDSP®デジタル信号処理機能を内蔵しています。2本のオーディオ・チャンネルを受け取る2個のADCを備えており、内蔵されているSigmaDSP®コアを使ってデジタル信号処理を行うことができます。
SigmaDSPプロセッサはオーディオ・アプリケーション向けに最適化されており、開発もGUIで使いやすく、開発期間短縮にも貢献する開発用ソフトウェアSigmaStudioを使ってプログラムします。ADAU1761はシリアル・インターフェースから、最大8チャンネルのデジタル・オーディオ・データを出力することができます。ADAU1761は、ボリューム・コントロール、イコライゼーション、フィルタリング、スピーカ構成の特性に合わせて調整した空間音響効果など、チャンネルごとに異なるオーディオ信号を処理することができます。この回路でADAU1761でアナログ・オーディオに対して信号処理を行い、デジタルに変換し、後段のSSM2518パワー・アンプをドライブします。
SSM2518はデジタル入力のクラスDオーディオ・パワーアンプで、2チャンネルのオーディオを4 Ωの負荷に対して、それぞれ2Wで連続出力することができます。SSM2518のチャンネル・マッピング機能により、インターフェースで利用可能なものの中から特定のチャンネルを選択して出力することができるのでサラウンド・アプリケーションに最適です。

回路説明
回路には2つの部分から構成されています。1つ目はオーディオ入力およびデジタル信号処理部分で、ADAU1761によって構成されています。2つ目は出力アンプ段で、SSM2518によって構成されています。
オーディオ入力および処理
ADAU1761の入力経路は、2チャンネルのシングルエンドまたは差動オーディオ信号を同時に受け取ることができます。入力はADAU1761のsigmaDSPコアに送られて処理されます。オーディオ信号経路と処理アルゴリズムはアナログ・デバイス社のSigmaStudio開発用ソフトウェアを使って作成します。SigmaStudioに含まれる豊富なライブラリを使って、様々な異なる処理ブロックをオーディオ信号経路に追加することができます。デバイスに作成したソフトウェアをプログラミングすれば、音量制御、イコライザ、フィルタなどの異なるブロックをユーザーが完全に制御できるようになります。設計者はわかりやすいGUIを使って、短時間でアルゴリズムや構成をテスト・デバッグすることができます。
クラスD出力アンプ
SSM2518クラスDオーディオ・パワーアンプはシリアルのデジタル・データを受け取り、D/A変換を行い、スピーカをドライブします。各SSM2518は4Ωのスピーカを2チャンネルそれぞれ2Wの連続電力でドライブすることができます。この回路はSSM2518を4個使用し、8チャンネルのオーディオを出力可能です。チャンネル・マッピング機能により、各SSM2518はTDMで送られてくるマルチチャンネルの中から、2チャンネルを選択して出力することができます。この機能により、それぞれのSSM2518が異なるチャンネル選んで出力することができます。
I2Cアクセスおよびコンフィギュレーション・レジスタ
ADAU1761とSSM2518は両方とも内部レジスタを備えており、正しく動作するように設定する必要があります。マイクロコントローラまたはホストがI2Cインターフェースを使ってデバイスのレジスタを設定します。SSM2518はアドレス・ピンを備えており、I2Cバス上で2個のデバイスだけに固有アドレスを持たせることができます。4個のSSM2518のうち、1個のADDRピンをハイにし、他の3個をロー・レベルに保つことにより、または1個をローに保って他をハイにする方法で設定します。これで、固有アドレスを持つデバイスはバス上で通信可能な状態に設定されます。この手順を他の3個のデバイスに対して繰り返します。アドレス制御は、アドレス・ピンのロジック・レベルを制御するシステム・コントローラによって行うことができます。
シリアル・データ・インターフェース
シリアル・データ・インターフェースはI2SまたはTDM互換のデータ・ストリームを使ってオーディオ信号を送ります。送信される信号は、ビット・クロック(BCLK)、フレーム・クロック(LRCLK)、およびデータ(SDATA)です。ADAU1761はマスタとして設定されるので、SSM2518に送られるBCLK、LRCLKおよびSDATAの発信源となります。正しく動作するには、デバイスに同期用のマスタ・クロックMCLKが必要です。一般に、マスタには12.288 MHzの水晶発振器が使用されます。ADAU1761とSSM2518に内蔵されている周波数マルチプライヤ/デバイダが各々に必要な内部クロックを生成します。クロックと信号ラインに対しては、基板レイアウトに対する注意事項を守る必要があります。クロックと信号の完全性を維持するには、ADAU1761とSSM2518の入力容量を考慮に入れる必要があります。負荷の影響を避けるためバッファが必要になる場合があります。
シリアル・データ信号は、各オーディオ・フレームに2本、4本、または8本のオーディオ・チャンネルを載せることが可能です。それぞれI2S、TDM-4、またはTDM-8として設定されます。
出力ノイズ電圧と信号対ノイズ比性能
出力のノイズ電圧を測定するには、入力をグラウンドに接続するか、または適切なインピーダンスで終端して、アンプの出力のところで出力電圧を測定します。電圧の測定はA-weightingフィルタを使用して22 Hz~22 kHzの帯域幅で行います。8チャンネル全てで測定した平均ノイズは66 μV rmsです。2 W出力および4 Ω負荷を規準にしたS/N比は全てのチャンネルで90 dBを超えます。
出力電力と歪み性能
出力電力とTHN+Nは、純粋な正弦波トーンを入力し、オーディオ・アナライザを使ってアンプの出力のところで測定します。
入力として1 kHzの正弦波を使うとき、回路は十分な性能を示し、図2に示すように2Wの定格出力電力でのTHD+Nは1%未満です。

周波数応答性能
周波数応答は、固定電圧レベルで純粋な正弦波を入力に加え、周波数を20 Hz~20 kHzのオーディオ周波数帯にわたって掃引して測定します。電圧を出力で測定し、1 kHzのリファレンス・レベルと比較します。出力電力は1 kHzで2 Wに設定します。異なる周波数での出力の変化は±0.5 dB未満であることをデータが示しています。図3に示すように、THD+Nも全周波数帯で1%未満です。

バリエーション回路
この回路は、TDMをサポートするI2S/シリアル・データ・ポートを備えた別のSigmaDSPプロセッサを使って設定することもできます。アプリケーションやユーザーの要件によっては、ADAU1761の代わりに、AD1940、AD1941、ADAU1401A、ADAU144x、およびADAU170xファミリーなどのデバイスを使うことができます。これらのデバイスは全てシリアル・データ出力と8チャンネルTDMのサポートを備えていて、メモリ・サイズ、処理能力、および入力/出力インターフェースが異なります。ADAU1461はADAU1761と機能は同じですが、車載アプリケーション用認定品です。
ADAU1761はアナログ差動オーディオ信号も受け取ることができ、デジタル信号処理をしてアンプへ出力します。ユーザーが2チャンネルないし4チャンネルしか必要としない場合、一方のSSM2518を外し、レジスタ設定を変更して、回路を改造することができます。SSM2518に代えてSSM2519 とSSM2529を使用することができます。両方ともTDMサポート付きのデジタル入力のクラスDアンプですが、出力チャンネルは各1本のみです。
回路の評価とテスト
必要な装置
CN-0296回路評価ボード (EVAL-CN0296-SDPZ)
システム・デモンストレーション・プラットフォーム (EVAL-SDP-CB1Z)
5 V @ 4 A DC電源
PC (Windows 32ビットまたは64ビット)
Audio PrecisionのSYS-2722オーディオ・アナライザまたは同等品
Audio PrecisionのAUX-0025フィルタまたは同等品
Audio PrecisionのAP2700コントロール・ソフトウェア
4 Ω/8 Ω スピーカまたはダミー負荷
ソフトウェアのインストール
評価キットには自己インストール型ソフトウェアのCDが付属しています。このソフトウェアはWindows XP (SP2)、Vista (32ビットと64ビット)およびWindows 7 (32ビットと64ビット)で使用できます。セットアップ・ファイルが自動的に実行されない場合は、CDに収められているsetup.exeファイルを実行します。
評価ボードとSDPボードをPCのUSBポートへ接続する前に評価用ソフトウェアをインストールして、評価ボードをPCへ接続したとき評価ボードが確実に認識されるようにします。このソフトウェアにより、シリアル・インターフェースを完全に設定することができます。正しく動作するには、マスタとスレーブの設定が整合していることが重要です。
電源要件
評価ボードには5 V DC電源から給電する必要があります。8チャンネル全てがそれぞれ定格電力を出力できるように、電源は少なくとも4 A供給できるようにすることを推奨します。評価ボードのLDOは部品に必要な電源を提供するのに使われます。
機能ダイアグラム
テスト・セットアップの機能ダイアグラムを図4に示します。テスト・セットアップは次のように接続します。

正しく動作するには表1に示す設定が必要です。評価用ソフトウェアを実行し、ソフトウェアGUIのConnectボタンをクリックして、SDPとの接続を確立します。Play Soundbarボタンをクリックして設定データをデバイスにダウンロードします。この設定はステレオ・データを以下のように8チャンネルにロードします。
| Pin |
TDM Channel |
Stereo Data |
| OUTR1 |
Channel 0 |
Right Surround |
| OUTR1 |
Channel 1 |
Right Front |
| OUTR2 |
Channel 2 |
Sub Woofer |
| OUTR2 |
Channel 3 |
Sub Woofer |
| OUTR3 |
Channel 4 |
Center |
| OUTR3 |
Channel 5 |
Center |
| OUTR4 |
Channel 6 |
Left Front |
| OUTR4 |
Channel 7 |
Left Surround |
ソフトウェアにより、ユーザーはADAU1761のSigmaStudioライブラリで利用可能な音響効果のいくつかをイネーブルまたはディスエーブルすることができます。これらの効果に対応する設定パラメータはソフトウェアのパネルに表示されます。低音と高音のコントロールのほかにマスタ音量コントロールがあります。これらのコントロールは、イネーブルされた音響効果があっても、出力に影響を与えます。テスト・トーンをイネーブルすると、1 kHzのトーンを出力し、アナログ入力をミュートします。チャンネルごとの個別ミュート・コントロールも用意されています。


