概要
設計リソース
評価用ボード
型番に"Z"が付いているものは、RoHS対応製品です。 本回路の評価には以下の評価用ボードが必要です。
- EVAL-CN0256-EBZ ($101.52) Isolated LVDS Interface Circuit
機能と利点
- LVDS ドライバとレシーバ
- アイソレーションインターフェース
- アイソレーション電源
製品カテゴリ
マーケット & テクノロジー
使用されている製品
参考資料
-
CN0256: 絶縁型 LVDS インターフェース回路2012/07/27PDF458K
-
AN-0971:isoPower デバイスでの EMI 放射制御についての推奨事項2020/07/03
回路機能とその特長
低電圧差動信号(LVDS)は、低電圧の高速ポイントtoポイント通信用に制定された規格です(TIA/EIA-644)。この方式は、バックプレーンまたは短いケーブル接続を通じて大量のデータを送ったり、アプリケーション回路の異なる部分に高速クロックを分配するために、計測および制御アプリケーションで使われます。
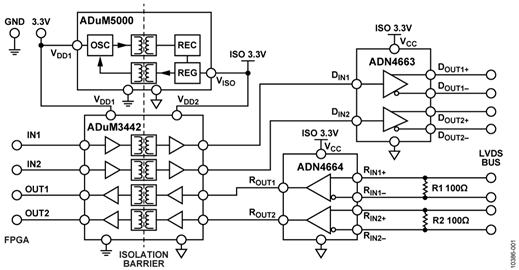
図1に示す回路は、LVDSインターフェースの絶縁例です。LVDSインターフェースの利点には、故障に対する保護機能(安全絶縁)とロバスト性の向上(機能的絶縁)が含まれます。
ADuM3442は、ADN4663LVDSドライバへのロジック入力と、ADN4664LVDSレシーバからのロジック出力のデジタル・アイソレーション機能を備えています。ADuM5000を使用した絶縁電源と組み合わせることで、産業用アプリケーションや計測アプリケーションのLVDSリンクの絶縁に関して、以下のような多くの課題を解決することができます。
- LVDSドライバ/レシーバ間のロジック信号を絶縁して、回路のバス側における標準LVDS通信を保証。
- 2つのワイドボディSOICデバイスADuM3442とADuM5000を追加した高集積絶縁により、標準LVDSデバイスのADN4663とADN4664を絶縁。
- 従来の絶縁(オプトカプラ)に比べて消費電力が低い。低消費電力動作はLVDSアプリケーションの特徴です。
- 複数チャンネルの絶縁。LVDSアプリケーションでは、最大限のスループットを得るために並列チャンネルが使われます。この回路はクワッド・チャンネルの絶縁例です(この場合は2つの送信チャンネルと2つの受信チャンネル)。
- 高速動作。絶縁は最大150Mbpsで動作するので、基本的なLVDSの速度要件を満たす助けとなります。
図1に示す回路は、デュアル・チャンネルLVDSライン・ドライバとデュアル・チャンネルLVDSレシーバを絶縁しています。これにより、1枚のボード上の2つの完全な送信パスと受信パスの実装例を示すことができます。

回路説明
絶縁型LVDSは、ボード間、バックプレーン、およびプリント基板(PCB)の通信リンクを安全に、あるいは機能的に絶縁します。安全な絶縁の一例として、1枚以上のプラグイン・カードに高電圧トランジェントが加わる危険のあるLVDSバックプレーンを備えたシステムがあります。LVDSインターフェースを絶縁すれば、このような故障状態がシステムの他の回路に影響するのを防ぐことができます。また、機能的絶縁の利点が活きるアプリケーションの例としては、計測機器が挙げられます。たとえば、ADCとFPGA間のLVDSリンクを絶縁すると、フロート状態のグラウンド・プレーンを形成して測定データの完全性を高め、アプリケーションの他の部分からの干渉を最小限に抑えることができます。
2つの送信チャンネル(CMOS/TTLからLVDS)と2つの受信チャンネル(LVDSからCMOS/TTL)を絶縁する絶縁型LVDSインターフェース回路の写真を図2に示します。信号の絶縁は、ADuM3442の最大パルス幅歪みの仕様を維持しながら、最大150Mbpsのデータレートまで可能です。

ロジック信号はIN1とIN2に与えることができ、これらはADuM3442によって絶縁されます。対応するADuM3442の出力(DIN1およびDIN2テスト・ポイント)はADN4663 LVDSドライバに接続され、DOUT1+とDOUT1−、DOUT2+とDOUT2−にLVDS信号を生成します。
ADN4664 LVDSレシーバは、RIN1+とRIN1−、RIN2+とRIN2−でLVDS信号を受信できます。レシーバ出力(ROUT1、ROUT2テスト・ポイント)は、信号を絶縁するためにADuM3442に接続します。これに対応するADuM3442からのロジック出力はOUT1とOUT2です。
回路の電源は、VDD1に接続することによってロジック側に供給されます。この電源は3.3Vまたは5Vとすることができ、ADuM3442(回路の信号絶縁)のロジック側に電源を供給します。さらにADuM5000にも電源を供給し、そこから回路のバス側に絶縁電源が供給されます。
ADuM5000のVISO出力は、LVDSドライバ(ADN4663)とLVDSレシーバ(ADN4664)、およびADuM3442のバス側に必要な3.3V電源を供給します。
この回路のレイアウトは、アプリケーション・ノートAN-0971「isoPower デバイスでのEMI 放射制御についての推奨事項」に基づいています。また、このレイアウトは高速差動信号伝送に合わせて最適化されています。LVDSの入力/出力トレース長は同じにしてあり、グラウンドへのインピーダンスは50Ωです(差動ペア間で100Ω)。各ペアのテスト・ポイントとドライバ/レシーバからの距離も同じにしてあります。高速信号の完全性を高めるために、グラウンドへのビアがトレースに沿って複数配置されています。
LVDSの入力RIN1+とRIN1−およびRIN2+とRIN2−には100Ωの終端抵抗(R1、R2)が接続されています。DOUT1+とDOUT1−、DOUT2+とDOUT1−に接続されたバスの受信端は終端してください。
電源とグラウンドは、スクリューワイヤ・コネクタ(VDD1とGND1)を経由して接続します。ロジック入力(IN1、IN2)/出力(OUT1、OUT2)は、4個のSMBコネクタを介して接続します。バス信号は8個のSMBコネクタ経由で同様に接続します。これらは、グラウンドへのインピーダンスが50ΩのトレースでLVDSドライバ(ADN4663)とレシーバ(ADN4664)に接続します。
回路の評価とテスト
絶縁型LVDSインターフェース回路基板に電源を供給するには、3.3Vまたは5V電源をVDD1に接続します。回路に正しく電源が供給されているかテストするには、VDD2テスト・ピンの電位を測定します。このテスト・ポイントはADuM5000からの絶縁電源で、公称3.3Vまたは5Vにします。
すべての送信パスと受信パスは、チャンネルのLVDS出力をそのチャンネルのLVDS入力に接続することによってテストできます。一例としてチャンネル1をテストするには、SMB用リードを使用して、DOUT1+をRIN1+に、DOUT1−をRIN1−に接続します。
シグナル・ジェネレータまたはパターン・ジェネレータはIN1に接続できますが、OUT1テスト・ポイントの出力と入力をマッチングさせる必要があります。テスト・セットアップを図3に示します。

IN1に50Mbpsのクロック信号を与え、DIN1+とRIN1+、およびDIN1−とRIN1−の間に90cmのシールド線を使用してこのテストを行った場合のIN1、RIN1+、RIN1−、OUT1の波形を図4に示します。

これらの測定は、低容量プローブを使用してLVDSバス上で行いました(<1pF)。データレートを上げる場合は、LVDSの入力と出力の間のワイヤを短くしてください。

