概要
機能と利点
- Analog Devices has worked closely with FPGA and processor manufacturers to develop verified power solutions that optimize cost, size and efficiency in high performance applications
- Our reference designs are supported by an intuitive design tool set and IP
- Our team can provide designs for quick prototypes that can speed time to market in the most complex applications
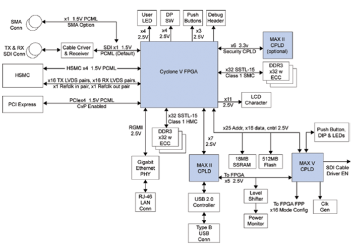
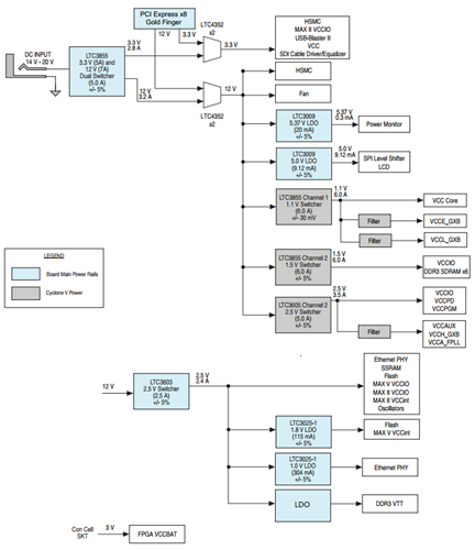
回路説明
The Altera Cyclone V GX FPGA Development Kit provides a comprehensive, best in-class design environment to quickly begin developing low-cost and low-power FPGA system level designs. This kit helps to shorten your product’s development cycle so that you can meet your product’s time to market and production milestones.




