製品概要
製品概要
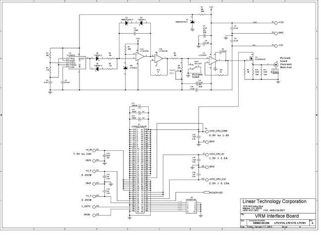
DC296A Demo Board for:
LT1361 Dual and Quad 50MHz, 800V/µs Op Amps
LT1210 1.1A, 35MHz Current Feedback Amplifier (CFA)
関連資料
-
DC296A - Schematic2009/09/24PDF89K
-
DC296A - Demo Manual2009/09/24PDF103K
-
DC296A - Design File2009/09/24ZIP145K
