製品概要
製品概要
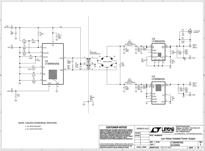
The DC2049A demonstrates how a power supply regulates two output voltage by using the LT3999 and low dropout (LDO) regulators.
The LT3999 is a monolithic push-pull DC/DC driver which features a wide input range and small external passive components.
The LT3999 has duty circle control for ΔVIN compensation, which allows for a wide input voltage range and low LDO losses.
関連資料
-
DC2049A - Schematic2014/11/24PDF81K
-
DC2049A - Demo Manual2014/11/24PDF456K
-
DC2049A - Design Files2014/11/24ZIP2M





