自動車は、ヘッドライトとしてハイ・ビームやロー・ビーム、昼間走行灯を備えています。昨今の自動車の場合、これらに加えて方向指示灯やクリアランス・ライトが1つのLEDヘッドライト・クラスタ(以下、クラスタ)としてまとめられていることも少なくありません。電圧や電流の要件、トポロジー、電力のレベル、独自の調光機能など、クラスタを構成する各LEDストリングを駆動するための要件は、それぞれ大きく異なる場合があります。通常、そうした多様な要件を満たすには、それぞれに専用のドライバを用意する必要があります。ただ、複数のドライバを使用する方法では、BOM(部品リスト)や製造方法が複雑になってしまいます。それだけでなく、EMI(電磁妨害)の規格を満たすのが難しくなる可能性もあります。ドライバを1つ追加するごとに、使用されている高周波の信号がEMIに加わるからです。EMIに関する評価を実施し、問題を緩和するには、非常に複雑な作業が必要になります。
各自動車メーカーは、車種ごとに工夫を凝らし、LEDに関して多様な電圧/電流の仕様を採用している可能性があります。ただ、電力の合計が30Wというのはどの車種でも共通です。このことを念頭に置いて、クラスタ内の全LEDストリングに必要な電力/機能の要件を満たすドライバを探せば、複数の候補が見つかりそうにも思えます。しかし、実際にはそれほどたくさんの候補が見つかることはありません。そのような条件を満たすドライバは、比較的広い範囲の電圧をバッテリから受け取り、昇降圧トポロジーによって様々なストリング電圧を生成する必要があります。また、クラスタの限られたスペース内に容易に収められるように、小型かつ多機能であることも求められます。加えて、研究/開発の負荷を最小限に抑えつつ、金属シールドを備える高価なEMIケースを使わなくても済むようにするためには、EMIがほとんど発生しないことも条件になります。その上で、効率も高くなければなりません。「LT8391A」は、スイッチング周波数が2MHzの昇降圧コントローラです。Power by Linear™シリーズの同ICは、上記のすべての要件を満たすという点で他とは一線を画します。コントローラとしては同ICを1つ使用するだけで、クラスタの全体を駆動することができます。
2MHz動作でEMI性能に優れる同期整流式のコントローラ
LT8391Aは、2MHzのスイッチング周波数によってLEDの電流調整を行う昇降圧コントローラです。このような製品は業界初です。スイッチング周波数が非常に高いため、1つの小型インダクタによって、大電力を要するLEDアプリケーションに対応することができます。また、ソリューション全体としてのサイズも小さく抑えられます。LT8391Aは、外付けのパワー・スイッチと組み合わせて使用するので、10Aといった非常に大きなピーク電流にも対応できます。このような大きなピーク電流が生じると、パワー・スイッチを内蔵するタイプのコンバータICでは、熱の問題から通常の小型パッケージを使用できません。それに対し、LT8391Aを使えば、3mm × 3mmのMOSFETを外付けして同期整流方式の昇降圧コンバータを構成できます。これであれば、モノリシック型のコンバータICを使う場合よりも、はるかに大きな電力を供給することが可能です。MOSFETは、ホットループ・コンデンサと共に、密に実装することができます。それによって、EMIを非常に小さく抑えられます。独自のピーク・スイッチ電流検出アンプ・アーキテクチャも、EMIの低減に貢献します。このアーキテクチャでは、検出抵抗をパワー・インダクタの隣、つまり重要な入力と出力のホットループの外側に配置します。加えて、オプションで提供されているスペクトラム拡散周波数変調(SSFM:SpreadSpectrum Frequency Modulation)機能を使用すれば、コントローラのEMIをさらに抑えることが可能です。
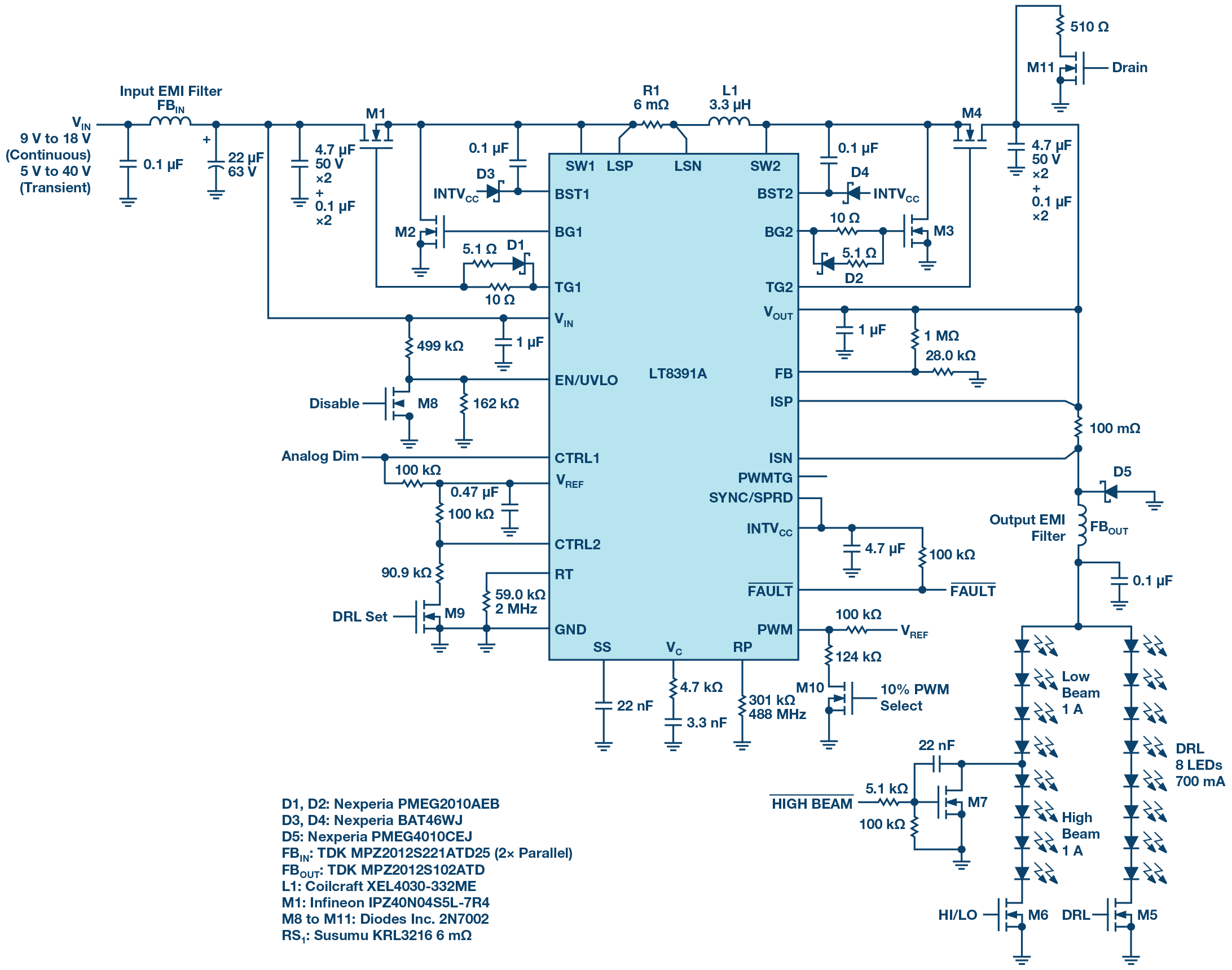
図1に示したのは、LT8391Aを使用して構成した昇降圧型のLEDドライバの回路図です。EMIフィルタとゲート抵抗を備えるこの回路により、16V/1.5A(24W)の出力でLEDを駆動することができます。その効率は、図2に示すように93%に達します。オプションのEMI対策部品を取り除けば、効率はさらに1%~2%向上します。3mm × 3mmの小型MOSFETと大電力に対応可能な1つのインダクタにより、このドライバの温度上昇は、24W出力の場合でも低く抑えられます。入力電圧が12Vの場合、どの部品も室温より25°C以上高くなることはありません。入力電圧が6Vで、標準的な4層プリント回路基板を使用し、ヒート・シンクやエアフローも使わない状態を考えます。その場合、最も温度が高くなる部品でも、50°C以上上昇することはありません。4.3Vまで低下する入力トランジェントが生じたり、入力が長時間低下してアナログ調光やPWM調光により負荷電流が減少したりしたとしても、24W出力という最大負荷の条件で動作し続けます。8A~10Aに対応する検出抵抗によって、入力電圧VINが低いときでも、このような大きな電力が得られるようになっています。

LT8391Aは、最新のPWM調光機能と、LEDのオープン故障を検出するフォルト保護機能を搭載しています。同ICは、9V~16Vの車載バッテリや18V~32Vのトラック用バッテリなど、必ずしも入力電圧範囲内にあるとは限らない電圧によって、LEDストリングに流れる電流量を調整します。最小4.0Vというコールド・クランク時の入力電圧でも動作しますし、最大60Vの入力トランジェントに耐えることも可能です。PWM調光比は、周波数が120Hzの場合で最大2000:1となります。また、PWM調光用のクロック・ジェネレータを内蔵しているので、PWM用のクロックを外部から供給することなく、最大128:1の正確な調光比を実現することも可能です。
車載向けのEMI規格CISPR 25への対応
LT8391Aを使用して構成した図1のLEDドライバは、車載ヘッドライト用に設計されたものです。AEC-Q100に準拠する部品を使用することで、CISPR 25クラス5の放射EMI規格に適合させることができます。SSFMを使えば、EMIを抑えつつ、フリッカを抑えるPWM調光を実現することが可能です。小さなインダクタと、特に小さな入力/出力用EMIフィルタを採用することによって、小型化を図っています。スイッチング周波数が2MHzなので、大きなLCフィルタは必要ありません。小さなフェライト・ビーズだけで、周波数の高いEMIを低減することができます。
大きな電力を扱うコンバータにおいて、車載EMIの要件を満たすのは容易なことではありません。大きなプリント回路基板上で、大容量のコンデンサの隣に、大電力を扱うスイッチとインダクタが配置されることがあります。そのようなケースで、特に大きな検出抵抗が使用されると、望ましくないホットループが形成される可能性があります。LT8391Aは、独自の昇降圧アーキテクチャによってEMIの削減を達成します。そのアーキテクチャは、昇圧/降圧用の両スイッチ・ペアで形成されるホットループから検出抵抗を取り除いた構造を成します。
図3と図4は、図1に示したLEDドライバ回路のEMIを測定した結果です。2MHzのスイッチング周波数と24Wの大出力という条件下でも、この回路はCISPR 25クラス5の放射/ 伝導EMIの要件を満たします。クラス5は最も厳しい要件ですが、ほとんどの車載EMIテストで目標として使用されます。クラス5の要件を満たせないドライバ回路は、基本的に車載回路では使用できません。使用する場合は、大きな金属製のEMIシールドで覆う必要があります。仮にシールドの大きさが問題にならなかったとしても、それを追加することで間違いなくコストは増加します。


マルチビームに対応する昇降圧ドライバ
LEDヘッドライトのクラスタには、革新的かつ芸術的な工夫が凝らされているケースがあります。例えば、ハイ・ビームとロー・ビームに、しゃれた昼間走行灯(DRL)が統合されているといった具合です。DRLは、ハイ・ビームとロー・ビームが消灯しているときにしか使われません。そのため、1つのLEDドライバによって、ハイ・ビーム、ロー・ビーム、DRLのうちいずれかを駆動できることになります。ただし、このような実装が行えるのは、LEDドライバの入力‐出力比を柔軟に変更できて、入力‐出力間で昇圧と降圧の両方に対応できる場合だけです。昇降圧型のドライバであれば、このような要件を満たすことが可能です。
図5に示したのは、LT8391Aを使用して構成したマルチビーム対応の昇降圧型LEDドライバの回路図です。この回路により、LEDストリングを3V~34Vの範囲で駆動することができます。ロー・ビーム用のストリングを駆動することもできますし、ハイ・ビーム用のストリングを駆動(ロー・ビーム用のストリングと共に、ハイ・ビーム専用の追加のストリングを同時に駆動)することも可能です。また、動作モードを切り替えることで、それよりも高い電圧で電流量の少ないDRLを駆動することもできます。図6aは、ロー・ビーム用のLEDストリングから、ハイ・ビーム用のLEDストリングへと駆動対象を切り替えた際の電圧/電流波形を示したものです。ご覧のように、出力電圧やLED電流にスパイクは生じていません。LT8391Aは、昇圧、4つのスイッチによる昇降圧、降圧の動作領域の間をスムーズに遷移します。一般的には、LEDの駆動部にスパイクを生じさせることなく、少数のLEDから多数のLEDへと対象を切り替えるのは容易なことではありません。図5に示したマルチビーム対応のドライバ回路であれば、それを易々とやってのけるということです。ハイ・ビーム用のストリングからロー・ビーム用のストリングに切り替える場合も非常にきれいに遷移します。図6bに示すように、LEDの駆動部にスパイクが生じることはありません。

DRL用ストリングとの間の切り替えについても同じことが言えます。図6cは、ロー・ビームを消灯し、DRLが出力コンデンサにスムーズに接続される様子を表しています。LEDの電流は、何の問題もなく1A( ハイ・ビームとロー・ビーム)から700mA( 8個のLEDで構成されるDRL)に推移しています。それら以外に、装飾用あるいは方向指示用のLEDを追加したり、DRLを方向指示灯として点滅させたりすることも可能です。図6dの測定結果は、PWM調光用の内蔵ジェネレータに対して設定を行い、DRLに対するPWM調光を施した後、周囲が暗くなったところでロー・ビームにスムーズに切り替えるという動作に対応したものです。
車載環境では、短絡/断線故障に対する堅牢なソリューションが求められます。図5に示したマルチビーム対応のドライバは、短絡や断線といった問題が生じた際、それらを安全に処理します。また、問題が生じたことはフォルト・フラグによって通知します。

省面積に貢献するFE/QFNパッケージ
LT8391Aのパッケージは、小型化の要件を満たす4mm ×5mmの28ピンQFN、または車載設計向けの28ピンTSSOPFEです。いずれのパッケージも、熱の問題に対応するためのグラウンド・パッドを備えています。それにより、5V出力のLDO( 低ドロップアウト) レギュレータ(INTVCC)による発熱に対応します。
このLDOは、約15nCのゲート電荷に対応し、4つの同期MOSFETを2MHzで駆動することができます。図7 はDC2575Aの外観であり、TSSOP FE版のLT8391Aを使用した場合に、どれだけの小型化を実現できるのかを把握することができます。この回路により、2MHzのスイッチング周波数で16V/1.5Aを出力することができます。5mm × 5mmのインダクタを1つ使用するだけで、このような大電力/多機能のアプリケーションに対応することが可能です。


まとめ
LT8391Aは、LEDドライバ用の昇降圧コントローラです。60Vの入出力電圧、2MHzのスイッチング周波数に対応しており、車載ヘッドライトのクラスタに対する給電に使用できます。EMI性能に優れる4スイッチのアーキテクチャの採用、SSFMのサポートなどにより、CISPR25クラス5で定められたEMIの要件を満たすように設計されています。スイッチング周波数が高く、AMバンドよりも上の領域で動作するので、EMIフィルタをほとんど必要としません。小型で多機能であることから、多様な電圧と電流を要するLEDヘッドライトのクラスタに適用することが可能です。
| LT8390 | LT8390A | LT8391 | LT8391A | |
| 電圧レギュレータ | x | x | ||
| LEDドライバ | x | x | ||
| 60Vまでの車載入力/出力範囲 | x | x | x | x |
| スイッチング周波数 | 150 kHz to 650 kHz | 600 kHz to 2 MHz | 150 kHz to 650 kHz | 600 kHz to 2 MHz |
| EMIの低減に向けて最適化されたホットループ・レイアウト | x | x | x | x |
| EMIの低減に向けたSSFM | x | x | x | x |
| 出力電力 | 450 W+ | 50 W+ | 450 W+ | 50 W+ |
| パッケージ | 4mm × 5mm、28ピンQFN、28ピンTSSOP FE | 4mm × 5mm、28ピンQFN、28ピンTSSOP FE | 4mm × 5mm、28ピンQFN、28ピンTSSOP FE | 4mm × 5mm、28ピンQFN、28ピンTSSOP FE |
