自動車や産業用機器、データ・センター、通信機器などでは、使用される電源の数が爆発的に増加しています。それに伴い、積層セラミック・コンデンサ(MLCC)の価格が急騰しています。一般に、電源の出力には、セラミック・コンデンサが付加されます。それにより、出力リップルを低減し、スルー・レートの高い負荷トランジェントに起因する出力電圧のオーバーシュートやアンダーシュートを抑制することが可能になるからです。また、セラミック・コンデンサには、高い周波数領域における等価直列抵抗(ESR)と等価直列インダクタンス(ESL)が小さいという特徴があります。そのため、デカップリングとEMI(電磁妨害)のフィルタリングを目的とし、電源の入力側でもセラミック・コンデンサが使用されます
車載システムや産業用システムの性能を向上させるためには、データの処理速度を劇的に高めることが求められます。それに伴い、それらのシステムには、マイクロプロセッサ、CPU、SoC(System on a Chip)、ASIC、FPGAといった消費電力の多いデバイスがより多く搭載されるようになっています。そうした複雑なデバイスを動作させるには、何種類もの電源電圧が必要になります。一般に、コア部では0.8V、DDR3(Double-Data-Rate 3)とLPDDR4(Low Power DDR4)ではそれぞれ1.2Vと1.1V、周辺回路や補助用回路では5V、3.3V、1.8Vの電源電圧が使用されます。バッテリやDCバスの電圧を基にレギュレートされた電源電圧を生成するためには、降圧型のDC/DCコンバータが用いられます。
例えば、自動車の分野では、先進運転支援システム(ADAS)が普及したことから、セラミック・コンデンサの使用量が劇増しています。通信業界でも、高性能の電源を必要とする5G技術の導入に伴い、セラミック・コンデンサの使用量が大きく増加しています。中核的な部分の消費電流が数Aから数十Aにまで増加しているので、電源リップル、負荷トランジェントのオーバーシュート/アンダーシュート、EMIを非常に厳密に制御する必要があります。そうした機能を実現するためには、更に多くのコンデンサを使用しなければなりません。
多くの場合、従来の電源では、上述したような変化のペースに対応できません。ソリューション全体のサイズが非常に大きく、効率があまりにも低く、回路設計が極めて複雑で、BOMコストがあまりにも高いからです。例えば、高速な負荷トランジェントに対する厳しい電圧レギュレーションの仕様を満たすにはどうすればよいでしょうか。それには、負荷トランジェントに対応するために、大電流を保持して供給できるよう出力部に多数のセラミック・コンデンサを付加する必要があります。出力部で使用するセラミック・コンデンサの総コストが、電源ICのコストの数倍に達するケースもあるでしょう。
電源のスイッチング周波数を高めれば、出力電圧に対するトランジェントの影響を抑え、コンデンサに対する要件を緩和し、ソリューション全体のサイズを縮小することができます。しかし、スイッチング周波数を高めると、スイッチング損失が増加して全体的な効率が低下します。このトレードオフを回避しつつ、先進的なマイクロプロセッサやCPU、SoC、ASIC、FPGAに必要な大電流を供給する際のトランジェントの要件を満たすことは可能なのでしょうか。
このような課題を解決するために、アナログ・デバイセズはSilent Switcher® 2ファミリの降圧レギュレータを提供しています。このPower by Linear™製品は、コンパクトなソリューション・サイズと高い効率を実現しつつ、非常に多くの電流に対応します。より重要な特徴は、優れたEMI性能を達成していることです。この種のモノリシック型降圧レギュレータの代表的な製品としては「LTC7151S」が挙げられます。同製品は、SilentSwitcher 2のアーキテクチャを採用していることから、EMIを抑制するためのフィルタの設計を簡素化することができます。また、谷(バレー)電流モードで動作させることで、出力部に付加するコンデンサの要件を抑えることが可能です。
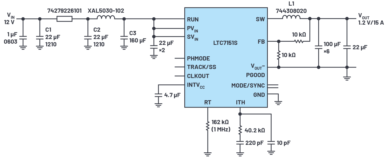
20V入力、15A出力のSoC向けソリューション
図1に示したのは、20Vの入力電圧を基にSoC/CPU用の1Vの出力電圧を得るためのソリューションの例です。スイッチング周波数は1MHzで、15Aの出力電流に対応できます。入力電圧は標準的には12Vまたは5Vですが、3.1V~20Vの範囲の変動にも対応可能です。LTC7151S、入力コンデンサ、出力コンデンサ、インダクタに加え、いくつかの小さな抵抗とコンデンサを使用するだけで電源全体が構成されています。この回路は、他の出力電圧(例えば1.8V、1.1V、0.85V、最小で0.6V)を生成するように簡単に変更することができます。出力レールからV OUT-ピンへの負帰還により、負荷の近くで出力電圧のリモート帰還検出を実施することが可能です。そのため、基板のパターンによる電圧降下が原因で生じる帰還誤差を最小限に抑えられます。
LTC7151Sは、高性能のMOSFETを内蔵しています。パッケージは熱特性が強化された28ピンのLQFNで、外形寸法は4mm×5mm×0.74mmです。先述したように、谷電流モードでの制御に対応します。保護機能も内蔵しているので、保護用の外付け部品の点数を最小限に抑えることができます。
トップ・スイッチの最小オン時間はわずか20ナノ秒(標準値)であり、高いスイッチング周波数によって、中核的な電圧から直接降圧出力を生成できます。熱管理用の機能も備えているので、ヒートシンクや気流が存在しない条件下でも、最大20Vの入力電圧を基に最大15Aの電流を、高い信頼性を保ちつつ連続的に供給できます。このような特徴を備えていることから、通信、産業、交通、自動車などの分野で使用されるSoC、FPGA、DSP、GPUへの給電に最適です。
また、LTC7151Sは広範な入力電圧に対応しているので、1段目の中間バス・コンバータとしての使用にも適しています。つまり、同製品の下流に複数のPOL(Point of Load)レギュレータやLDO(低ドロップアウト)レギュレータを配置し、それらに対して5V/3.3Vの出力電圧で最大15Aの出力電流を供給するといった使い方ができるということです。

最小限の出力コンデンサで厳しいトランジェント仕様に対応
通常、DC/DCコンバータに付加する出力コンデンサの値は、ループの安定性と負荷トランジェントの応答に関する要件を満たせるように調整されます。特に、プロセッサのコア電圧を供給する電源については、より厳しい仕様が定められます。負荷トランジェントのオーバーシュート/アンダーシュートを十分に制御する必要があるからです。例えば、出力コンデンサは負荷が変動した際、瞬時に電流を供給し、帰還ループによってスイッチの電流が十分に増加して出力コンデンサからスイッチの電流にソースを切り替えられるようになるまで、その負荷に対応する必要があります。そこで、一般的には、出力側にかなりの数の積層セラミック・コンデンサを付加するという方法が適用されます。それにより、高速な負荷トランジェントが生じた際に保持すべき電荷の要件を満たせるようにするということです。その結果、オーバーシュート/アンダーシュートが抑制されます。
もう1つの方法は、スイッチング周波数を高めることで、ループ応答を高速化させるというものです(上記のセラミック・コンデンサを多数使用する方法と併用することもできます)。但し、この方法には、スイッチング損失が増大するという代償が伴います。
3つ目の方法は、谷電流モードの制御が可能なDC/DCコンバータを採用することです。そうすれば、スイッチのオン時間TONとオフ時間TOFFを瞬時に変化させることが可能になり、負荷トランジェントの要件に対応することができます。この場合、高速な応答時間に対応するためにも、出力コンデンサの値は大幅に減らすことになります。図2は、8A/マイクロ秒のスルー・レートで4Aから12Aまで変化するステップ状の負荷に対し、LTC7151Sがどのように動作するか示したものです。ご覧のように、同製品は入力に対して瞬時に応答しています。LTC7151Sが備える谷電流モード用のアーキテクチャにより、制御されたオン時間(COT:Controlled onTime)が実現されています。同アーキテクチャによって、4Aから12Aまで遷移している際に、スイッチ・ノードのパルスを圧縮することが可能になります。立上がりエッジの開始時から約1マイクロ秒で出力電圧は回復し始めて、オーバーシュート/アンダーシュートのピークtoピーク電圧は46mV以下に抑えられます。図2(a)では、出力に100μFのセラミック・コンデンサを3個付加しています。これにより、図2(b)に示したように、標準的なトランジェント仕様を十分に満たすことができます。図2(c)に示したのは、ステップ状の負荷の変化に対して得られる標準的なスイッチング波形です。

高いスイッチング周波数、高い効率、小型化の実現
LTC7151Sの外形寸法は、わずか4mm×5mm×0.74mmです。このような小型のパッケージ内に、MOSFET、コントローラ/ドライバ、ホット・ループ部のコンデンサを内蔵しています。これらのコンポーネントを互いの近くに配置することで、寄生効果を抑えつつ、スイッチの高速なオン/オフと非常に短いデッドタイムを実現しています。スイッチの逆並列ダイオードの導通損失も大きく低減されます。ホット・ループ部のデカップリング・コンデンサと補償回路を内蔵していることから、設計の複雑さが緩和されると共に、ソリューション・サイズも最小化されます。
先述したとおり、トップ・スイッチの最小オン時間は20ナノ秒(標準値)です。そのため、高いスイッチング周波数を使用してデューティ比の低い変換を行うことが可能です。3MHzといった高い周波数を使用すれば、インダクタ、入力コンデンサ、出力コンデンサのサイズと値を小さく抑えることができます。そのため、車載用/医療用のポータブル機器や計測器など、スペースに制約のあるアプリケーション向けに、非常にコンパクトなソリューションを構築することが可能です。高いスイッチング周波数でも高い性能を発揮するLTC7151Sを採用すれば、熱対策のためのファンやヒートシンクといったかさばる部品は不要になります。
図3に示したのは、3MHzのスイッチング周波数を使用する5V入力/1V出力のソリューションです。Eatonが提供する100nH/小型のインダクタと、100μF/1210サイズのセラミック・コンデンサ3個を使用し、FPGA/マイクロプロセッサ向けに非常に低背で小型のソリューションを実現しています。その効率は図3(右)のグラフに示したとおりです。室温の環境で動作させた場合、温度上昇は最大負荷の条件下で約15°Cに抑えられます。

Silent Switcher 2による優れたEMI性能
EMIの規格であるCISPR 22/CISPR 32では、許容可能な伝導性/放射性EMIのピーク値が規定されています。出力電流が15Aのアプリケーションにおいて、そうした規格を満たすのは容易ではありません。ソリューションのサイズ、トータルの効率、信頼性、複雑さに関する多数のトレードオフを考慮しながら、何度も基板を設計し直さなければならない可能性があります。従来、EMIを抑制するには、スイッチング・エッジを遅くする方法か、スイッチング周波数を下げる方法が使われてきました。ただ、どちらの方法にも、効率が低下したり、最小オン時間/オフ時間が長くなったり、ソリューション・サイズが大きくなったりといった欠点がありました。EMIを抑えるために、複雑かつサイズの大きいフィルタや金属シールドを追加するといった強引な方法も存在しないわけではありません。しかし、そうすると、基板面積、部品点数、組み立ての面で、かなりのコストが追加で発生します。更に、熱管理や試験の作業も複雑になります。
Silent Switcher 2では、EMIを緩和するためにいくつかの技術を導入しています。例えば、ノイズの大きいアンテナとして機能するホット・ループのサイズを最小化するために、コンデンサをパッケージ内に内蔵するといった技術です。また、LTC7151Sの内部では、高性能のMOSFETとドライバによってスイッチ・ノードのリンギングを最小限に抑えています。その結果、EMIを低く抑えることができています。例えば、スイッチング・エッジのスルー・レートが高い場合でも、ホット・ループに保持されたエネルギーが適切に制御されます。そのため、スイッチング周波数が高い場合でも、ACのスイッチング損失を最小限に抑えつつ、卓越したEMI性能を達成することが可能になっています。
LTC7151Sについては、試験用のチャンバを使用したEMIのテストを既に実施済みです。シンプルなフィルタを配置するだけで、CISPR 22/CISPR 32で定めらえた伝導性/放射性EMIの上限値(ピーク)を満たすことが実証されています。図4は、スイッチング周波数が1MHzで、出力が1.2V/15AのDC/DCコンバータの回路図です。図5には、GTEM(Gigahertz Transverse Electromagnetic)セルにより、CISPR 22で定められた放射性EMIの試験を実施した結果を示しました。


まとめ
産業環境や車載環境では、インテリジェントなエレクトロニクス、オートメーション機器、センサーの普及が進んでいます。それに伴い、電源の数は増加し、性能に対する要求はより厳しくなっています。ソリューションのサイズが小さい、効率が高い、熱性能や堅牢性に優れる、使いやすいといった通常の要件に加えて、EMI性能に優れることは、電源に関する重要な検討項目として特に優先度が高まっています。
LTC7151Sは、アナログ・デバイセズのPower by Linear部門が開発したSilent Switcher 2技術を採用した製品です。非常にコンパクトなサイズで非常に厳しいEMIの要件に対応します。谷電流モードによる制御と高いスイッチング周波数により、スイッチのオン時間/オフ時間を動的に変更し、負荷トランジェントに対してアクティブかつほぼ瞬時に追随します。そのため、出力コンデンサの値を格段に小さく抑えつつ、高速に応答できます。MOSFETや熱管理機能も内蔵しており、最大20Vの入力電圧から最大15Aの出力電流を、高い堅牢性と信頼性を維持しつつ、連続的に供給することが可能です。
