RT2378-20

製造中止

Radiation Tolerant 20-Bit, 1Msps, Low Power Plastic Package SAR ADC

利用上の注意

本データシートの英語以外の言語への翻訳はユーザの便宜のために提供されるものであり、リビジョンが古い場合があります。最新の内容については、必ず最新の英語版をご参照ください。

なお、日本語版のデータシートは基本的に「Rev.0」(リビジョン0)で作成されています。そのため、英語版が後に改訂され、複数製品のデータシートがひとつに統一された場合、同じ「Rev.0」の日本語版のデータシートが異なる製品のデータシートとして表示されることがあります。たとえば、「ADM3307E」の場合、日本語データシートをクリックすると「ADM3311E」が表示されます。これは、英語版のデータシートが複数の製品で共有できるように1本化され、「ADM3307E/ADM3310E/ADM3311E/ADM3312E/ADM3315E」(Rev.J)と改訂されたからで、決して誤ってリンクが張られているわけではありません。和文化されたデータシートを少しでも有効に活用していただくためにこのような方法をとっておりますので、ご了解ください。

アナログ・デバイセズ社は、提供する情報が正確で信頼できるものであることを期していますが、その情報の利用に関して、あるいはその利用によって生じる第三者の特許やその他の権利の侵害に関して一切の責任を負いません。また、アナログ・デバイセズ社の特許または特許の権利の使用を明示的または暗示的に許諾するものでもありません。仕様は予告なしに変更する場合があります。本紙記載の商標および登録商標は、各社の所有に属します。

Viewing:

製品情報

  • Processed and Qualified to Proprietary RT Flow Using PEM-INST-001 as a Guideline
  • 1Msps Throughput Rate
  • ±0.5ppm INL (Typ)
  • Guaranteed 20-Bit No Missing Codes
  • Low Power: 21mW at 1Msps, 21μW at 1ksps
  • 104dB SNR (Typ) at fIN = 2kHz
  • –125dB THD (Typ) at fIN = 2kHz
  • Digital Gain Compression (DGC)
  • 2.5V Supply
  • Fully Differential Input Range ±VREF
  • VREF Input Range from 2.5V to 5.1V
  • No Pipeline Delay, No Cycle Latency
  • 1.8V to 5V I/O Voltages
  • SPI-Compatible Serial I/O with Daisy-Chain Mode
  • Internal Conversion Clock
  • 16-Lead MSOP Package
  • To request samples or a demo board of the commercial equivalent, please visit the LTC2378-20 product page
Radiation Performance
  • Total Ionizing Dose (TID) Tolerance, per TM1019.8, MIL-STD-883: - 10kRad (Si), per condition A at 50Rads(Si)/sec (20kRad data available in Space Data Pack)
  • Single Event Latch-Up (SEL) Threshold Linear Energy Transfer (LET) ≥ 30.86MeV-cm2/mg at TCASE = 70°C

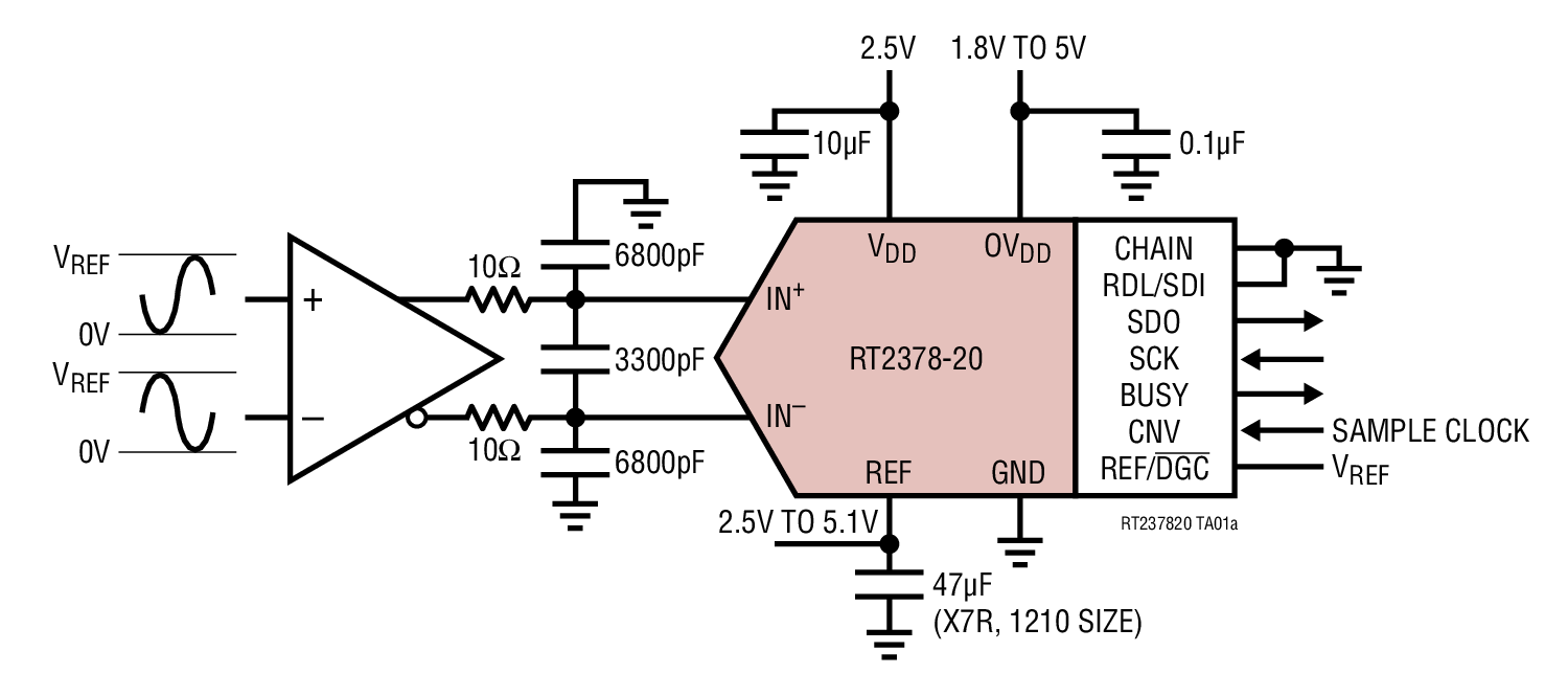
The RT2378-20 is a low noise, low power, high speed 20-bit successive approximation register (SAR) ADC. Operating from a 2.5V supply, the RT2378-20 has a ±VREF fully differential input range with VREF ranging from 2.5V to 5.1V. The RT2378-20 consumes only 21mW and achieves ±2ppm INL maximum, no missing codes at 20 bits with 104dB SNR.

The RT2378-20 has a high speed SPI-compatible serial interface that supports 1.8V, 2.5V, 3.3V and 5V logic while also featuring a daisy-chain mode. The fast 1Msps throughput with no cycle latency makes the RT2378-20 ideally suited for a wide variety of high speed applications. An internal oscillator sets the conversion time, easing external timing considerations. The RT2378-20 automatically powers down between conversions, leading to reduced power dissipation that scales with the sampling rate.

The RT2378-20 features a unique digital gain compression (DGC) function, which eliminates the driver amplifier’s negative supply while preserving the full resolution of the ADC. When enabled, the ADC performs a digital scaling function that maps zero-scale code from 0V to 0.1 • VREF and full-scale code from VREF to 0.9 • VREF. For a typical reference voltage of 5V, the full-scale input range is now 0.5V to 4.5V, which provides adequate headroom for powering the driving amplifier from a single 5.5V supply.

Applications

  • High-Accuracy Instrumentation
  • Imaging Systems
  • High-Speed Data Acquisition
  • Low-Power Conversion

RT2378-20
Radiation Tolerant 20-Bit, 1Msps, Low Power Plastic Package SAR ADC
 Product Package 1
myAnalogに追加

myAnalogの製品セクション(通知受け取り)、既存/新規プロジェクトに製品を追加する。

新規プロジェクトを作成
質問する
サポート

アナログ・デバイセズのサポート・ページはアナログ・デバイセズへのあらゆるご質問にお答えするワンストップ・ポータルです。


ドキュメント

データシート

これは最新改訂バージョンのデータシートです。

さらに詳しく
myAnalogに追加

myAnalogのリソース・セクション、既存/新規プロジェクトにメディアを追加する。

新規プロジェクトを作成

ソフトウェア・リソース

必要なソフトウェア/ドライバが見つかりませんか?

ドライバ/ソフトウェアをリクエスト

最新のディスカッション

RT2378-20に関するディスカッションはまだありません。意見を投稿しますか?

EngineerZone®でディスカッションを始める

最近表示した製品