MX636

製造中止

真のRMS/DCコンバータ

利用上の注意

本データシートの英語以外の言語への翻訳はユーザの便宜のために提供されるものであり、リビジョンが古い場合があります。最新の内容については、必ず最新の英語版をご参照ください。

なお、日本語版のデータシートは基本的に「Rev.0」(リビジョン0)で作成されています。そのため、英語版が後に改訂され、複数製品のデータシートがひとつに統一された場合、同じ「Rev.0」の日本語版のデータシートが異なる製品のデータシートとして表示されることがあります。たとえば、「ADM3307E」の場合、日本語データシートをクリックすると「ADM3311E」が表示されます。これは、英語版のデータシートが複数の製品で共有できるように1本化され、「ADM3307E/ADM3310E/ADM3311E/ADM3312E/ADM3315E」(Rev.J)と改訂されたからで、決して誤ってリンクが張られているわけではありません。和文化されたデータシートを少しでも有効に活用していただくためにこのような方法をとっておりますので、ご了解ください。

アナログ・デバイセズ社は、提供する情報が正確で信頼できるものであることを期していますが、その情報の利用に関して、あるいはその利用によって生じる第三者の特許やその他の権利の侵害に関して一切の責任を負いません。また、アナログ・デバイセズ社の特許または特許の権利の使用を明示的または暗示的に許諾するものでもありません。仕様は予告なしに変更する場合があります。本紙記載の商標および登録商標は、各社の所有に属します。

Viewing:

製品情報

  • 真のRMSからDCへの変換
  • ACおよびDC信号のRMSの演算
  • 広帯域応答特性:
    • VRMS > 1Vの入力で2MHzの帯域幅(MX536A)
    • VRMS > 100mVの入力で1MHzの帯域幅(MX636)
  • 補助dB出力:
    • 60dBの範囲(MX536A)
    • 50dBの範囲(MX636)
  • 単一またはデュアル電源動作
  • 低消費電力:
    • 1.2mA typ (MX536A)
    • 800µA typ (MX636)

MX536AおよびMX636は真のRMS/DCコンバータです。これらは低消費電力で、MX536Aは0~7VRMS、MX636は0~200mVRMSの低入力信号レベルを受け付けるように設計されています。どちらのICも、ACとDC成分を含む複雑な入力波形を受け付けます。これらは、単一電源あるいはデュアル電源式のいずれでも動作します。両ICの非測定時における消費電流は1mA以下なので、バッテリで運用するアプリケーションにも理想的です。

入出力オフセット、正負波形の対称性(DC対称)、およびフルスケールの精度はレーザトリムを行ってあるので、全域の精度を保持するために外部トリムを必要としません。

アプリケーション

  • バッテリ駆動アプリケーション
  • デジタルマルチメータ
  • パネルメータ
  • プロセス制御

MX636
真のRMS/DCコンバータ
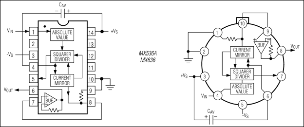
MX536A、MX636:標準動作回路
myAnalogに追加

myAnalogの製品セクション(通知受け取り)、既存/新規プロジェクトに製品を追加する。

新規プロジェクトを作成
質問する
サポート

アナログ・デバイセズのサポート・ページはアナログ・デバイセズへのあらゆるご質問にお答えするワンストップ・ポータルです。


ドキュメント

さらに詳しく
myAnalogに追加

myAnalogのリソース・セクション、既存/新規プロジェクトにメディアを追加する。

新規プロジェクトを作成

ソフトウェア・リソース

必要なソフトウェア/ドライバが見つかりませんか?

ドライバ/ソフトウェアをリクエスト

最新のディスカッション

MX636に関するディスカッションはまだありません。意見を投稿しますか?

EngineerZone®でディスカッションを始める

最近表示した製品