Two engineers working in the lab

Save time and deliver your solutions faster with ADI’s new suite of precision technology signal chains. Align your applications ranging from Smart Industry to Instrumentation, Electrification to Digital Health, to exactly the right precision technology combinations.

Tailor your signal chain with confidence

MAX9680

発売前

SC70、ゲインおよびフィルタ内蔵3Vビデオアンプ

自動車用温度範囲、小型パッケージ、3Vビデオアンプ

利用上の注意

本データシートの英語以外の言語への翻訳はユーザの便宜のために提供されるものであり、リビジョンが古い場合があります。最新の内容については、必ず最新の英語版をご参照ください。

なお、日本語版のデータシートは基本的に「Rev.0」(リビジョン0)で作成されています。そのため、英語版が後に改訂され、複数製品のデータシートがひとつに統一された場合、同じ「Rev.0」の日本語版のデータシートが異なる製品のデータシートとして表示されることがあります。たとえば、「ADM3307E」の場合、日本語データシートをクリックすると「ADM3311E」が表示されます。これは、英語版のデータシートが複数の製品で共有できるように1本化され、「ADM3307E/ADM3310E/ADM3311E/ADM3312E/ADM3315E」(Rev.J)と改訂されたからで、決して誤ってリンクが張られているわけではありません。和文化されたデータシートを少しでも有効に活用していただくためにこのような方法をとっておりますので、ご了解ください。

アナログ・デバイセズ社は、提供する情報が正確で信頼できるものであることを期していますが、その情報の利用に関して、あるいはその利用によって生じる第三者の特許やその他の権利の侵害に関して一切の責任を負いません。また、アナログ・デバイセズ社の特許または特許の権利の使用を明示的または暗示的に許諾するものでもありません。仕様は予告なしに変更する場合があります。本紙記載の商標および登録商標は、各社の所有に属します。

Viewing:

製品情報

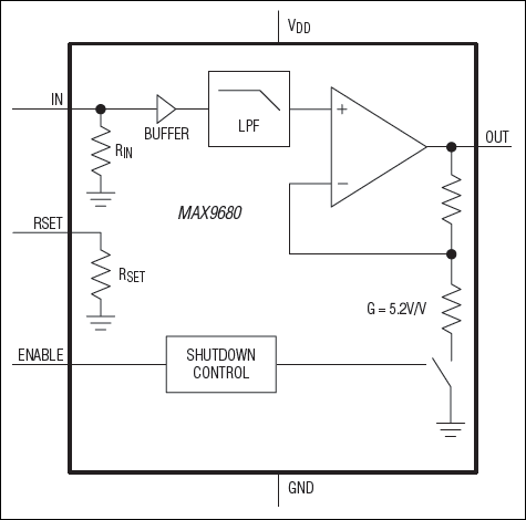
  • 内部ゲイン:5.2V/V
  • 2極再生フィルタ
  • グランドを含む入力範囲
  • DC結合入力/出力
  • レイルトゥレイル出力
  • 低自己消費電流:3.7mA
  • シャットダウン電流:0.4µA

高速アンプおよびフィルタのMAX9680は、ポータブルビデオアプリケーション用に最適化されています。この製品は、特に0.4VP-Pビデオ出力のアプリケーションプロセッサに組み込むビデオエンコーダに対応するように設計されています。入力コモンモード範囲は、GNDを含んでいるため、ビデオDAC (ディジタル-アナログコンバータ)をMAX9680にDC結合することができます。

出力は、標準逆終端ビデオ負荷(150Ω)で、GNDの2mV、および20mV~VDD以内を変動します。内部レベルシフト回路によって、出力が0V入力で飽和するのが防止されるため、コモンビデオ回路におけるシンクパルスのクリッピングも防止されます。そのため、MAX9680はビデオ負荷へのDC結合に最適です。

MAX9680は、内部ゲイン設定抵抗(G = 5.2V/V)と2極ビデオ-DAC再生フィルタを内蔵することによって、スペース重視のアプリケーション用に最適化されています。

シャットダウンモードでは、自己消費電流は0.4µA以下に低減され、劇的に消費電力を削減し、バッテリ寿命を延ばします。MAX9680は、小型2mm x 2.1mmの6ピンSC70パッケージで提供されます。

アプリケーション

  • デジタルスチルカメラ
  • デジタルビデオカメラ
  • 携帯電話

MAX9680
SC70、ゲインおよびフィルタ内蔵3Vビデオアンプ
MAX9680:ブロックダイアグラム
myAnalogに追加

myAnalogの製品セクション(通知受け取り)、既存/新規プロジェクトに製品を追加する。

新規プロジェクトを作成
質問する
サポート

アナログ・デバイセズのサポート・ページはアナログ・デバイセズへのあらゆるご質問にお答えするワンストップ・ポータルです。


ドキュメント

さらに詳しく
myAnalogに追加

myAnalogのリソース・セクション、既存/新規プロジェクトにメディアを追加する。

新規プロジェクトを作成

ソフトウェア・リソース

必要なソフトウェア/ドライバが見つかりませんか?

ドライバ/ソフトウェアをリクエスト

最新のディスカッション

MAX9680に関するディスカッションはまだありません。意見を投稿しますか?

EngineerZone®でディスカッションを始める

最近表示した製品