MAX8939

製造中止

システムパワーマネージメント、携帯端末用

携帯端末システムの幅広い電力要件に応えるシングルチップソリューション

利用上の注意

本データシートの英語以外の言語への翻訳はユーザの便宜のために提供されるものであり、リビジョンが古い場合があります。最新の内容については、必ず最新の英語版をご参照ください。

なお、日本語版のデータシートは基本的に「Rev.0」(リビジョン0)で作成されています。そのため、英語版が後に改訂され、複数製品のデータシートがひとつに統一された場合、同じ「Rev.0」の日本語版のデータシートが異なる製品のデータシートとして表示されることがあります。たとえば、「ADM3307E」の場合、日本語データシートをクリックすると「ADM3311E」が表示されます。これは、英語版のデータシートが複数の製品で共有できるように1本化され、「ADM3307E/ADM3310E/ADM3311E/ADM3312E/ADM3315E」(Rev.J)と改訂されたからで、決して誤ってリンクが張られているわけではありません。和文化されたデータシートを少しでも有効に活用していただくためにこのような方法をとっておりますので、ご了解ください。

アナログ・デバイセズ社は、提供する情報が正確で信頼できるものであることを期していますが、その情報の利用に関して、あるいはその利用によって生じる第三者の特許やその他の権利の侵害に関して一切の責任を負いません。また、アナログ・デバイセズ社の特許または特許の権利の使用を明示的または暗示的に許諾するものでもありません。仕様は予告なしに変更する場合があります。本紙記載の商標および登録商標は、各社の所有に属します。

Viewing:

製品情報

  • ステップアップコンバータ
    • 保証出力電流:700mA
    • I²C設定可能な出力:3.5V~5.0V (16ステップ)
    • 効率:90%以上
    • FETおよび同期整形器内蔵
    • 固定PWMスイッチング:2MHz
    • 小型の2.2µH~10µHインダクタ
  • WLEDブーストコンバータ
    • 最大ステップアップ出力電圧:28V
    • 出力電流:60mA
    • NMOSパワースイッチ内蔵
    • 効率:90%以上
    • 固定スイッチング:2MHz
    • 小型の4.7µH~10µHインダクタ
    • 2つの個別に設定可能な25mA電流レギュレータ
    • 128のステップ擬似ログ調光でI²Cプログラマブルな出力電流(50µA~25.25mA)
    • 個別に設定可能なランプ(アップ/ダウン)タイマー
    • 低ドロップアウト:150mV (max)
  • リニア1セルLi+バッテリチャージャ
    • 外付けのMOSFET、逆流防止ダイオード、または電流検出抵抗が不要
    • 設定可能な最大急速充電電流:1.5ARMS (MAX8939)/850mARMS (MAX8939A/MAX8939B)
    • 設定可能なトップオフ電流スレッショルド
    • 独自のダイ温度レギュレーション制御
    • 4.1V~10Vの入力電圧範囲(MAX8939/MAX8939B)
    • 4.1V~6.25Vの入力電圧範囲(MAX8939A)、最大28Vの過電圧保護
    • 低ドロップアウト電圧:300mV (500mA時)
    • 入力電源検出出力
    • INからの入力過電圧保護付き出力(SAFE_OUT):4.75V
    • 充電電流モニタ出力
    • インジケータLED
    • ハードウェア入力イネーブル
    • 充電中の5秒ウォッチドッグ機能
  • 4つの低ノイズLDO
    • 出力電流:400mA x 1、200mA x 2、および100mA x 1
    • 高PSRR:65dB (typ)
    • 低ノイズ:45µVRMS (typ)
    • プログラマブルな出力電圧:1.7V~3.2V
    • 低自己消費電流:25µA (typ)
    • ハードウェアイネーブル入力を備えた400mA LDO
  • バイブレータドライバ
    • 保証出力電流:200mA
    • プログラマブルな出力電圧:1.3V~VINVIB
    • 繰返し周波数:23.8kHz
    • PWM速度制御:70ステップ
    • アクティブストップブレーキ
  • 61XXベースバンド用の制御インタフェース
    • I²CからのMAX8939/MAX8939A/MAX8939B制御
    • アクティブローRESET_INリセット入力
    • チャージャ検出PWR_ON_CMP出力
    • アクティブローIRQ割込み出力
  • 電源電圧範囲:2.9V~5.5V
  • サーマルシャットダウン

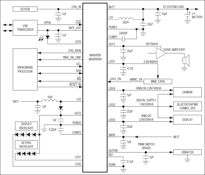
パワーマネージメントICのMAX8939/MAX8939A/MAX8939Bは、Intel Mobile Communications (IMC)の61XX 3Gプラットフォームをベースとする携帯電話設計に対応するために必要な電源および機能を備えています。MAX8939は、プラットフォームのすべてのペリフェラル部品に給電するように設計され、61XXベースバンドプロセッサの制御に必要な信号を供給します。

内蔵のリチウムイオン(Li+)チャージャは、最大28Vまでの入力が保護され、USBトランシーバの電源用の保護出力電圧を備えています。独自の温度安定化回路によって、急速充電時やICが高い周囲温度にさらされる場合にダイ温度が制限され、ICを損傷させずに最大充電電流が可能です。充電インジケータLEDの駆動用に、専用の電流レギュレータが内蔵されています。

4つのプログラマブルな低ノイズ、低ドロップアウトリニアレギュレータ(LDO)は、ノイズセンシティブなペリフェラルに電源を供給します。高電力バイブレータドライバが70のPWMレベルと4つの出力電圧でI²Cプログラム可能です。また、これらのICは2つのステップアップコンバータも提供します。1つは、高電力、低電圧(5V)で、外付けのオーディオアンプまたはカメラフラッシュの給電用、1つは高電圧(28V)電源で、ディスプレイとキーボードバックライト用です。2つの内蔵25mA電流レギュレータは、独立したランプアップおよびランプダウン制御を提供し、I²Cを介してプログラム可能です。

MAX8939/MAX8939A/MAX8939Bは、外付け部品をほとんど必要としない高集積ICで、小型2.5mm x 3.0mm、最大高0.65mmのウェハレベルパッケージ(WLP)で提供されます。

アプリケーション

  • 携帯電話/スマートフォン用のコンパニオンチップ

MAX8939
システムパワーマネージメント、携帯端末用
MAX8939:標準動作回路
myAnalogに追加

myAnalogの製品セクション(通知受け取り)、既存/新規プロジェクトに製品を追加する。

新規プロジェクトを作成
質問する
サポート

アナログ・デバイセズのサポート・ページはアナログ・デバイセズへのあらゆるご質問にお答えするワンストップ・ポータルです。


ドキュメント

さらに詳しく
myAnalogに追加

myAnalogのリソース・セクション、既存/新規プロジェクトにメディアを追加する。

新規プロジェクトを作成

ソフトウェア・リソース

必要なソフトウェア/ドライバが見つかりませんか?

ドライバ/ソフトウェアをリクエスト

最新のディスカッション

MAX8939に関するディスカッションはまだありません。意見を投稿しますか?

EngineerZone®でディスカッションを始める

最近表示した製品