MAX8739

製造中止

オペアンプ付き、TFT、LCD、DC-DCコンバータ

利用上の注意

本データシートの英語以外の言語への翻訳はユーザの便宜のために提供されるものであり、リビジョンが古い場合があります。最新の内容については、必ず最新の英語版をご参照ください。

なお、日本語版のデータシートは基本的に「Rev.0」(リビジョン0)で作成されています。そのため、英語版が後に改訂され、複数製品のデータシートがひとつに統一された場合、同じ「Rev.0」の日本語版のデータシートが異なる製品のデータシートとして表示されることがあります。たとえば、「ADM3307E」の場合、日本語データシートをクリックすると「ADM3311E」が表示されます。これは、英語版のデータシートが複数の製品で共有できるように1本化され、「ADM3307E/ADM3310E/ADM3311E/ADM3312E/ADM3315E」(Rev.J)と改訂されたからで、決して誤ってリンクが張られているわけではありません。和文化されたデータシートを少しでも有効に活用していただくためにこのような方法をとっておりますので、ご了解ください。

アナログ・デバイセズ社は、提供する情報が正確で信頼できるものであることを期していますが、その情報の利用に関して、あるいはその利用によって生じる第三者の特許やその他の権利の侵害に関して一切の責任を負いません。また、アナログ・デバイセズ社の特許または特許の権利の使用を明示的または暗示的に許諾するものでもありません。仕様は予告なしに変更する場合があります。本紙記載の商標および登録商標は、各社の所有に属します。

Viewing:

製品情報

  • 入力電源電圧範囲:1.8V~5.5V
  • 600kHz/1.2MHzの電流モードのステップアップレギュレータ
    パルス負荷に高速過渡応答
    高精度出力電圧:1.5%
    14V、1.9A、0.2ΩのnチャネルMOSFETを内蔵
    高効率:85%を超える
    デジタルソフトスタート
  • 2個の高性能オペアンプ
    出力短絡電流:±150mA
    スルーレート:7.5V/µs
    12MHz、-3dBの帯域幅
    レイルトゥレイル入力/出力
  • 可変遅延付きロジック制御高電圧スイッチ
  • 電源投入シーケンス内蔵
  • 入力電源低電圧ロックアウト
  • 全レギュレータ出力に対するタイマ遅延障害ラッチ
  • 熱過負荷保護
  • MAX8739は、アクティブマトリックス、薄膜トランジスタ(TFT)、液晶ディスプレイ(LCD)用の1個の高性能ステップアップレギュレータと2個の大電流オペアンプを内蔵しています。MAX8739の入力電源電圧範囲は1.8V~5.5Vです。また、このデバイスは可変遅延付きロジック制御高電圧スイッチも内蔵しています。

    このステップアップDC-DCコンバータは、パネルのソースドライバICに安定化電源電圧を供給します。このコンバータは高周波(600kHz/1.2MHz)、電流モードレギュレータで、超小型インダクタとセラミックコンデンサを使用可能にする14VのnチャネルMOSFETを内蔵しています。また、パルス負荷に対して高速に過渡応答し、85%を超える効率を実現します。

    2個の高性能オペアンプは、LCDバックプレーン(VCOM)やガンマ補正用分圧抵抗列を駆動するように設計されています。このデバイスは、大出力電流(±150mA)、高速スルーレート(7.5V/µs)、広帯域幅(12MHz)、およびレイルトゥレイル入力/出力を備えています。

    MAX8739は、超薄型LCDパネル用に高さ0.8mm (max)の5mm x 5mmの20ピンTQFNパッケージで提供されます。

    アプリケーション

    • LCDモニタパネル
    • ノートブックコンピュータのディスプレイ

    MAX8739
    オペアンプ付き、TFT、LCD、DC-DCコンバータ
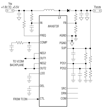
    MAX8739:標準簡易回路
    myAnalogに追加

    myAnalogの製品セクション(通知受け取り)、既存/新規プロジェクトに製品を追加する。

    新規プロジェクトを作成
    質問する
    サポート

    アナログ・デバイセズのサポート・ページはアナログ・デバイセズへのあらゆるご質問にお答えするワンストップ・ポータルです。


    ドキュメント

    さらに詳しく
    myAnalogに追加

    myAnalogのリソース・セクション、既存/新規プロジェクトにメディアを追加する。

    新規プロジェクトを作成

    ソフトウェア・リソース

    必要なソフトウェア/ドライバが見つかりませんか?

    ドライバ/ソフトウェアをリクエスト

    ハードウェア・エコシステム

    製品モデル 製品ライフサイクル 詳細
    スイッチング・レギュレータ & コントローラ 5
    MAX1543 製造中止 TFT LCD DC-to-DC Converter with Operational Amplifiers
    MAX1542 TFT LCD DC-to-DC Converter with Operational Amplifiers
    MAX1516A オペアンプ付き、TFT LCD DC-DCコンバータ
    MAX1517A オペアンプ付き、TFT LCD DC-DCコンバータ
    MAX1518A オペアンプ付き、TFT LCD DC-DCコンバータ
    Modal heading
    myAnalogに追加

    myAnalogの製品セクション(通知受け取り)、既存/新規プロジェクトに製品を追加する。

    新規プロジェクトを作成

    最新のディスカッション

    MAX8739に関するディスカッションはまだありません。意見を投稿しますか?

    EngineerZone®でディスカッションを始める

    最近表示した製品