MAX864

製造中

デュアル出力チャージポンプ、シャットダウン付

バイポーラ出力を生成

利用上の注意

本データシートの英語以外の言語への翻訳はユーザの便宜のために提供されるものであり、リビジョンが古い場合があります。最新の内容については、必ず最新の英語版をご参照ください。

なお、日本語版のデータシートは基本的に「Rev.0」(リビジョン0)で作成されています。そのため、英語版が後に改訂され、複数製品のデータシートがひとつに統一された場合、同じ「Rev.0」の日本語版のデータシートが異なる製品のデータシートとして表示されることがあります。たとえば、「ADM3307E」の場合、日本語データシートをクリックすると「ADM3311E」が表示されます。これは、英語版のデータシートが複数の製品で共有できるように1本化され、「ADM3307E/ADM3310E/ADM3311E/ADM3312E/ADM3315E」(Rev.J)と改訂されたからで、決して誤ってリンクが張られているわけではありません。和文化されたデータシートを少しでも有効に活用していただくためにこのような方法をとっておりますので、ご了解ください。

アナログ・デバイセズ社は、提供する情報が正確で信頼できるものであることを期していますが、その情報の利用に関して、あるいはその利用によって生じる第三者の特許やその他の権利の侵害に関して一切の責任を負いません。また、アナログ・デバイセズ社の特許または特許の権利の使用を明示的または暗示的に許諾するものでもありません。仕様は予告なしに変更する場合があります。本紙記載の商標および登録商標は、各社の所有に属します。

Viewing:

製品情報

  • 僅か4個のコンデンサで動作
  • デュアル出力(正と負)
  • 低入力電圧:+1.75V~+6.0V
  • 1µAのロジック制御シャットダウン電流
  • 周波数が選択可能なため、コンデンサ容量および消費電流の最適化が可能

MAX864は、単一の正入力から正と負の出力を生成するCMOSチャージポンプDC-DC電圧コンバータで、僅か4個のコンデンサしか必要としません。このチャージポンプはまず入力電圧を2倍にし、そして2倍になった電圧を反転します。入力電圧範囲は+1.75V~+6.0Vです。

内部発振器はピン選択によって7kHz~185kHzの範囲で設定できるため、自己消費電流、コンデンサ容量およびスイッチング周波数を最適にバランスすることができます。出力インピーダンスは55Ωで、有効な出力電流は20mAです。MAX864は1µAのロジック制御のシャットダウン機能も備えています。

MAX864は16ピンQSOPパッケージで供給されています。これは標準8ピンSOICと同じボード面積です。スペースの厳しいアプリケーションには、8ピンµMAX®パッケージに入り、ボード面積がMAX864の半分のMAX865をご使用ください。

アプリケーション

  • データ収集
  • LCDパネル
  • 低コスト、低電圧からのスプリット電源
  • 携帯電話の低電圧GaAsFETバイアス
  • アナログ回路のための分離電源
  • 2~4ニッケルセルまたは1 Li+ (リチウムイオン)セルからの分離電源
  • VCOおよびGaAsFET電源

MAX864
デュアル出力チャージポンプ、シャットダウン付
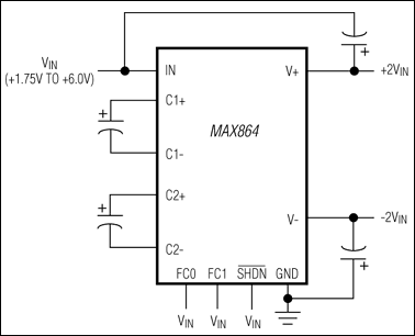
MAX864:標準動作回路
myAnalogに追加

myAnalogの製品セクション(通知受け取り)、既存/新規プロジェクトに製品を追加する。

新規プロジェクトを作成
質問する
サポート

アナログ・デバイセズのサポート・ページはアナログ・デバイセズへのあらゆるご質問にお答えするワンストップ・ポータルです。


ドキュメント

さらに詳しく
myAnalogに追加

myAnalogのリソース・セクション、既存/新規プロジェクトにメディアを追加する。

新規プロジェクトを作成

ソフトウェア・リソース

必要なソフトウェア/ドライバが見つかりませんか?

ドライバ/ソフトウェアをリクエスト

ハードウェア・エコシステム

製品モデル 製品ライフサイクル 詳細
チャージ・ポンプ 1
MAX865 製造中 小型、デュアル出力チャージポンプ
Modal heading
myAnalogに追加

myAnalogの製品セクション(通知受け取り)、既存/新規プロジェクトに製品を追加する。

新規プロジェクトを作成

最新のディスカッション

MAX864に関するディスカッションはまだありません。意見を投稿しますか?

EngineerZone®でディスカッションを始める

最近表示した製品