MAX6879

製造中止

デュアル/トリプル電圧、電源トラッカ/シーケンサ/監視回路

利用上の注意

本データシートの英語以外の言語への翻訳はユーザの便宜のために提供されるものであり、リビジョンが古い場合があります。最新の内容については、必ず最新の英語版をご参照ください。

なお、日本語版のデータシートは基本的に「Rev.0」(リビジョン0)で作成されています。そのため、英語版が後に改訂され、複数製品のデータシートがひとつに統一された場合、同じ「Rev.0」の日本語版のデータシートが異なる製品のデータシートとして表示されることがあります。たとえば、「ADM3307E」の場合、日本語データシートをクリックすると「ADM3311E」が表示されます。これは、英語版のデータシートが複数の製品で共有できるように1本化され、「ADM3307E/ADM3310E/ADM3311E/ADM3312E/ADM3315E」(Rev.J)と改訂されたからで、決して誤ってリンクが張られているわけではありません。和文化されたデータシートを少しでも有効に活用していただくためにこのような方法をとっておりますので、ご了解ください。

アナログ・デバイセズ社は、提供する情報が正確で信頼できるものであることを期していますが、その情報の利用に関して、あるいはその利用によって生じる第三者の特許やその他の権利の侵害に関して一切の責任を負いません。また、アナログ・デバイセズ社の特許または特許の権利の使用を明示的または暗示的に許諾するものでもありません。仕様は予告なしに変更する場合があります。本紙記載の商標および登録商標は、各社の所有に属します。

Viewing:

製品情報

  • 最大3つの電源電圧に対して端子選択可能なトラッキングまたはシーケンシング制御
  • コンデンサで調整可能な電源投入/切断時のトラッキングスルーレート
  • コンデンサで調整可能な電源投入シーケンシング遅延
  • 内蔵チャージポンプによって外付け各nチャネルFETをエンハンス
  • コンデンサで調整可能なタイムアウト期間パワーグッド出力(MAX6877/MAX6878)
  • 調整可能な低電圧ロックアウトまたはロジックイネーブル入力
  • 出力ごとの内蔵100Ωプルダウンによって容量性負荷を急速に放電
  • 定格IN_/OUT_範囲:0.5V~5.5V
  • 動作電圧範囲:2.7V~5.5V
  • 短い電圧トランジェントによる影響なし
  • 小型、24ピンまたは16ピンTQFNパッケージ(4mm x 4mm)

MAX6877/MAX6878/MAX6879はマルチ電圧、電源トラッカ/シーケンサ/監視回路であり、最大3つのシステム電圧を監視し、電圧トラッキングまたは電圧シーケンシングを必要とするシステムに対して適切な電源投入/電源切断制御を行います。これらのデバイスによって、指定範囲内に電圧トラッキングを制御するか、またはシステム電源がイネーブルされたとき、適切な順序の電圧シーケンシングが可能となります。MAX6877/MAX6878/MAX6879は、OUT1/OUT2/OUT3電源電圧用に最大3個の外付けnチャネルパスFETを制御するのに必要なすべての電圧とタイミングを生成します(各デバイスの機能の相違については、「選択ガイド(Selector Guide)」を参照してください)。

MAX6877/MAX6878/MAX6879は、入力電源ごとに調整可能な低電圧スレッショルドを備えています。すべての電圧がこれらの調整可能なスレッショルドを上回ると、デバイスは外付けの各nチャネルMOSFETをオンにして、システムへの電圧のシーケンシングまたはトラッキングを行います。電圧トラッキングモードの場合は、制御されたスルーレートで全電源を徐々に立ち上げるように各MOSFETのGATE電圧が上昇します。MAX6877/MAX6878/MAX6879は、コンデンサで調整されたタイミングを備えるラッチオフモードまたは自動再試行モードを装備しています。

また、システムが正常にシャットオフすると、これらのデバイスは制御された電源切断(トラッキングモード)を行います。予期しない障害が発生すると、MOSFETのソースの容量性負荷の放電を促進するために内部の100Ωプルダウンを使って各出力は同時にすべてプルダウンされます。MAX6877/MAX6878/MAX6879は、大通過電流で低電圧降下となるように外部FETを十分にエンハンスする個別のチャージポンプを内蔵しています。また、MAX6877およびMAX6878は、システムリセットに使用することができる選択可能なタイムアウト期間付きのパワーグッド出力も備えています。

MAX6877/MAX6878/MAX6879は4mm x 4mmの小型、24ピンおよび16ピンTQFNパッケージで提供され、拡張動作温度範囲(-40℃~+85℃)での動作が完全保証されています。

アプリケーション

  • マルチ電圧システム
  • ネットワーキングシステム
  • サーバ/ワークステーション
  • ストレージ機器
  • テレコム

MAX6879
デュアル/トリプル電圧、電源トラッカ/シーケンサ/監視回路
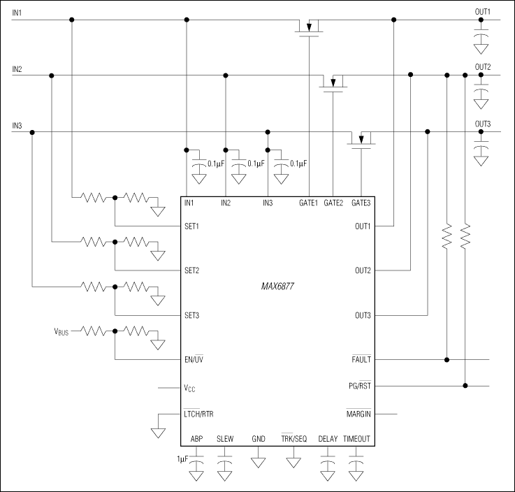
MAX6877、MAX6878、MAX6879:標準アプリケーション回路
myAnalogに追加

myAnalogの製品セクション(通知受け取り)、既存/新規プロジェクトに製品を追加する。

新規プロジェクトを作成
質問する
サポート

アナログ・デバイセズのサポート・ページはアナログ・デバイセズへのあらゆるご質問にお答えするワンストップ・ポータルです。


ドキュメント

さらに詳しく
myAnalogに追加

myAnalogのリソース・セクション、既存/新規プロジェクトにメディアを追加する。

新規プロジェクトを作成

ソフトウェア・リソース

必要なソフトウェア/ドライバが見つかりませんか?

ドライバ/ソフトウェアをリクエスト

評価用キット

MAX6877EVKIT

MAX6877の評価キット

機能と利点

  • 電源投入/電源切断時に最大3個の電源を電圧トラッキング
  • 入力電圧スレッショルドを1.05V、1.58V、および2.93Vに設定可能
  • タイミングパラメータを設定可能
  • 回路監視用の出力信号
  • 最大10Aのチャネル電流能力
  • 完全実装および試験済み

製品詳細

MAX6877の評価キット(EVキット)は、コントローラMAX6877の機能を検証する実装および試験済みの完全総合マルチ電圧電源トラッカ/シーケンサ/監視コントローラ回路です。MAX6877によって、電源投入時に最大3個の電源出力の電圧トラッキングまたはシーケンシングの制御、電源切断時に電圧制御が実現します。電圧トラッキングによって電源の全出力電圧は同じ速度で立上り、または立下り、他方、電圧シーケンシングは入力電圧が安定化すると各出力を順番にオンにします。このEVキット回路は、障害状態とパワーグッド状態をそれぞれ示すアクティブローFAULTおよびPG/アクティブローRST出力信号を備えています。この回路のタイミングパラメータと電圧スレッショルドは変更することができます。このEVキットボードは、1チャネル当り最大10Aを処理するように設計されています。

アプリケーション

  • マルチ電圧システム
  • ネットワーキングシステム
  • サーバ/ワークステーション
  • ストレージ機器
  • テレコム

MAX6877EVKIT
MAX6877の評価キット

最新のディスカッション

MAX6879に関するディスカッションはまだありません。意見を投稿しますか?

EngineerZone®でディスカッションを始める

最近表示した製品