MAX6694

製造中

ベータ補償内蔵、5チャネル高精度温度モニタ

1つのローカル温度およびサブ65nmによる低ベータ・サーマルトランジスタなどの4つのリモート温度を監視

利用上の注意

本データシートの英語以外の言語への翻訳はユーザの便宜のために提供されるものであり、リビジョンが古い場合があります。最新の内容については、必ず最新の英語版をご参照ください。

なお、日本語版のデータシートは基本的に「Rev.0」(リビジョン0)で作成されています。そのため、英語版が後に改訂され、複数製品のデータシートがひとつに統一された場合、同じ「Rev.0」の日本語版のデータシートが異なる製品のデータシートとして表示されることがあります。たとえば、「ADM3307E」の場合、日本語データシートをクリックすると「ADM3311E」が表示されます。これは、英語版のデータシートが複数の製品で共有できるように1本化され、「ADM3307E/ADM3310E/ADM3311E/ADM3312E/ADM3315E」(Rev.J)と改訂されたからで、決して誤ってリンクが張られているわけではありません。和文化されたデータシートを少しでも有効に活用していただくためにこのような方法をとっておりますので、ご了解ください。

アナログ・デバイセズ社は、提供する情報が正確で信頼できるものであることを期していますが、その情報の利用に関して、あるいはその利用によって生じる第三者の特許やその他の権利の侵害に関して一切の責任を負いません。また、アナログ・デバイセズ社の特許または特許の権利の使用を明示的または暗示的に許諾するものでもありません。仕様は予告なしに変更する場合があります。本紙記載の商標および登録商標は、各社の所有に属します。

Viewing:

製品情報

  • 4つのサーマルダイオード入力
  • ベータ補償(チャネル1)
  • ローカル温度センサ
  • リモート温度精度:1.5℃ (+60℃~+100℃)
  • POR時に温度監視を開始するフェイルセーフシステム保護
  • 割込み、スロットル、およびシャットダウン用のアクティブローALERTとアクティブローOVERT出力
  • ハードウェアスタンバイモード用のアクティブローSTBY入力
  • 小型16ピンTSSOPおよびTQFNパッケージ
  • 2線式SMBusインタフェース

高精度マルチチャネル温度センサのMAX6694は、自身の温度、および最大4つの外付けダイオード接続トランジスタの温度を監視します。各温度チャネルは、プログラマブルなアラートスレッショルドを備えています。チャネル1および4は、プログラマブルな温度過昇スレッショルドも備えています。チャネルの測定対象の温度が各スレッショルドを上回ると、ステータスビットがステータスレジスタのいずれかに設定されます。2つのオープンドレイン出力、アクティブローOVERTとアクティブローALERTは、ステータスレジスタ内のこれらのビットに応答してアサートします。

2線式シリアルインタフェースは、標準的なSystem Management Bus (SMBus™)のWrite Byte、Read Byte、Send Byte、およびReceive Byteの各プロトコルをサポートし、温度データを読み取り、アラームスレッショルドをプログラミングします。

MAX6694は、-40℃~+125℃の動作温度範囲が保証され、16ピンTSSOPパッケージ、および5mm x 5mmの16ピンTQFNパッケージで提供されます。

アプリケーション

  • デスクトップコンピュータ
  • ノートブックコンピュータ
  • サーバ
  • ワークステーション

MAX6694
ベータ補償内蔵、5チャネル高精度温度モニタ
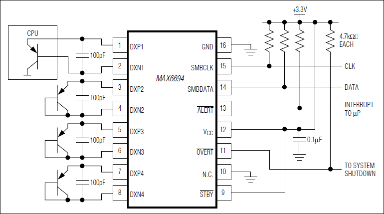
MAX6694:標準アプリケーション回路
myAnalogに追加

myAnalogの製品セクション(通知受け取り)、既存/新規プロジェクトに製品を追加する。

新規プロジェクトを作成
質問する
サポート

アナログ・デバイセズのサポート・ページはアナログ・デバイセズへのあらゆるご質問にお答えするワンストップ・ポータルです。


ドキュメント

さらに詳しく
myAnalogに追加

myAnalogのリソース・セクション、既存/新規プロジェクトにメディアを追加する。

新規プロジェクトを作成

ソフトウェア・リソース

デバイス・ドライバ 1

最新のディスカッション

MAX6694に関するディスカッションはまだありません。意見を投稿しますか?

EngineerZone®でディスカッションを始める

最近表示した製品