MAX5970

製造中

10ビット電流および電圧モニタおよび4つのLEDドライバ内蔵、0~16V、デュアルホットスワップコントローラ

業界初、最低0Vまで動作し、電圧および電流モニタを内蔵する、デュアル、ホットスワップコントローラ

利用上の注意

本データシートの英語以外の言語への翻訳はユーザの便宜のために提供されるものであり、リビジョンが古い場合があります。最新の内容については、必ず最新の英語版をご参照ください。

なお、日本語版のデータシートは基本的に「Rev.0」(リビジョン0)で作成されています。そのため、英語版が後に改訂され、複数製品のデータシートがひとつに統一された場合、同じ「Rev.0」の日本語版のデータシートが異なる製品のデータシートとして表示されることがあります。たとえば、「ADM3307E」の場合、日本語データシートをクリックすると「ADM3311E」が表示されます。これは、英語版のデータシートが複数の製品で共有できるように1本化され、「ADM3307E/ADM3310E/ADM3311E/ADM3312E/ADM3315E」(Rev.J)と改訂されたからで、決して誤ってリンクが張られているわけではありません。和文化されたデータシートを少しでも有効に活用していただくためにこのような方法をとっておりますので、ご了解ください。

アナログ・デバイセズ社は、提供する情報が正確で信頼できるものであることを期していますが、その情報の利用に関して、あるいはその利用によって生じる第三者の特許やその他の権利の侵害に関して一切の責任を負いません。また、アナログ・デバイセズ社の特許または特許の権利の使用を明示的または暗示的に許諾するものでもありません。仕様は予告なしに変更する場合があります。本紙記載の商標および登録商標は、各社の所有に属します。

Viewing:

製品情報

  • 2つの独立したホットスワップコントローラの動作:0V~+16V
  • 10ビットADCによって各チャネルの電圧と電流を監視
  • 循環バッファは5msの電流と電圧測定値を保存
  • 2つの独立した内蔵チャージポンプによってnチャネルMOSFETゲート駆動を生成
  • 高速シャットダウン用の500mAゲートプルダウン電流内蔵
  • VariableSpeed/BiLevel™回路ブレーカ保護
  • 独立した高精度電圧イネーブル入力
  • アラート出力によってフォルトと警告状態を表示
  • 独立したパワーグッド出力
  • 独立したフォルト出力
  • 4つのオープンドレイン出力シンク25mAによってLEDを直接駆動
  • 設定可能なLEDフラッシュ機能
  • オートリトライまたはラッチを備えたフォルト管理
  • 400kHz I²Cインタフェース
  • 6mm x 6mmの小型36ピンTQFN-EPパッケージ

デュアルホットスワップコントローラのMAX5970は、0V~+16Vの2つの電源電圧を備えるシステムに完全な保護を提供します。MAX5970は、4つの設定可能なLED出力を備えています。2つのホットスワップチャネルは、独立したホットスワップコントローラとして、または1つのチャネルにフォルトが発生すると両チャネルがシャットダウンするペア動作として構成することができます。

MAX5970は、2レベルの設定可能な過電流回路ブレーカ保護として、高速ターンオフ用の高速トリップスレッショルドと遅延ターンオフ用の低速トリップスレッショルドを提供します。最大過電流回路ブレーカスレッショルド範囲は、3レベルロジック入力IRNG_によるか、I²Cインタフェースからプログラミングすることによって、チャネルごとに個別に設定されます。

MAX5970は、10kspsで両ホットスワップチャネルの出力電圧と電流を変換するために連続的に多重化される内蔵の10ビットADC電圧と電流を監視する高性能ホットスワップコントローラです。各10ビットサンプルは、内蔵の循環バッファに保存され、各信号の過去50個分のサンプルを随時またはフォルト状態の発生後にI²Cインタフェースから呼び出して確認することができます。

このデバイスは、ホットスワップのチャネル当り5つのユーザー設定可能なディジタルコンパレータを内蔵し、過電流警告、および2レベルの過電圧/低電圧検出を内蔵しています。測定値のいずれかが設定可能な制限に違反すると、外部アクティブローALERT出力がアサートされます。アクティブローALERT信号に加えて、MAX5970はパワーグッド信号をデアサート、および/または外付けMOSFETをターンオフすることができます。

MAX5970は、4つのI/Oを備えており、汎用入力/出力(GPIO)として、または点滅設定可能なオープンドレインLEDドライバとして個別に構成することができます。これら4つのI/Oは、LEDドライバとGPIO機能のあらゆる組み合わせで構成することができます。

MAX5970は、36ピンTQFN-EPパッケージで提供され、-40℃~+85℃の拡張温度範囲で動作します。

アプリケーション

  • ブレードサーバ
  • ディスクドライブ/DASD/ストレージシステム
  • シングルPCI Express®ホットプラグスロット
  • 独立コアおよびI/O電圧のASIC、FPGA、およびマイクロコントローラ用ソフトスイッチ

MAX5970
10ビット電流および電圧モニタおよび4つのLEDドライバ内蔵、0~16V、デュアルホットスワップコントローラ
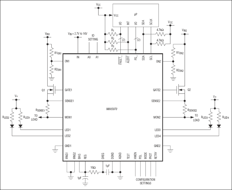
MAX5970:標準アプリケーション回路
myAnalogに追加

myAnalogの製品セクション(通知受け取り)、既存/新規プロジェクトに製品を追加する。

新規プロジェクトを作成
質問する
サポート

アナログ・デバイセズのサポート・ページはアナログ・デバイセズへのあらゆるご質問にお答えするワンストップ・ポータルです。


ドキュメント

さらに詳しく
myAnalogに追加

myAnalogのリソース・セクション、既存/新規プロジェクトにメディアを追加する。

新規プロジェクトを作成

ソフトウェア・リソース

必要なソフトウェア/ドライバが見つかりませんか?

ドライバ/ソフトウェアをリクエスト

ツールおよびシミュレーション

ソフトウェア開発 1


評価用キット

MAX5970EVKIT

MAX5970の評価キット

機能と利点

  • 起動後2つの個別0~16V電源を安全にホットスワップ
  • Windows 2000、Windows XP、およびWindows Vista (32ビット)対応のソフトウェア
  • I²Cコマンドを生成するマイクロコントローラ内蔵
  • 使いやすいメニュー方式のソフトウェア
  • USB-PC接続(ケーブル同梱)

製品詳細

MAX5970の評価キット(EVキット)は、0~16Vの2つの電源電圧を備えたシステムの保護を提供するデュアルホットスワップコントローラのMAX5970の評価に使用される実装および試験済みPCBです。内蔵のマイクロコントローラは、ユニバーサルシリアルバス(USB)ポートからPCに接続され、I²Cマスターとして動作します。

このEVキットは、Windows® 2000、Windows XP®、およびWindows Vista®対応のソフトウェアも備えており、MAX5970の各機能を実行するシンプルなグラフィカルユーザインタフェース(GUI)を提供します。このプログラムは、メニュー方式で、制御ボタンとステータス表示を完備したグラフィカルユーザインタフェース(GUI)を提供します。このEVキットには、MAX5970ETX+が実装されています。

アプリケーション

  • ブレードサーバ
  • ディスクドライブ/DASD/ストレージシステム
  • シングルPCI Express®ホットプラグスロット
  • 独立コアおよびI/O電圧のASIC、FPGA、およびマイクロコントローラ用ソフトスイッチ

MAX5970EVKIT
MAX5970の評価キット

最新のディスカッション

MAX5970に関するディスカッションはまだありません。意見を投稿しますか?

EngineerZone®でディスカッションを始める

最近表示した製品