MAX5963

製造中止

デュアル、7.5V~76V、ホットスワップおよびダイオードORingコントローラ

業界初、7.5V~76V、ホットスワップおよびダイオードORingコントローラ

利用上の注意

本データシートの英語以外の言語への翻訳はユーザの便宜のために提供されるものであり、リビジョンが古い場合があります。最新の内容については、必ず最新の英語版をご参照ください。

なお、日本語版のデータシートは基本的に「Rev.0」(リビジョン0)で作成されています。そのため、英語版が後に改訂され、複数製品のデータシートがひとつに統一された場合、同じ「Rev.0」の日本語版のデータシートが異なる製品のデータシートとして表示されることがあります。たとえば、「ADM3307E」の場合、日本語データシートをクリックすると「ADM3311E」が表示されます。これは、英語版のデータシートが複数の製品で共有できるように1本化され、「ADM3307E/ADM3310E/ADM3311E/ADM3312E/ADM3315E」(Rev.J)と改訂されたからで、決して誤ってリンクが張られているわけではありません。和文化されたデータシートを少しでも有効に活用していただくためにこのような方法をとっておりますので、ご了解ください。

アナログ・デバイセズ社は、提供する情報が正確で信頼できるものであることを期していますが、その情報の利用に関して、あるいはその利用によって生じる第三者の特許やその他の権利の侵害に関して一切の責任を負いません。また、アナログ・デバイセズ社の特許または特許の権利の使用を明示的または暗示的に許諾するものでもありません。仕様は予告なしに変更する場合があります。本紙記載の商標および登録商標は、各社の所有に属します。

Viewing:

製品情報

  • 2つの7.5V~76V電源をホットスワップ
  • 低電圧ドロップORingコントローラ内蔵
  • ±5%の精度、バイレベルのアクティブ電流制限/サーキットブレーカー
  • 設定可能な電流制限/サーキットブレーカータイムアウト
  • 10µAの電源オフモード電流
  • 最大2つのFireWireポートを保護
  • システム電源オン/オフORing
  • ラッチオフまたは自動リトライ電源管理
  • 独立したON/OFF制御が低電圧ロックアウト設定を実現
  • FOSO入力(FireWireポート)による高速負荷切断

デュアルホットスワップおよびダイオードORingコントローラのMAX5963は、デュアル電源の高可用性システムに完全な保護を提供します。このデバイスは7.5V~76Vで動作し、2つの7.5V~76V出力にホットスワップおよび低電圧ドロップダイオードORing機能を提供します。

MAX5963は、突入電流制御およびアクティブ電流制限を提供することによって、通電中のバックプレーンからのシステムラインカードおよびFireWire®周辺機器の安全な挿抜を実現します。このデバイスは外付けnチャネルパワーMOSFETを制御し、低電圧ドロップORing、突入電流制御、および電流制限機能を提供します。電流制限機能は、負荷に供給される電流をアクティブに制限し、負荷を短絡状態から保護します。MAX5963は、設定可能なサーキットブレーカータイムアウトの間、負荷電流がサーキットブレーカー制限値を超えた場合に負荷への電源を切断するサーキットブレーカー機能も特長としています。

MAX5963は、自動リトライ/ラッチオフ入力を特長としています。自動リトライモードでは、MAX5963は、設定可能な遅延の後、オフになったチャネルを自動的に起動します。ラッチオフモードでは、MAX5963はチャネルをラッチオフにします。

MAX5963は、システムパワーオフモードでは、PWR電源から消費されるのは10µA未満です。

MAX5963は、40ピンTQFNパッケージ(6mm x 6mm)で提供され、0℃~+85℃上の民生用温度範囲で動作します。

アプリケーション

  • 基地局用ラインカード
  • ブレードサーバ
  • FireWireデスクトップ/ノートブックポート
  • FireWireハブ
  • ネットワークスイッチ/ルータ

MAX5963
デュアル、7.5V~76V、ホットスワップおよびダイオードORingコントローラ
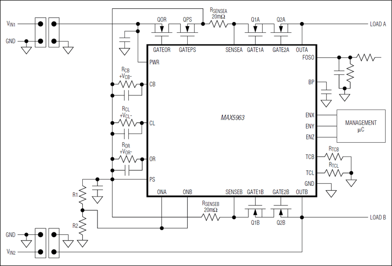
MAX5963:標準動作回路
myAnalogに追加

myAnalogの製品セクション(通知受け取り)、既存/新規プロジェクトに製品を追加する。

新規プロジェクトを作成
質問する
サポート

アナログ・デバイセズのサポート・ページはアナログ・デバイセズへのあらゆるご質問にお答えするワンストップ・ポータルです。


ドキュメント

さらに詳しく
myAnalogに追加

myAnalogのリソース・セクション、既存/新規プロジェクトにメディアを追加する。

新規プロジェクトを作成

ソフトウェア・リソース

必要なソフトウェア/ドライバが見つかりませんか?

ドライバ/ソフトウェアをリクエスト

最新のディスカッション

MAX5963に関するディスカッションはまだありません。意見を投稿しますか?

EngineerZone®でディスカッションを始める

最近表示した製品