MAX5168N

32チャネル、サンプル/ホールドアンプ、単一マルチプレックスド入力

利用上の注意

本データシートの英語以外の言語への翻訳はユーザの便宜のために提供されるものであり、リビジョンが古い場合があります。最新の内容については、必ず最新の英語版をご参照ください。

なお、日本語版のデータシートは基本的に「Rev.0」(リビジョン0)で作成されています。そのため、英語版が後に改訂され、複数製品のデータシートがひとつに統一された場合、同じ「Rev.0」の日本語版のデータシートが異なる製品のデータシートとして表示されることがあります。たとえば、「ADM3307E」の場合、日本語データシートをクリックすると「ADM3311E」が表示されます。これは、英語版のデータシートが複数の製品で共有できるように1本化され、「ADM3307E/ADM3310E/ADM3311E/ADM3312E/ADM3315E」(Rev.J)と改訂されたからで、決して誤ってリンクが張られているわけではありません。和文化されたデータシートを少しでも有効に活用していただくためにこのような方法をとっておりますので、ご了解ください。

アナログ・デバイセズ社は、提供する情報が正確で信頼できるものであることを期していますが、その情報の利用に関して、あるいはその利用によって生じる第三者の特許やその他の権利の侵害に関して一切の責任を負いません。また、アナログ・デバイセズ社の特許または特許の権利の使用を明示的または暗示的に許諾するものでもありません。仕様は予告なしに変更する場合があります。本紙記載の商標および登録商標は、各社の所有に属します。

Viewing:

製品情報

  • 32チャネルサンプル/ホールド
  • 収集信号精度:0.01%
  • 直線性誤差:0.01%
  • 高速アクイジション時間:2.5µs
  • 低ドループレート:1mV/s
  • 低ホールドステップ:0.25mV
  • 広出力電圧範囲:+7V~-4V

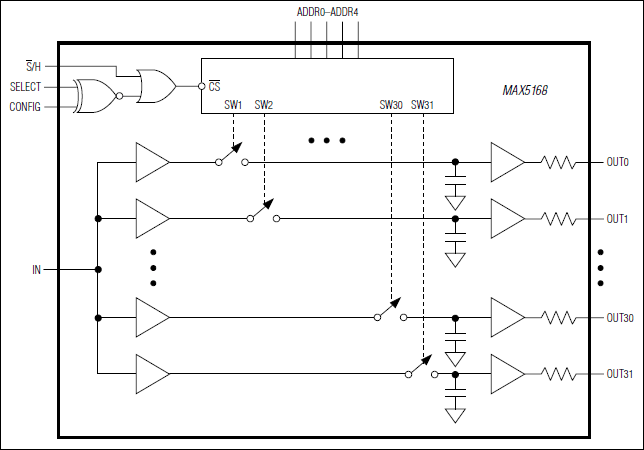
MAX5168は、32個のサンプル/ホールドアンプおよび4個の1:8マルチプレクサで構成されています。マルチプレクサとサンプル/ホールドアンプを制御するロジックは、4個のマルチプレクサを組み合わせて各出力に1つのサンプル/ホールドを持つ統合された1つの1:32マルチプレクサを形成します。追加のロジックを使用すると、2つの装置を単一の64チャネルデバイスとして機能させることができます。MAX5168は、50Ω、500Ω、または1kΩの出力インピーダンスで使用できます。

MAX5168は+10Vと-5Vの電源、および個別の+5Vのディジタルロジック電源で動作します。独自のBiCMOSプロセスを使用して製造されたMAX5168は、高精度、高速アクイジション時間、低ドループレート、および低ホールドステップを実現します。MAX5168の直線性誤差は0.01%未満(typ)で、+7V~-4Vの入力信号範囲内において0.01%の精度で2.5µsに8Vのステップ入力信号を正確に収集できます。サンプルモードからホールドモードへの遷移における誤差は僅か0.5mVです。ホールドモード中は、出力電圧が1mV/sの速度でゆっくりとドループします。

MAX5168は48ピンTQFPパッケージで提供され、民生用(0℃~+70℃)および拡張工業用(-40℃~+85℃)の温度範囲のものが用意されています。

アプリケーション

  • 任意関数発生器
  • 自動試験装置(ATE)
  • アビオニクスおよび軍事用システム
  • 産業用プロセス制御

MAX5168N
32チャネル、サンプル/ホールドアンプ、単一マルチプレックスド入力
MAX5168:ファンクションダイアグラム
myAnalogに追加

myAnalogの製品セクション(通知受け取り)、既存/新規プロジェクトに製品を追加する。

新規プロジェクトを作成
質問する
サポート

アナログ・デバイセズのサポート・ページはアナログ・デバイセズへのあらゆるご質問にお答えするワンストップ・ポータルです。


ドキュメント

さらに詳しく
myAnalogに追加

myAnalogのリソース・セクション、既存/新規プロジェクトにメディアを追加する。

新規プロジェクトを作成

ソフトウェア・リソース

必要なソフトウェア/ドライバが見つかりませんか?

ドライバ/ソフトウェアをリクエスト

最新のディスカッション

MAX5168Nに関するディスカッションはまだありません。意見を投稿しますか?

EngineerZone®でディスカッションを始める

最近表示した製品