MAX3984

新規設計には非推奨

受信イコライザ付き、1Gbps~10Gbpsプリエンファシスドライバ

8.5Gbps、10Gbpsの銅線相互接続のジッタを低減するケーブルドライバ

利用上の注意

本データシートの英語以外の言語への翻訳はユーザの便宜のために提供されるものであり、リビジョンが古い場合があります。最新の内容については、必ず最新の英語版をご参照ください。

なお、日本語版のデータシートは基本的に「Rev.0」(リビジョン0)で作成されています。そのため、英語版が後に改訂され、複数製品のデータシートがひとつに統一された場合、同じ「Rev.0」の日本語版のデータシートが異なる製品のデータシートとして表示されることがあります。たとえば、「ADM3307E」の場合、日本語データシートをクリックすると「ADM3311E」が表示されます。これは、英語版のデータシートが複数の製品で共有できるように1本化され、「ADM3307E/ADM3310E/ADM3311E/ADM3312E/ADM3315E」(Rev.J)と改訂されたからで、決して誤ってリンクが張られているわけではありません。和文化されたデータシートを少しでも有効に活用していただくためにこのような方法をとっておりますので、ご了解ください。

アナログ・デバイセズ社は、提供する情報が正確で信頼できるものであることを期していますが、その情報の利用に関して、あるいはその利用によって生じる第三者の特許やその他の権利の侵害に関して一切の責任を負いません。また、アナログ・デバイセズ社の特許または特許の権利の使用を明示的または暗示的に許諾するものでもありません。仕様は予告なしに変更する場合があります。本紙記載の商標および登録商標は、各社の所有に属します。

Viewing:

製品情報

  • 最長10mの24 AWGケーブルを駆動
  • 最長30インチのFR-4を駆動
  • 選択可能な1000mVP-Pまたは1200mVP-P差動出力振幅
  • 選択可能な出力プリエンファシス
  • 選択可能な入力イコライゼーション
  • 内蔵スケルチによるLOS検出
  • 送信ディセーブル
  • ホットプラグ可能

MAX3984は、単一チャネル、プリエンファシスドライバで、1Gbps~10.3Gbpsで動作する入力イコライズ機能を備えています。このデバイスは、銅線リンク(8.5Gbpsファイバチャネルおよび10.3Gbps Ethernetなど)用の補償を提供し、24 AWGケーブルで最長10mまでの距離が可能になります。このドライバは、4種の選択可能なプリエンファシスレベルを備え、選択可能な入力イコライザによって、10Gbpsで最大10インチのFR-4回路ボード基板を補償します。

また、MAX3984は、SFP対応LOS (信号喪失)検出とTX_DISABLEも備えています。出力振幅が選択可能であるためEMIと消費電力が低減されます。MAX3984は、鉛フリーで3mm x 3mmの16ピンTQFNパッケージで提供され、0℃~+85℃の温度範囲で動作します。

アプリケーション

  • 10.3Gbpsイーサネット
  • 8.5Gbpsファイバチャネル
  • アクティブケーブルアセンブリ
  • STM-64

MAX3984
受信イコライザ付き、1Gbps~10Gbpsプリエンファシスドライバ
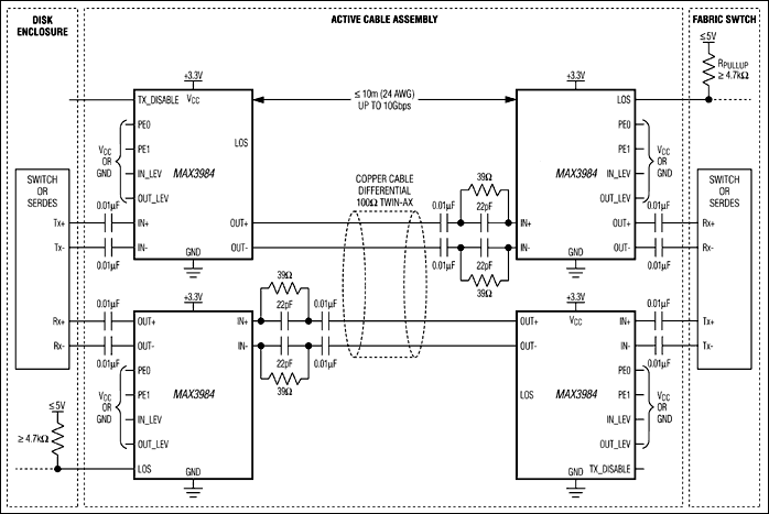
MAX3984:標準動作回路
myAnalogに追加

myAnalogの製品セクション(通知受け取り)、既存/新規プロジェクトに製品を追加する。

新規プロジェクトを作成
質問する
サポート

アナログ・デバイセズのサポート・ページはアナログ・デバイセズへのあらゆるご質問にお答えするワンストップ・ポータルです。


ドキュメント

さらに詳しく
myAnalogに追加

myAnalogのリソース・セクション、既存/新規プロジェクトにメディアを追加する。

新規プロジェクトを作成

評価用キット

MAX3984EVKIT

MAX3984の評価キット

機能と利点

  • 完全実装および試験済み
  • 完全な電気的評価が可能

製品詳細

MAX3984の評価キット(EVキット)は、受信イコライザ付き1Gbps~10GbpsプリエンファシスドライバのMAX3984の総合的評価を提供する完全実装および試験済み検証用ボードです。

アプリケーション

  • 10.3Gbpsイーサネット
  • 8.5Gbpsファイバチャネル
  • アクティブケーブルアセンブリ
  • STM-64

MAX3984EVKIT
MAX3984の評価キット

最新のディスカッション

MAX3984に関するディスカッションはまだありません。意見を投稿しますか?

EngineerZone®でディスカッションを始める

最近表示した製品