MAX34561

製造中

12V/5Vホットプラグスイッチ

超高集積の12V/5Vホットプラグソリューションを提供

利用上の注意

本データシートの英語以外の言語への翻訳はユーザの便宜のために提供されるものであり、リビジョンが古い場合があります。最新の内容については、必ず最新の英語版をご参照ください。

なお、日本語版のデータシートは基本的に「Rev.0」(リビジョン0)で作成されています。そのため、英語版が後に改訂され、複数製品のデータシートがひとつに統一された場合、同じ「Rev.0」の日本語版のデータシートが異なる製品のデータシートとして表示されることがあります。たとえば、「ADM3307E」の場合、日本語データシートをクリックすると「ADM3311E」が表示されます。これは、英語版のデータシートが複数の製品で共有できるように1本化され、「ADM3307E/ADM3310E/ADM3311E/ADM3312E/ADM3315E」(Rev.J)と改訂されたからで、決して誤ってリンクが張られているわけではありません。和文化されたデータシートを少しでも有効に活用していただくためにこのような方法をとっておりますので、ご了解ください。

アナログ・デバイセズ社は、提供する情報が正確で信頼できるものであることを期していますが、その情報の利用に関して、あるいはその利用によって生じる第三者の特許やその他の権利の侵害に関して一切の責任を負いません。また、アナログ・デバイセズ社の特許または特許の権利の使用を明示的または暗示的に許諾するものでもありません。仕様は予告なしに変更する場合があります。本紙記載の商標および登録商標は、各社の所有に属します。

Viewing:

製品情報

  • +12Vおよび+5V電源レイル用のホットプラグ機能を完全集積
  • DS4560のデュアルバージョン
  • パワーMOSFET (68mΩと43mΩ)内蔵
  • ハイパワーRSENSE抵抗不要
  • 調整可能な電流制限
  • 調整可能な出力電圧スルーレート
  • 調整可能なパワーアップイネーブルタイミング
  • 出力過電圧制限
  • 過熱保護内蔵
  • チャージポンプ内蔵
  • ユーザー選択可能なラッチオフまたは自動リトライ動作

MAX34561は、デュアル、完全集積、自己保護、リセット可能なホットプラグスイッチです。このデバイスは、受電中の12Vおよび5Vバックプレーン上でのカードの安全な挿抜に必要な部品数を減らします。ソリューションサイズを最小化し設計を簡素化するために、このデバイスは、2つの完全なホットスイッチコントローラを単一のパッケージに集積しており、2つの電源の完全な制御を提供します。12V電源は、12V負荷用の68mΩ nチャネルパワーMOSFETを内蔵し、5V電源は、5V負荷用の43mΩ nチャネルパワーMOSFETを内蔵しているため、外付けMOSFETや別のコントローラが不要です。このデバイスは、12Vと5Vレイルの両方で貫通電流を制限する必要があるシステム用に設計され、エンタープライズ向けのハードドライブ、サーバー/ルータ、PCI Express® (PCIe®)およびInfiniBand™アプリケーションや、基地局などのホットスワップアプリケーションに最適です。

内蔵パワーMOSFETは、厳格な保護を備えており、最大2.0Aの連続電流で9V~13.2V電源の負荷を駆動することができ、同様に、5V側では最大2.0Aの連続電流で4V~5.5V電源の負荷を駆動することができます。これらのパワーMOSFETは、アクティブに閉ループ制御され、電力の印加時に調整可能な電流制限を確実に超えないようにします。このデバイスは、印加された電圧のレートで制御し、出力電圧を無条件にクランプして、入力過電圧ストレスが負荷を損傷しないようにします。このデバイスは、負荷ごとに個別の調整可能なパワーアップタイマーを提供しており、これらのタイマーによって、デバイスは、あらかじめ決められた遅延時間の経過後に負荷への電力の印加を開始します。あるいは、このデバイスは、デジタルロジック信号で駆動して外部制御パワーイネーブル機能を実装することもできます。

このデバイスは、各パワーMOSFETにヒステリシスを備えた温度センサーを内蔵しています。動作状態によっていずれかのパワーMOSFETが内部熱制限を上回ると、ピン選択に応じて2つのアクションの1つが行われます。すなわち、パワーMOSFETが無条件にシャットダウンし、ラッチオフしてパワーオンリセットを待つか、あるいは、パワーMOSFETはデバイスがヒステリシス量によって冷却されるまで待ってから再起動します。

アプリケーション

  • 基地局
  • InfiniBand
  • PCI/PCI Express
  • RAID/ハードドライブ
  • サーバ/ルータ

MAX34561
12V/5Vホットプラグスイッチ
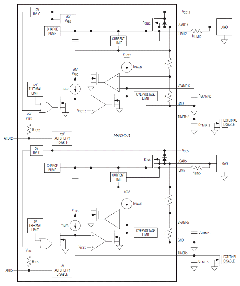
MAX34561:ファンクションダイアグラム
myAnalogに追加

myAnalogの製品セクション(通知受け取り)、既存/新規プロジェクトに製品を追加する。

新規プロジェクトを作成
質問する
サポート

アナログ・デバイセズのサポート・ページはアナログ・デバイセズへのあらゆるご質問にお答えするワンストップ・ポータルです。


ドキュメント

データシート 1

信頼性データ 1

さらに詳しく
myAnalogに追加

myAnalogのリソース・セクション、既存/新規プロジェクトにメディアを追加する。

新規プロジェクトを作成

ソフトウェア・リソース

必要なソフトウェア/ドライバが見つかりませんか?

ドライバ/ソフトウェアをリクエスト

ハードウェア・エコシステム

製品モデル 製品ライフサイクル 詳細
保護スイッチ & コントローラ 1
DS4560 製造中 12Vホットプラグスイッチ
Modal heading
myAnalogに追加

myAnalogの製品セクション(通知受け取り)、既存/新規プロジェクトに製品を追加する。

新規プロジェクトを作成

最新のディスカッション

MAX34561に関するディスカッションはまだありません。意見を投稿しますか?

EngineerZone®でディスカッションを始める

最近表示した製品