MAX25512B

製造中

I2C-Controlled 4-Channel Low-Voltage 120mA LED Backlight Driver with Integrated Boost Converter

利用上の注意

本データシートの英語以外の言語への翻訳はユーザの便宜のために提供されるものであり、リビジョンが古い場合があります。最新の内容については、必ず最新の英語版をご参照ください。

なお、日本語版のデータシートは基本的に「Rev.0」(リビジョン0)で作成されています。そのため、英語版が後に改訂され、複数製品のデータシートがひとつに統一された場合、同じ「Rev.0」の日本語版のデータシートが異なる製品のデータシートとして表示されることがあります。たとえば、「ADM3307E」の場合、日本語データシートをクリックすると「ADM3311E」が表示されます。これは、英語版のデータシートが複数の製品で共有できるように1本化され、「ADM3307E/ADM3310E/ADM3311E/ADM3312E/ADM3315E」(Rev.J)と改訂されたからで、決して誤ってリンクが張られているわけではありません。和文化されたデータシートを少しでも有効に活用していただくためにこのような方法をとっておりますので、ご了解ください。

アナログ・デバイセズ社は、提供する情報が正確で信頼できるものであることを期していますが、その情報の利用に関して、あるいはその利用によって生じる第三者の特許やその他の権利の侵害に関して一切の責任を負いません。また、アナログ・デバイセズ社の特許または特許の権利の使用を明示的または暗示的に許諾するものでもありません。仕様は予告なしに変更する場合があります。本紙記載の商標および登録商標は、各社の所有に属します。

Viewing:

製品情報

  • Operates down to 3V on Battery Input after Startup
    • Wide Boost Duty Cycle to Support Low Input Voltage
  • Boost or SEPIC Current-Mode DC-DC Controller
    • 400kHz to 2.2MHz Operating Frequency Range
    • Spread Spectrum Available
    • Ability to Synchronize to an External Clock
  • LED Current Sinks
    • Up to 120mA Output Current per String with Fine-Adjust DAC for brightness calibration
    • Low OUT_ Regulation Voltage for Best Efficiency
    • Optional Phase-Shifting of Outputs
  • I2C Control for Enhanced Flexibility
  • 16667:1 Dimming Ratio at 200Hz
  • NTC Input for LED Current Foldback at HighTemperature
  • Hybrid Dimming Capable
  • Built-inProgrammable Automatic Fading Functionality
  • Detailed Diagnostic Using I2C and FLTB Output
    • Shorted or Open LEDs
    • Continuous Short-to-GND Monitoring
    • Thermal Shutdown
    • Output Undervoltage
  • Compact, 4mm x 4mm TQFN Package
  • AEC-Q100 Grade 1

The MAX25512B is a 4-channel white LED backlight driver with an integrated current-mode boost converter that operates over a switching frequency range of 400kHz to 2.2MHz and incorporates spread spectrum. Phase-shifting of the output channels is included as an option to further reduce electromagnetic interference (EMI).

The device provides up to 120mA per channel and includes a control output for an external nMOS series switch. It is capable of operating down to 3V after startup. The device is hybrid-dimming-capable and provides a brightness calibration feature through a dedicated DAC. It can benefit from these two functions simultaneously.

The MAX25512B has an I2C interface to enable flexibility of control and detailed diagnostics. The MAX25512B is available in a compact TQFN package and operates over the -40°C to +125°C temperature range.

APPLICATIONS

  • Automotive Instrument Clusters
  • Automotive Central Information Displays
  • Automotive Head-Up Displays

MAX25512B
I2C-Controlled 4-Channel Low-Voltage 120mA LED Backlight Driver with Integrated Boost Converter
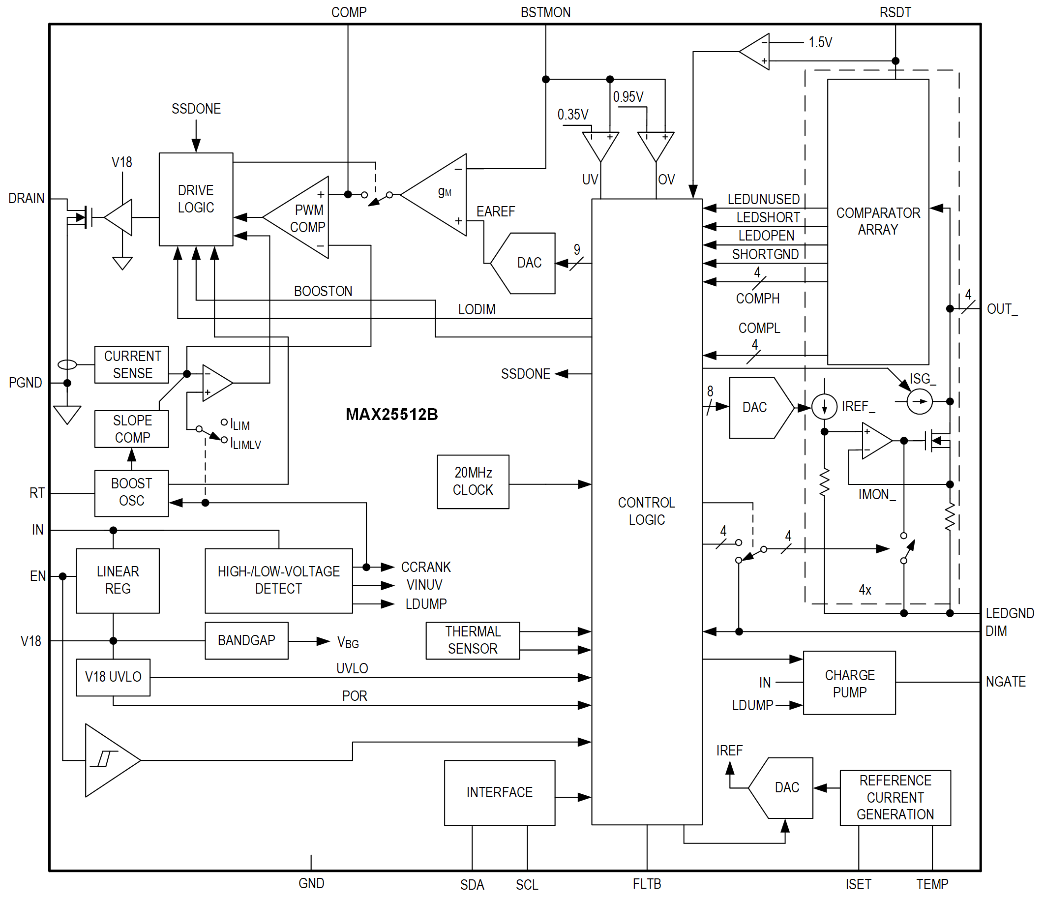
MAX25512B Simplified Block Diagram MAX25512B Pin Configuration
myAnalogに追加

myAnalogの製品セクション(通知受け取り)、既存/新規プロジェクトに製品を追加する。

新規プロジェクトを作成
質問する
サポート

アナログ・デバイセズのサポート・ページはアナログ・デバイセズへのあらゆるご質問にお答えするワンストップ・ポータルです。


ドキュメント

さらに詳しく
myAnalogに追加

myAnalogのリソース・セクション、既存/新規プロジェクトにメディアを追加する。

新規プロジェクトを作成

ソフトウェア・リソース

必要なソフトウェア/ドライバが見つかりませんか?

ドライバ/ソフトウェアをリクエスト

ツールおよびシミュレーション


評価用キット

eval board
MAX25512BEVKIT

MAX25512Bの評価用キット

機能と利点

  • MAX25512Bの堅牢性を実証
  • 3V~36Vの広い入力動作範囲(最大40Vの負荷ダンプ)
  • 自動車やディスプレイ・バックライトに使用される中型から大型のLCDディスプレイ用のHB LED(最大4ストリング)に電力を供給
  • 抵抗により400kHz~2.2MHzの範囲でプログラム可能なスイッチング周波数を採用し、スペクトラム拡散を使用することも可能
  • 位相シフト調光オプション
  • サイクルごとの電流制限とサーマル・シャットダウン機能を実証
  • 広い調光比を実証
  • ハイブリッド調光によるEMI、音響性能、調光比の向上を実証
  • フェード・イン/フェード・アウトによる滑らかな輝度遷移を実証
  • サーマル・フォールドバック機能を実証する設計
  • I2Cプログラマビリティ
  • 専用のGUI
  • 実証済みのPCBと熱設計
  • 完全実装済みおよび試験済み

製品詳細

MAX25512B評価用キット(EVキット)は、MAX25512B(I2Cインターフェースを備えた、車載ディスプレイ用の統合4チャンネル高輝度LED(HB LED)ドライバ)の性能を実証します。

このEVキットは3V~36VのDC電源電圧で動作し、スイッチング周波数は2.2MHzまたは400kHzに設定できます。このEVキットは、I2Cモードでのみ動作するように構成できます。デフォルトではEMI改善のためにスペクトラム拡散モード(SSM)が有効になっていますが、レジスタ・ビットを操作することで無効にできます。このEVキットは、位相シフトされたパルス幅変調(PWM)調光を実証します。調光は、DIM PCBパッドに適用されたPWM信号を使用して外部から行えるほか、必要な調光周波数と個々のデューティ・サイクルをI2C経由でプログラミングすることで内部から行うこともできます。レジスタ・ビットでハイブリッド調光機能をイネーブルすることによりEMIを低減できます。このEVキットは、NTCセンター(同梱なし)またはアナログ調光を使用し、LED電流を温度に応じて制御するフォールドバック・オプションを備えています。I2Cでプログラムできる自動フェーディング機能もあります。

LEDの短絡、LEDの断線、LEDのグラウンドへの短絡、昇圧出力のグラウンドへの短絡/低電圧と過電圧、過熱による故障からの保護も、このEVキットで実証できます。

2.2MHzと400kHz以外のスイッチング周波数で動作させる場合は、このICのデータシートに記載された計算に従って外付け部品を選択する必要があります。

このEVキットには、MINIQUSB+アダプタ・ボードやサードパーティのI2Cコントローラと連携して動作することのできるI2Cインターフェースが備わっています。また、シンプルなグラフィカル・ユーザ・インターフェース(GUI)でICの機能を実行できるWindows®互換のソフトウェアも同梱されています。

MAX25512BEVKIT
MAX25512Bの評価用キット
MAX25512BEVKIT Board Photo Angle View MAX25512BEVKIT Board Photo Top View MAX25512BEVKIT Board Photo Bottom View

最新のディスカッション

MAX25512Bに関するディスカッションはまだありません。意見を投稿しますか?

EngineerZone®でディスカッションを始める

最近表示した製品