MAX1875

製造中

POR付き、デュアル、180°逆位相、PWMステップダウンコントローラ

利用上の注意

本データシートの英語以外の言語への翻訳はユーザの便宜のために提供されるものであり、リビジョンが古い場合があります。最新の内容については、必ず最新の英語版をご参照ください。

なお、日本語版のデータシートは基本的に「Rev.0」(リビジョン0)で作成されています。そのため、英語版が後に改訂され、複数製品のデータシートがひとつに統一された場合、同じ「Rev.0」の日本語版のデータシートが異なる製品のデータシートとして表示されることがあります。たとえば、「ADM3307E」の場合、日本語データシートをクリックすると「ADM3311E」が表示されます。これは、英語版のデータシートが複数の製品で共有できるように1本化され、「ADM3307E/ADM3310E/ADM3311E/ADM3312E/ADM3315E」(Rev.J)と改訂されたからで、決して誤ってリンクが張られているわけではありません。和文化されたデータシートを少しでも有効に活用していただくためにこのような方法をとっておりますので、ご了解ください。

アナログ・デバイセズ社は、提供する情報が正確で信頼できるものであることを期していますが、その情報の利用に関して、あるいはその利用によって生じる第三者の特許やその他の権利の侵害に関して一切の責任を負いません。また、アナログ・デバイセズ社の特許または特許の権利の使用を明示的または暗示的に許諾するものでもありません。仕様は予告なしに変更する場合があります。本紙記載の商標および登録商標は、各社の所有に属します。

Viewing:

製品情報

  • 2つの独立した出力電圧
  • 180°逆位相動作
  • 90°位相差動作(2個のMAX1875/MAX1876を使用)
  • フォールドバック電流制限
  • 入力電源範囲:4.75V~23V
  • 出力電圧範囲:0~18V (最大10A)
  • 効率:90%以上
  • 固定周波数パルス幅変調(PWM)動作
  • 可変スイッチング周波数:100kHz~600kHz
  • 外部同期入力
  • マスタとスレーブの同期用クロック出力
  • ソフトスタートおよびソフトストップ
  • 140ms最小遅延のアクティブローRST出力(MAX1876)
  • 無損失電流制限(検出抵抗不要)
  • デュアル同期ステップダウンコントローラのMAX1875/MAX1876は、4.75V~23Vの入力電源から2つの出力を生成します。各出力は1V以下から18Vまでの可変出力で、10A以上の負荷をサポートします。入力電圧リップルおよび総RMS入力リップル電流は、同期180°逆位相動作によって低減されます。

    スイッチング周波数は、外付け抵抗を使って100kHz~600kHzの範囲で調整することができます。また、別のMAX1875/MAX1876やシステムクロックに生成された外付けクロックにコントローラを同期させることができます。さらに、追加のコントローラと同期させるために、同相または90°位相差クロック信号を生成するようにMAX1875/MAX1876を設定することができます。この設定によって、各出力を90°シフトして、2個のコントローラは交互2相、または4相システムとして動作させることができます。これらのデバイスは、ソフトスタート機能およびソフトストップ機能も備えています。

    MAX1875/MAX1876では、ローサイドMOSFETのオン抵抗を電流検出素子として使用することによって、電流検出抵抗は不要です。これにより、電流検出抵抗を必要とせずに、出力過負荷状態時や出力短絡障害時のDC-DC部品の損傷が防止されます。また、可変フォールドバック電流制限によって、短絡状態時の電力消費が低減されます。MAX1876は、両出力がレギュレーションに達すると、システムに通知するパワーオンリセット出力を備えています。

    MAX1875/MAX1876は、24ピンQSOPパッケージで提供されます。設計時間を短縮するために、評価キットも提供されます。

    アプリケーション

    • ブロードバンドルータ
    • DSP、ASIC、およびFPGA電源
    • ネットワーク電源
    • サーバ
    • セットトップボックス
    • テレコム電源

    MAX1875
    POR付き、デュアル、180°逆位相、PWMステップダウンコントローラ
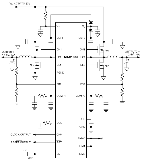
    MAX1875、MAX1876:標準動作回路
    myAnalogに追加

    myAnalogの製品セクション(通知受け取り)、既存/新規プロジェクトに製品を追加する。

    新規プロジェクトを作成
    質問する
    サポート

    アナログ・デバイセズのサポート・ページはアナログ・デバイセズへのあらゆるご質問にお答えするワンストップ・ポータルです。


    ドキュメント

    さらに詳しく
    myAnalogに追加

    myAnalogのリソース・セクション、既存/新規プロジェクトにメディアを追加する。

    新規プロジェクトを作成

    ソフトウェア・リソース

    必要なソフトウェア/ドライバが見つかりませんか?

    ドライバ/ソフトウェアをリクエスト

    最新のディスカッション

    MAX1875に関するディスカッションはまだありません。意見を投稿しますか?

    EngineerZone®でディスカッションを始める

    最近表示した製品