MAX17480

製造中

AMD 2/3出力モバイルシリアルVIDコントローラ

AMDのシリアルVIDインタフェース(SVI) CPUおよびノースブリッジ(NB)コア電源用、単一パワーマネージメントソリューション

利用上の注意

本データシートの英語以外の言語への翻訳はユーザの便宜のために提供されるものであり、リビジョンが古い場合があります。最新の内容については、必ず最新の英語版をご参照ください。

なお、日本語版のデータシートは基本的に「Rev.0」(リビジョン0)で作成されています。そのため、英語版が後に改訂され、複数製品のデータシートがひとつに統一された場合、同じ「Rev.0」の日本語版のデータシートが異なる製品のデータシートとして表示されることがあります。たとえば、「ADM3307E」の場合、日本語データシートをクリックすると「ADM3311E」が表示されます。これは、英語版のデータシートが複数の製品で共有できるように1本化され、「ADM3307E/ADM3310E/ADM3311E/ADM3312E/ADM3315E」(Rev.J)と改訂されたからで、決して誤ってリンクが張られているわけではありません。和文化されたデータシートを少しでも有効に活用していただくためにこのような方法をとっておりますので、ご了解ください。

アナログ・デバイセズ社は、提供する情報が正確で信頼できるものであることを期していますが、その情報の利用に関して、あるいはその利用によって生じる第三者の特許やその他の権利の侵害に関して一切の責任を負いません。また、アナログ・デバイセズ社の特許または特許の権利の使用を明示的または暗示的に許諾するものでもありません。仕様は予告なしに変更する場合があります。本紙記載の商標および登録商標は、各社の所有に属します。

Viewing:

製品情報

  • デュアル出力固定周波数コア電源コントローラ
    • 起動時に分割または結合出力を検出
    • ダイナミックな位相選択によってアクティブ/スリープ効率を最適化
    • 過渡的な位相反復機能によって出力容量を低減
    • 真の逆位相動作によって入力容量を低減
    • 設定可能なACおよびDCドループ
    • 高精度電流バランスおよび電流制限
    • 大型の同期整流器MOSFET用のドライバ内蔵
    • 設定可能なスイッチング周波数:100kHz~600kHz
    • バッテリ入力電圧範囲:4V~26V
  • 4A内部スイッチノースブリッジSMPS
    • 入力電圧範囲:2.7V~5.5V
    • 2倍に設定可能なスイッチング周波数
    • 75mΩ/40mΩパワースイッチ
  • VOUT精度:±0.5% (全入力、負荷、および温度範囲)
  • AMD SVI対応シリアルインタフェース、アドレス切り替え可能
  • 7ビット内蔵DAC:0~+1.550Vの出力調整範囲
  • ブーストスイッチ内蔵
  • 可変スルーレート制御
  • パワーグッド(PWRGD)および過熱フォルト(アクティブローVRHOT)出力
  • システムパワーOK (PGD_IN)入力
  • 過電圧、低電圧、および過熱フォルト保護
  • 電圧ソフトスタートおよびパッシブシャットダウン
  • シャットダウン電流:1µA (typ)以下

MAX17480は、AMDのシリアルVIDインタフェース(SVI) CPUおよびノースブリッジ(NB)コア電源用のトリプル出力ステップダウン、固定周波数コントローラです。MAX17480は、CPUコア用の2つの大電流SMPS、およびNBコア用の1つの4A内部スイッチSMPSで構成されています。2つのCPUコア用SMPSは、真のインタリーブ動作用の180°逆位相で動作し、入力容量を最小限に抑えます。4A内部スイッチSMPSは、コア用SMPSの2倍の周波数で動作し、外付け部品のサイズを削減します。

MAX17480は、AMD SVIに完全対応しています。出力電圧は、2線式SVIを通じてダイナミックに変化させることができるため、SMPSをさまざまな電圧に個別に設定することができます。スルーレートコントローラによって、VIDコード間の遷移の制御やソフトスタートの制御が可能です。また、SVIによって、各SMPSを低電力パルススキップ状態に個別に設定することができます。

過渡的な位相反復機能によって、固定周波数アーキテクチャの応答が向上するため、CPUコアの総出力容量を小さくすることができます。サーミスタベースの温度センサが、設定可能な過熱フォルト出力(アクティブローVRHOT)を提供します。

MAX17480は、出力過電圧保護(OVP)、低電圧保護(UVP)、および過熱保護を備えています。これらの保護機能のいずれかがフォルトを検出すると、コントローラはシャットダウンします。真の差動電流検出によって、電流制限と負荷ラインの精度が向上しています。MAX17480は、調整可能なスイッチング周波数を備えているため、コア用SMPS当り100kHz~600kHzの動作、およびNB用SMPSの場合はその2倍の周波数が可能です。

アプリケーション

  • モバイルAMD SVIコア電源
  • マルチフェーズCPUコア電源
  • ノートブック/デスクトップコンピュータ
  • 電圧ポジション、ステップダウンコンバータ

MAX17480
AMD 2/3出力モバイルシリアルVIDコントローラ
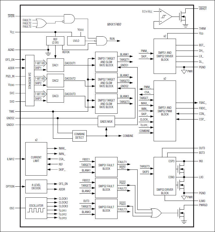
MAX17480:ファンクションダイアグラム
myAnalogに追加

myAnalogの製品セクション(通知受け取り)、既存/新規プロジェクトに製品を追加する。

新規プロジェクトを作成
質問する
サポート

アナログ・デバイセズのサポート・ページはアナログ・デバイセズへのあらゆるご質問にお答えするワンストップ・ポータルです。


ドキュメント

さらに詳しく
myAnalogに追加

myAnalogのリソース・セクション、既存/新規プロジェクトにメディアを追加する。

新規プロジェクトを作成

ソフトウェア・リソース

必要なソフトウェア/ドライバが見つかりませんか?

ドライバ/ソフトウェアをリクエスト

ハードウェア・エコシステム

製品モデル 製品ライフサイクル 詳細
スイッチング・レギュレータ & コントローラ 1
MAX17080 製造中止 AMD 2/3出力モバイルシリアルVIDコントローラ
Modal heading
myAnalogに追加

myAnalogの製品セクション(通知受け取り)、既存/新規プロジェクトに製品を追加する。

新規プロジェクトを作成

ツールおよびシミュレーション

ソフトウェア開発 1


評価用キット

MAX17480EVKIT

MAX17480の評価キット

機能と利点

  • デュアル/トリプル出力固定周波数コントローラ
  • AMDモバイルSVI対応シリアルインタフェース
  • 出力電圧範囲:0~1.550V (内蔵7ビットDAC)
  • コアSMPS
    • 起動時に分割または結合出力を検出
    • 真の逆位相動作によって入力容量を低減
    • 過渡的な位相反復によって出力容量を低減
    • ダイナミック位相選択によってアクティブ/スリープ効率を最適化
    • 設定可能なACおよびDCドループ
    • 入力電圧範囲:7V~24V
    • 負荷電流容量:36A (位相当り18A)
    • 高精度の電流バランスおよび電流制限
    • スイッチング周波数:300kHz (位相当り)
    • 出力過電圧フォルト保護
  • NB SMPS
    • ノースブリッジコア用4A負荷電流容量
    • ノースブリッジ用スイッチング周波数:600kHz
  • パワーグッド(PWRGD)および過熱フォルト(アクティブローVRHOT)出力インジケータ
  • システムパワーOK (PGD_IN)入力
  • 低電圧フォルト保護
  • 小型40ピンTQFNパッケージ(5mm x 5mm)
  • 鉛(Pb)フリーおよびRoHS準拠
  • 完全実装および試験済み

製品詳細

MAX17480の評価キット(EVキット)は、AMD®モバイルシリアルVIDインタフェース(SVI) CPUコア電源用の高電力トリプル出力ノートブックCPUアプリケーション回路を検証します。このDC-DCコンバータは、高電圧バッテリおよび/またはACアダプタをステップダウンし、高精度のCPUコア用低電圧を生成します。MAX17480のEVキットは、AMDのモバイルSVI CPUの過渡電圧規格、パワーグッドシグナル、電圧レギュレータの温度監視(アクティブローVRHOT)、およびパワーグッド出力(PWRGD)に適合しています。MAX17480のEVキットは、CPUコア(VCORE0)用の1つのデュアルフェーズ大電流スイッチモード電源(SMPS)、およびノースブリッジ(NB)コア用の1つの4A内蔵スイッチSMPSで構成されています。2つのCPUコアSMPSは、真のインタリーブ動作の180°逆位相で動作し、入力容量を最小限に抑えます。

出力電圧は、2線式シリアルインタフェースを通じてダイナミックに変化するため、スイッチングレギュレータをさまざまな電圧に個別にプログラムすることができます。設定可能なスルーレートコントローラが、VIDコード間で遷移の制御を可能にします。また、SVIによって、各レギュレータを低電力パルススキップ状態に個別に設定することができます。

ソフトスタートが突入電流を制限し、パッシブシャットダウンが負のリンギングなしで出力電圧をゼロまで放電します。MAX17480のEVキットは、可変利得を備えたアクティブ電圧ポジショニングを内蔵し、消費電力やバルク出力容量要件を低減します。MAX17480は、ラッチ出力低電圧フォルト保護、CPUコア用の過電圧フォルト保護 、および熱過負荷保護を備えています。この製品は、電圧レギュレータパワーグッド(PWRGD)出力も備えています。

この完全実装および試験済みPCBは、7V~24Vのバッテリ入力範囲で、0~1.550Vのディジタル可変出力電圧範囲(7ビット内蔵DAC)を供給します。コア電流SMPSの各位相は、300kHzのスイッチング周波数で動作し、最大18Aの出力電流、合計で36Aを供給します。4Aの内蔵スイッチSMPSは、600kHzのスイッチング周波数で動作し、最大4Aを供給します。このEVキットは、優れたラインおよび負荷過渡応答を備えています。また、このEVキットは、Windows® 2000、Windows XP®、およびWindows Vista®対応のソフトウェアも含んでおり、MAX17480の各機能を実行するためのシンプルなグラフィカルユーザインタフェース(GUI)を提供します。

アプリケーション

  • モバイルAMD SVIコア電源
  • マルチフェーズCPUコア電源
  • ノートブック/デスクトップコンピュータ
  • 電圧ポジション、ステップダウンコンバータ

MAX17480EVKIT
MAX17480の評価キット

最新のディスカッション

MAX17480に関するディスカッションはまだありません。意見を投稿しますか?

EngineerZone®でディスカッションを始める

最近表示した製品