MAX17410

製造中止

IMVP6+ CPUコア電源用、デュアルフェーズ、Quick-PWMコントローラ

Montevinaプラットフォーム用、デュアルフェーズIntel IMVP6+ CPUコントローラ

利用上の注意

本データシートの英語以外の言語への翻訳はユーザの便宜のために提供されるものであり、リビジョンが古い場合があります。最新の内容については、必ず最新の英語版をご参照ください。

なお、日本語版のデータシートは基本的に「Rev.0」(リビジョン0)で作成されています。そのため、英語版が後に改訂され、複数製品のデータシートがひとつに統一された場合、同じ「Rev.0」の日本語版のデータシートが異なる製品のデータシートとして表示されることがあります。たとえば、「ADM3307E」の場合、日本語データシートをクリックすると「ADM3311E」が表示されます。これは、英語版のデータシートが複数の製品で共有できるように1本化され、「ADM3307E/ADM3310E/ADM3311E/ADM3312E/ADM3315E」(Rev.J)と改訂されたからで、決して誤ってリンクが張られているわけではありません。和文化されたデータシートを少しでも有効に活用していただくためにこのような方法をとっておりますので、ご了解ください。

アナログ・デバイセズ社は、提供する情報が正確で信頼できるものであることを期していますが、その情報の利用に関して、あるいはその利用によって生じる第三者の特許やその他の権利の侵害に関して一切の責任を負いません。また、アナログ・デバイセズ社の特許または特許の権利の使用を明示的または暗示的に許諾するものでもありません。仕様は予告なしに変更する場合があります。本紙記載の商標および登録商標は、各社の所有に属します。

Viewing:

製品情報

  • デュアル/シングルフェーズインタリーブQuick-PWMコントローラ
  • VOUT精度:±0.5% (全ライン、負荷、および温度範囲)
  • 7ビットIMVP6+ DAC
  • ダイナミック位相選択によってアクティブ/スリープ効率を最適化
  • 過渡位相のオーバラップによって出力容量を低減
  • 利得可変のアクティブ電圧ポジショニング
  • 高精度の無損失電流バランス
  • 高精度のドループおよび電流制限
  • リモート出力およびグランド検出
  • 調整可能な出力スルーレート制御
  • パワーグッドウィンドウコンパレータ
  • 電力モニタ
  • 設定可能な温度フォルト保護
  • 位相フォルト出力(PHASEGD)
  • 大型同期整流FETを駆動
  • バッテリ入力範囲:4.5V~26V
  • 出力過電圧および低電圧保護
  • ソフトスタートアップおよびソフトシャットダウン
  • 内部ブーストスイッチ
  • 薄型7mm x 7mmの48ピンTQFNパッケージ

MAX17410は、ノートブックIMVP6+ CPU用の1フェーズ/2フェーズ、インタリーブQuick-PWM™ステップダウンVID電源コントローラです。真の逆位相動作が、入力リップル電流要件や出力電圧リップルを低減しながら、部品選択やレイアウトの困難を軽減します。Quick-PWM制御方式は、高速負荷電流ステップに瞬時の応答を提供します。アクティブ電圧ポジショニングが、消費電力を削減し、大出力容量を小型化するだけでなく、タンタル、ポリマ、またはセラミックのバルク出力コンデンサに最適なポジショニング補償を可能にします。

MAX17410は、バッテリから直接降圧してコア電圧を生成する方式または+5Vシステム電源から降圧する方式の2つの異なるCPUコアアプリケーション用に設計されています。1段変換方式では、このデバイスは高電圧バッテリを直接ステップダウンし、可能な限り最も高い効率を提供することができます。他方、より高いスイッチング周波数の2段変換(バッテリの代わりに+5Vシステム電源からのステップダウン)では、最小限の物理サイズを提供することができます。

スルーレートコントローラが、VIDコード間で遷移の制御を可能にします。サーミスタベースの温度センサが設定可能な熱保護を提供します。電力モニタが、負荷に供給された電力に比例するバッファ内蔵アナログ電圧出力を提供します。

MAX17410は、7mm x 7mmの48ピンTQFNパッケージで提供されます。

アプリケーション

  • IMVP6+コア電源
  • マルチ位相CPUコア電源
  • ノートブック/デスクトップコンピュータ
  • 電圧ポジション、ステップダウンコンバータ

MAX17410
IMVP6+ CPUコア電源用、デュアルフェーズ、Quick-PWMコントローラ
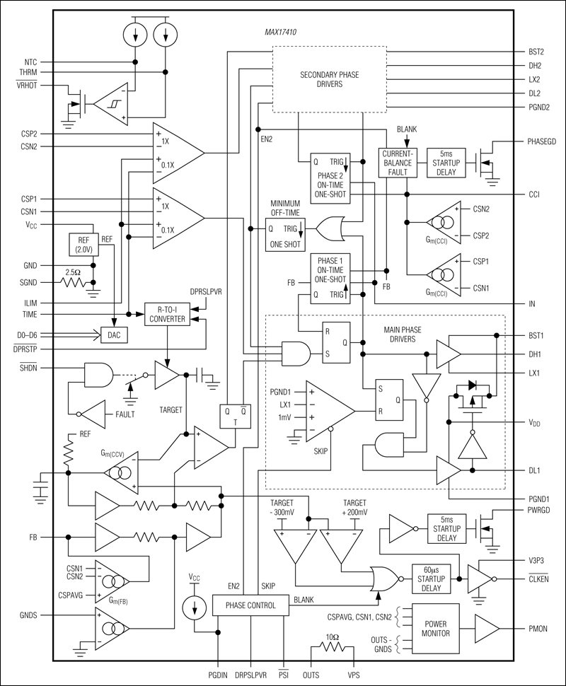
MAX17410:ファンクションダイアグラム
myAnalogに追加

myAnalogの製品セクション(通知受け取り)、既存/新規プロジェクトに製品を追加する。

新規プロジェクトを作成
質問する
サポート

アナログ・デバイセズのサポート・ページはアナログ・デバイセズへのあらゆるご質問にお答えするワンストップ・ポータルです。


ドキュメント

さらに詳しく
myAnalogに追加

myAnalogのリソース・セクション、既存/新規プロジェクトにメディアを追加する。

新規プロジェクトを作成

ソフトウェア・リソース

必要なソフトウェア/ドライバが見つかりませんか?

ドライバ/ソフトウェアをリクエスト

ハードウェア・エコシステム

製品モデル 製品ライフサイクル 詳細
スイッチング・レギュレータ & コントローラ 2
MAX17028 製造中 1-Phase Quick-PWM Intel IMVP-6.5/GMCH Controllers
MAX17033 製造中 Dual-Phase, Quick-PWM Controllers for IMVP-6+/IMVP-6.5 CPU Core Power Supplies
ファンスピード & 熱電クーラー(TEC)コントローラ 1
MAX8796 製造中 1-Phase, Quick-PWM Intel IMVP-6/GMCH Controllers
Modal heading
myAnalogに追加

myAnalogの製品セクション(通知受け取り)、既存/新規プロジェクトに製品を追加する。

新規プロジェクトを作成

評価用キット

MAX17410EVKIT

MAX17410の評価キット

機能と利点

  • デュアルフェーズ高速応答インタリーブQuick-PWM
  • Intel IMVP-6+コードセット準拠
  • ダイナミック位相選択によってアクティブ/スリープ効率を最適化
  • 過渡位相のオーバラップによって出力容量を低減
  • 過渡オーバシュート抑制機能
  • 利得可変のアクティブ電圧ポジショニング
  • 高速、高精度、および高効率
  • 低いバルク出力コンデンサカウント
  • 入力電圧範囲:7V~24V
  • 出力電圧範囲:0~1.5000V (7ビットDAC)
  • 負荷電流能力:38A (フェーズ当り19A)
  • 高精度の電流バランスおよび電流制限
  • スイッチング周波数:300kHz (フェーズ当り)
  • パワーグッド(PWRGD)およびフェーズグッド(PHASEGD)の出力とインジケータ
  • クロックイネーブル(アクティブローCLKEN)および温度フォルト(アクティブローVRHOT)の出力とインジケータ
  • 鉛(Pb)フリーおよびRoHS準拠
  • 完全実装および試験済み

製品詳細

MAX17410の評価キット(EVキット)は、高電力ダイナミック可変多位相IMVP-6+ノートブックCPUアプリケーション回路を検証します。このDC-DCコンバータは、高電圧バッテリおよび/またはACアダプタをステップダウンし、高精度の低電圧CPUコアVCCレイルを生成します。MAX17410のEVキットは、IntelのモバイルIMVP-6+ CPUの過渡電圧規格、パワーグッドシグナリング、電圧レギュレータの温度監視(アクティブローVRHOT)、および電力モニタ出力(PMON)に適合しています。MAX17410のEVキットは、2フェーズインタリーブQuick-PWM™ステップダウンコントローラのMAX17410で構成されます。MAX17410のEVキットは、可変利得を備えたアクティブ電圧ポジショニングを内蔵し、消費電力やバルク出力容量要件を低減します。スルーレートコントローラが、VIDコード間での遷移の制御、ソフトスタート/シャットダウンの制御、および終了サスペンド電圧の制御を可能にします。高精度のスルーレート制御が、新しいDAC設定への「ジャストインタイム」到達を提供し、バッテリとの間に流れるサージ電流を最小限に抑えます。

専用のシステム入力(アクティブローPSI、アクティブローDPRSTP、およびDPRSLPVR)が、動作モードおよびアクティブ位相の数をダイナミックに選択し、CPUのアクティブおよびスリープ状態時の全体的効率を最適化します。

MAX17410は、ラッチ出力の低電圧/過電圧フォルトおよび熱過負荷保護を備えています。また、この製品は電圧レギュレータパワーグッド出力(PWRGD)、クロックイネーブル出力(アクティブローCLKEN)、電力モニタ出力(PMON)、フェーズグッド出力(PHASEGD)、およびシステムパワーグッド入力(PGDN)も備えています。

この完全実装および試験済み回路ボードは、7V~24Vのバッテリ入力範囲で、0~1.5000Vのディジタル可変出力電圧(7ビット内蔵DAC)を供給します。各位相は最大19Aの出力電流、合計で38Aを供給します。MAX17410のEVキットは、300kHzのスイッチング周波数(フェーズ当り)で動作し、優れたラインおよび負荷過渡応答を備えています。

アプリケーション

  • IMVP6+コア電源
  • マルチ位相CPUコア電源
  • ノートブック/デスクトップコンピュータ
  • 電圧ポジション、ステップダウンコンバータ

MAX17410EVKIT
MAX17410の評価キット

最新のディスカッション

MAX17410に関するディスカッションはまだありません。意見を投稿しますか?

EngineerZone®でディスカッションを始める

最近表示した製品