MAX17129

製造中止

Quick-PWMステップアップコンバータ内蔵、低コスト、6ストリングWLEDドライバ

外付け部品が最小限に抑えられる、業界最小WLEDドライバ

利用上の注意

本データシートの英語以外の言語への翻訳はユーザの便宜のために提供されるものであり、リビジョンが古い場合があります。最新の内容については、必ず最新の英語版をご参照ください。

なお、日本語版のデータシートは基本的に「Rev.0」(リビジョン0)で作成されています。そのため、英語版が後に改訂され、複数製品のデータシートがひとつに統一された場合、同じ「Rev.0」の日本語版のデータシートが異なる製品のデータシートとして表示されることがあります。たとえば、「ADM3307E」の場合、日本語データシートをクリックすると「ADM3311E」が表示されます。これは、英語版のデータシートが複数の製品で共有できるように1本化され、「ADM3307E/ADM3310E/ADM3311E/ADM3312E/ADM3315E」(Rev.J)と改訂されたからで、決して誤ってリンクが張られているわけではありません。和文化されたデータシートを少しでも有効に活用していただくためにこのような方法をとっておりますので、ご了解ください。

アナログ・デバイセズ社は、提供する情報が正確で信頼できるものであることを期していますが、その情報の利用に関して、あるいはその利用によって生じる第三者の特許やその他の権利の侵害に関して一切の責任を負いません。また、アナログ・デバイセズ社の特許または特許の権利の使用を明示的または暗示的に許諾するものでもありません。仕様は予告なしに変更する場合があります。本紙記載の商標および登録商標は、各社の所有に属します。

Viewing:

製品情報

  • 入力電源電圧:3V~26V
  • 最大6つの並列ストリングで複数のLEDを直列接続
  • Quick-PWM制御方式のステップアップレギュレータ
  • 2レベル選択可能なスイッチング周波数
  • 0.25ΩのHVパワーMOSFET (48V max)内蔵
  • 低ストリングフィードバック電圧:275mV (20mA LED電流の場合)
  • フルスケールLED電流:10mA~45mAで調整可能
  • ストリング間の電流レギュレーション精度:±2%
  • PWM調光モードとハイブリッド調光モードをサポート
  • 調光比:100:1
  • PWM調光モード用の調光周波数:100Hz~25kHz
  • LEDのオープンおよび短絡保護
  • 出力過電圧保護
  • 小型3mm x 3mmの16ピンTQFNパッケージ

MAX17129/MAX17149は、白色発光ダイオード(LED)用の高効率ドライバです。これらの製品は、光源としてLEDアレイを採用する小型/中型液晶ディスプレイ(LCD)用に設計されています。Quick-PWM™制御アーキテクチャによる内蔵のスイッチステップアップコントローラが、最大6つの並列ストリングとストリング当り直列11のLED (MAX17129)または6つのLED (MAX17149)を構成可能なLEDアレイを駆動します。各ストリングは、±2%の電流レギュレーション精度を達成するバラストによって終端され、均一なLED輝度を保証し、調整可能な10mA~45mAのフルスケールLED電流を供給します。これらのICは、6V~26Vの広い入力電圧範囲を備えています。MAX17129は、LDOを内蔵しており、高電圧の単一電源を備えたアプリケーションを簡素化することができます。各デバイスは、3V~5.5Vの電源電圧を備えたアプリケーション用の低入力電圧モードも備えています。
これらのデバイスは、PWM調光モードおよびハイブリッド調光モードをサポートしています。PWM調光モードでは、外部PWM信号はLEDの輝度を直接制御します。調光周波数は、400nsの最小オン時間で100Hz~25kHz範囲が可能です。ハイブリッド調光モードでは、LED電流の振幅はフルスケールLED電流の25%に調整可能で、輝度が低い場合にシステム効率を向上させます。
これらのデバイスは、コントローラをフォルト状態から保護するためのいくつかの機能を備えています。個別の電圧フィードバックループは、出力電圧を安全動作に制限します。オープン/短絡LED検出は、他のストリングの通常動作を維持しながら、故障したストリングをシャットダウンします。
これらのデバイスは、内蔵スイッチのサイクルごとの電流制限を備えており、安定した動作とソフトスタート機能を提供します。これらのデバイスが電流制限状態にある場合、ステップアップコンバータは内部タイマーが終了するとラッチオフされます。サーマルシャットダウン回路は、別レベルの保護を提供し、ICが損傷するのを防ぎます。
ICのステップアップコントローラは、無損失電流検出と高精度なサイクルごとの電流制限を備えた0.25Ω (typ)の48V (max)パワーMOSFETを内蔵しています。Quick-PWM制御アーキテクチャは、外部ループ補償部品を必要とせずに高速負荷過渡応答を提供し、外部回路を簡素化し、基板面積を節約します。Quick-PWM制御方式は、一定オフ時間と調整可能な擬似固定周波数を備えており、動作周波数の部品サイズをトレードオフすることができる幅広いアプリケーションが可能になります。各LEDストリングの低フィードバック電圧(20mA LED電流で275mV typ)によって、電力損失を削減し、効率を向上させることができます。
これらのICは、16ピンTQFNパッケージ(0.5mmピン間隔)で提供されます。このパッケージは、3mm x 3mmで、最大厚は超薄型LCDパネル設計用の0.8mmとなります。

アプリケーション

  • ハンディターミナル
  • ノートブック、サブノートブック、およびタブレットコンピュータディスプレイ

MAX17129
Quick-PWMステップアップコンバータ内蔵、低コスト、6ストリングWLEDドライバ
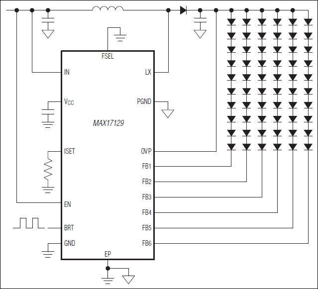
MAX17129、MAX17149:簡易動作回路
myAnalogに追加

myAnalogの製品セクション(通知受け取り)、既存/新規プロジェクトに製品を追加する。

新規プロジェクトを作成
質問する
サポート

アナログ・デバイセズのサポート・ページはアナログ・デバイセズへのあらゆるご質問にお答えするワンストップ・ポータルです。


ドキュメント

さらに詳しく
myAnalogに追加

myAnalogのリソース・セクション、既存/新規プロジェクトにメディアを追加する。

新規プロジェクトを作成

ソフトウェア・リソース

必要なソフトウェア/ドライバが見つかりませんか?

ドライバ/ソフトウェアをリクエスト

最新のディスカッション

MAX17129に関するディスカッションはまだありません。意見を投稿しますか?

EngineerZone®でディスカッションを始める

最近表示した製品