MAX17127

製造中止

ステップアップコンバータ内蔵、6ストリングWLEDドライバ

MAX17127は20インチ以下のディスプレイ用、高集積6ストリングWLEDドライバ

利用上の注意

本データシートの英語以外の言語への翻訳はユーザの便宜のために提供されるものであり、リビジョンが古い場合があります。最新の内容については、必ず最新の英語版をご参照ください。

なお、日本語版のデータシートは基本的に「Rev.0」(リビジョン0)で作成されています。そのため、英語版が後に改訂され、複数製品のデータシートがひとつに統一された場合、同じ「Rev.0」の日本語版のデータシートが異なる製品のデータシートとして表示されることがあります。たとえば、「ADM3307E」の場合、日本語データシートをクリックすると「ADM3311E」が表示されます。これは、英語版のデータシートが複数の製品で共有できるように1本化され、「ADM3307E/ADM3310E/ADM3311E/ADM3312E/ADM3315E」(Rev.J)と改訂されたからで、決して誤ってリンクが張られているわけではありません。和文化されたデータシートを少しでも有効に活用していただくためにこのような方法をとっておりますので、ご了解ください。

アナログ・デバイセズ社は、提供する情報が正確で信頼できるものであることを期していますが、その情報の利用に関して、あるいはその利用によって生じる第三者の特許やその他の権利の侵害に関して一切の責任を負いません。また、アナログ・デバイセズ社の特許または特許の権利の使用を明示的または暗示的に許諾するものでもありません。仕様は予告なしに変更する場合があります。本紙記載の商標および登録商標は、各社の所有に属します。

Viewing:

製品情報

  • 入力電源電圧:5V~26V
  • 最大6本の並列ストリングで複数のLEDを直列接続
  • 調整可能なスイッチング周波数:250kHz~1MHz
  • 0.12ΩのHVパワーMOSFET (48V max)内蔵
  • 低ストリングフィードバック電圧:480mV (20mA LED電流の場合)
  • フルスケールLED電流:10mA~30mAで可変
  • ストリング間の電流レギュレーション精度:±2%
  • ストリングオン時間:400ns (min)
  • PWM入力範囲:100Hz~25kHz
  • LEDのオープンおよび短絡保護
  • 出力過電圧保護
  • サーマルシャットダウン
  • 4mm x 4mmの小型20ピンTQFNパッケージ

MAX17127は、白色発光ダイオード(LED)用の高効率ドライバです。この製品は、光源としてLEDアレイを採用する大型液晶ディスプレイ(LCD)用に設計されています。内蔵のスイッチ電流モードステップアップコンバータは、並列で最大6ストリング、ストリング当り13のLEDを設定可能なLEDアレイを駆動します。各ストリングは、±2%の電流レギュレーション精度を達成するバラストで終端され、均一なLED輝度を保証します。MAX17127は、5V~26Vの広い入力電圧範囲を備え、可変10mA~30mAのフルスケールのLED電流を供給します。

MAX17127は、PWM信号入力を介して輝度制御を行うことが可能で、LED電流は、外部調光信号の周波数とデューティサイクルによって直接制御されます。

MAX17127は、コントローラをフォルト状態から保護するためのいくつかの機能を備えています。オープン/短絡ストリングが検出されると、そのフォルトストリングはディセーブルされ、他のストリングはそのまま通常動作することができます。このコントローラは、サイクルごとの電流制限を特長とし、安定した動作とソフトスタート機能を提供します。MAX17127が電流制限状態にある場合、ステップアップコンバータは内部タイマーが終了するとラッチオフされます。サーマルシャットダウン回路は、別レベルの保護を提供します。サーマルシャットダウンが発生すると、MAX17127はラッチオフされます。

MAX17127のステップアップコントローラは、高精度なサイクルごとの電流制限用のローカル電流検出アンプを備えた0.12Ω (typ)の48V (max)パワーMOSFETを内蔵しています。このアーキテクチャは、外付け回路を大幅に簡素化し、PCBスペースを節約します。各LEDストリングの低フィードバック電圧によって、電力消費が削減され、効率を向上させます。MAX17127は、抵抗で調整可能なスイッチング周波数(250kHz~1MHz)を備えているため、動作周波数と部品サイズのトレードオフが可能な多種多様なアプリケーションを実現することができます。

MAX17127は、放熱特性に優れた鉛フリー4mm x 4mmの20ピンTQFNパッケージで提供されます。

アプリケーション

  • ハンディターミナル
  • ノートブック、サブノートブック、およびタブレットコンピュータディスプレイ

MAX17127
ステップアップコンバータ内蔵、6ストリングWLEDドライバ
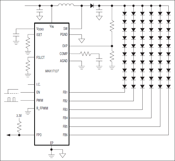
MAX17127:簡易動作回路(ダイレクトPWMモード)
myAnalogに追加

myAnalogの製品セクション(通知受け取り)、既存/新規プロジェクトに製品を追加する。

新規プロジェクトを作成
質問する
サポート

アナログ・デバイセズのサポート・ページはアナログ・デバイセズへのあらゆるご質問にお答えするワンストップ・ポータルです。


ドキュメント

さらに詳しく
myAnalogに追加

myAnalogのリソース・セクション、既存/新規プロジェクトにメディアを追加する。

新規プロジェクトを作成

ソフトウェア・リソース

必要なソフトウェア/ドライバが見つかりませんか?

ドライバ/ソフトウェアをリクエスト

最新のディスカッション

MAX17127に関するディスカッションはまだありません。意見を投稿しますか?

EngineerZone®でディスカッションを始める

最近表示した製品