MAX17122

製造中止

TV TFT LCDディスプレイ用、ステップアップ、ステップダウンレギュレータ、ゲートオンチャージポンプ、およびブーストバックレギュレータ

高効率を提供し外部部品を最小限にするLCD HDTV電源用、高性能高集積IC

利用上の注意

本データシートの英語以外の言語への翻訳はユーザの便宜のために提供されるものであり、リビジョンが古い場合があります。最新の内容については、必ず最新の英語版をご参照ください。

なお、日本語版のデータシートは基本的に「Rev.0」(リビジョン0)で作成されています。そのため、英語版が後に改訂され、複数製品のデータシートがひとつに統一された場合、同じ「Rev.0」の日本語版のデータシートが異なる製品のデータシートとして表示されることがあります。たとえば、「ADM3307E」の場合、日本語データシートをクリックすると「ADM3311E」が表示されます。これは、英語版のデータシートが複数の製品で共有できるように1本化され、「ADM3307E/ADM3310E/ADM3311E/ADM3312E/ADM3315E」(Rev.J)と改訂されたからで、決して誤ってリンクが張られているわけではありません。和文化されたデータシートを少しでも有効に活用していただくためにこのような方法をとっておりますので、ご了解ください。

アナログ・デバイセズ社は、提供する情報が正確で信頼できるものであることを期していますが、その情報の利用に関して、あるいはその利用によって生じる第三者の特許やその他の権利の侵害に関して一切の責任を負いません。また、アナログ・デバイセズ社の特許または特許の権利の使用を明示的または暗示的に許諾するものでもありません。仕様は予告なしに変更する場合があります。本紙記載の商標および登録商標は、各社の所有に属します。

Viewing:

製品情報

  • 動作範囲:8V~16.5V
  • スイッチング周波数:750kHz
  • 22V内部スイッチ高性能ステップアップレギュレータ
    • 高速負荷過渡応答
    • 電流モードPWM動作
    • nMOSスイッチ:100mΩ、3.9A
    • コンデンサで調整可能なソフトスタート
    • 高電圧ストレス機能
    • 外部pMOSシャットダウンスイッチを駆動
  • 22V内部スイッチステップダウンレギュレータ
    • プリセット1%精度3.3V出力電圧または調整可能な出力(Dual Mode™)
    • 電流モードPWM動作
    • nMOSスイッチ:200mΩ、2.5A
    • コンデンサで調整可能なパワーグッド出力
  • 36V内部スイッチブーストバックレギュレータ
    • 温度補償された出力
    • 温度制御された遷移で設定可能な固定レベル
    • 電流モードPWM動作
    • pMOSスイッチ:200mΩ、1.8A
  • 正チャージポンプリニアレギュレータコントローラ
    • 調整可能な1%精度出力電圧
    • 外付けのpnpトランジスタを使用
    • スイッチングノード駆動チャージポンプダブラーをレギュレート
    • パワーグッド出力
  • 負リニアレギュレータコントローラ
    • 調整可能な1.5%精度出力電圧
    • 外付けのnpnトランジスタを使用
  • 全出力のソフトスタート
  • 調整可能なパワーアップシーケンス
  • 全出力に再起動によるタイミング出力フォルト保護
  • ラッチ内蔵サーマルシャットダウン保護
  • 6mm x 6mmの40ピンTQFNパッケージ

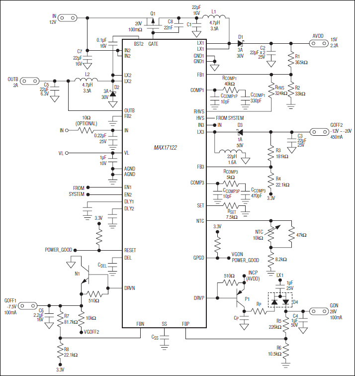
マルチ出力電源ICのMAX17122は、薄膜トランジスタ(TFT)液晶ディスプレイ(LCD) TVパネル用のすべての電源レイルを生成します。このデバイスは、8V~16.5Vの入力電圧で動作可能で、12Vの安定化電源から直接駆動するLCD TVパネルアプリケーションに最適です。この製品は、ディジタルロジック用の22V内部スイッチステップダウンレギュレータ、TFTソースドライバ駆動用の22V内部スイッチステップアップレギュレータ、および外付けのNTCサーミスタで検出される温度に応じて変動可能な負の出力を発生する温度補償された36V内部スイッチブーストバックレギュレータを備えています。これら3つのレギュレータはすべて、高効率と固定周波数動作を備えています。高周波数動作によって、小型のインダクタとコンデンサの使用が可能となり、コンパクトなソリューションを実現しています。

MAX17122は、LCD正ゲートドライバ電源電圧を供給するために、外付けのpnpバイポーラ接合型トランジスタ(BJT)を使って安定化チャージポンプダブラーを標準的に形成する、正のチャージポンプリニアレギュレータコントローラを内蔵しています。負ゲートドライバ電源は、グランドに接続された外付けのnpn BJTと小型バイパスコンデンサを使用し、ブーストバックレギュレータの出力とグランド間にリニアに生成されます。

その他の機能には、ステップダウンレギュレータのフィードバックを監視するために、外付けコンデンサでタイミングを定義されたオープンドレインパワーグッド出力、および正チャージポンプリニアレギュレータのフィードバックを監視する単純なタイミング定義のない出力があります。ステップアップレギュレータ出力の場合、高電圧ストレス機能が使用可能です。GATE出力は、外付けのpチャネルMOSFETを直接的に駆動し、ステップアップ出力のTrue Shutdown™を提供することができます。

MAX17122は、6mm x 6mmの鉛フリー40ピンTQFNパッケージで提供され、-40℃~+85℃の温度範囲で動作します。

アプリケーション

  • LCD TVパネル

MAX17122
TV TFT LCDディスプレイ用、ステップアップ、ステップダウンレギュレータ、ゲートオンチャージポンプ、およびブーストバックレギュレータ
MAX17122:標準動作回路
myAnalogに追加

myAnalogの製品セクション(通知受け取り)、既存/新規プロジェクトに製品を追加する。

新規プロジェクトを作成
質問する
サポート

アナログ・デバイセズのサポート・ページはアナログ・デバイセズへのあらゆるご質問にお答えするワンストップ・ポータルです。


ドキュメント

さらに詳しく
myAnalogに追加

myAnalogのリソース・セクション、既存/新規プロジェクトにメディアを追加する。

新規プロジェクトを作成

ソフトウェア・リソース

必要なソフトウェア/ドライバが見つかりませんか?

ドライバ/ソフトウェアをリクエスト

最新のディスカッション

MAX17122に関するディスカッションはまだありません。意見を投稿しますか?

EngineerZone®でディスカッションを始める

最近表示した製品