MAX17114

製造中止

Multi-Output Power Supply with VCOM Amplifier and High-Voltage Gamma Reference for LCD TVs

Highly Integrated LCD TV Power Supply with Gamma Reference and VCOM Op Amp Minimizes Space and Cost

利用上の注意

本データシートの英語以外の言語への翻訳はユーザの便宜のために提供されるものであり、リビジョンが古い場合があります。最新の内容については、必ず最新の英語版をご参照ください。

なお、日本語版のデータシートは基本的に「Rev.0」(リビジョン0)で作成されています。そのため、英語版が後に改訂され、複数製品のデータシートがひとつに統一された場合、同じ「Rev.0」の日本語版のデータシートが異なる製品のデータシートとして表示されることがあります。たとえば、「ADM3307E」の場合、日本語データシートをクリックすると「ADM3311E」が表示されます。これは、英語版のデータシートが複数の製品で共有できるように1本化され、「ADM3307E/ADM3310E/ADM3311E/ADM3312E/ADM3315E」(Rev.J)と改訂されたからで、決して誤ってリンクが張られているわけではありません。和文化されたデータシートを少しでも有効に活用していただくためにこのような方法をとっておりますので、ご了解ください。

アナログ・デバイセズ社は、提供する情報が正確で信頼できるものであることを期していますが、その情報の利用に関して、あるいはその利用によって生じる第三者の特許やその他の権利の侵害に関して一切の責任を負いません。また、アナログ・デバイセズ社の特許または特許の権利の使用を明示的または暗示的に許諾するものでもありません。仕様は予告なしに変更する場合があります。本紙記載の商標および登録商標は、各社の所有に属します。

Viewing:

製品情報

  • 8.0V to 16.5V IN Supply-Voltage Range
  • Selectable Frequency (500kHz/750kHz)
  • Current-Mode Step-Up Regulator
    • Fast Load-Transient Response
    • High-Accuracy Output Voltage (1.0%)
    • Built-In 20V, 3.5A, 100mΩ MOSFET
    • High Efficiency
    • Adjustable Soft-Start
    • Adjustable Current Limit
    • Low Duty-Cycle Operation (13.2VIN - 13.5V AVDD)
  • Current-Mode Step-Down Regulator
    • Fast Load-Transient Response
    • Built-In 20V, 3.2A, 120mΩ MOSFET
    • High Efficiency
    • 3ms Internal Soft-Start
  • Adjustable Positive Charge-Pump Regulator
  • Adjustable Negative Charge-Pump Regulator
  • Integrated High-Voltage Switch with Adjustable Turn-On Delay
  • High-Speed Operational Amplifier
    • ±200mA Short-Circuit Current
    • 45V/µs Slew Rate
  • High-Accuracy Reference for Gamma Buffer
    • ±0.5% Feedback Voltage
    • Up to 30mA Load Current
    • Low-Dropout Voltage 0.5V at 60mA
  • External p-Channel Gate Control for AVDD Sequencing
  • XAO Comparator
  • Input Undervoltage-Lockout and Thermal-Overload Protection
  • 48-Pin, 7mm x 7mm, Thin QFN Package

The MAX17114 generates all the supply rails for thin-film transistor liquid-crystal display (TFT LCD) TV panels operating from a regulated 12V input. It includes a step-down and a step-up regulator, a positive and a negative charge pump, an operational amplifier, a high-accuracy, high-voltage gamma reference, and a high-voltage switch control block. The MAX17114 can operate from input voltages from 8V to 16.5V and is optimized for an LCD TV panel running directly from 12V supplies.

The step-up and step-down switching regulators feature internal power MOSFETs and high-frequency operation allowing the use of small inductors and capacitors, resulting in a compact solution. The step-up regulator provides TFT source driver supply voltage, while the step-down regulator provides the system with logic supply voltage. Both regulators use fixed-frequency current-mode control architectures, providing fast load-transient response and easy compensation. A current-limit function for internal switches and output-fault shutdown protects the step-up and step-down power supplies against fault conditions. The MAX17114 provides soft-start functions to limit inrush current during startup. In addition, the MAX17114 integrates a control block that can drive an external p-channel MOSFET to sequence power to source drivers.

The positive and negative charge-pump regulators provide TFT gate-driver supply voltages. Both output voltages can be adjusted with external resistive voltage-dividers. A logic-controlled, high-voltage switch block allows the manipulation of the positive gate-driver supply. The MAX17114 includes one high-current operational amplifier designed to drive the LCD backplane (VCOM). The amplifier features high output current (±200mA), fast slew rate (45V/µs), wide bandwidth (20MHz), and rail-to-rail outputs.

Also featured in the MAX17114 is a high-accuracy, high-voltage adjustable reference for gamma correction.

The MAX17114 is available in a small (7mm x 7mm), ultra-thin (0.8mm), 48-pin, TQFN-EP package and operates over the -40°C to +85°C temperature range.

Applications

  • LCD TV Panels

MAX17114
Multi-Output Power Supply with VCOM Amplifier and High-Voltage Gamma Reference for LCD TVs
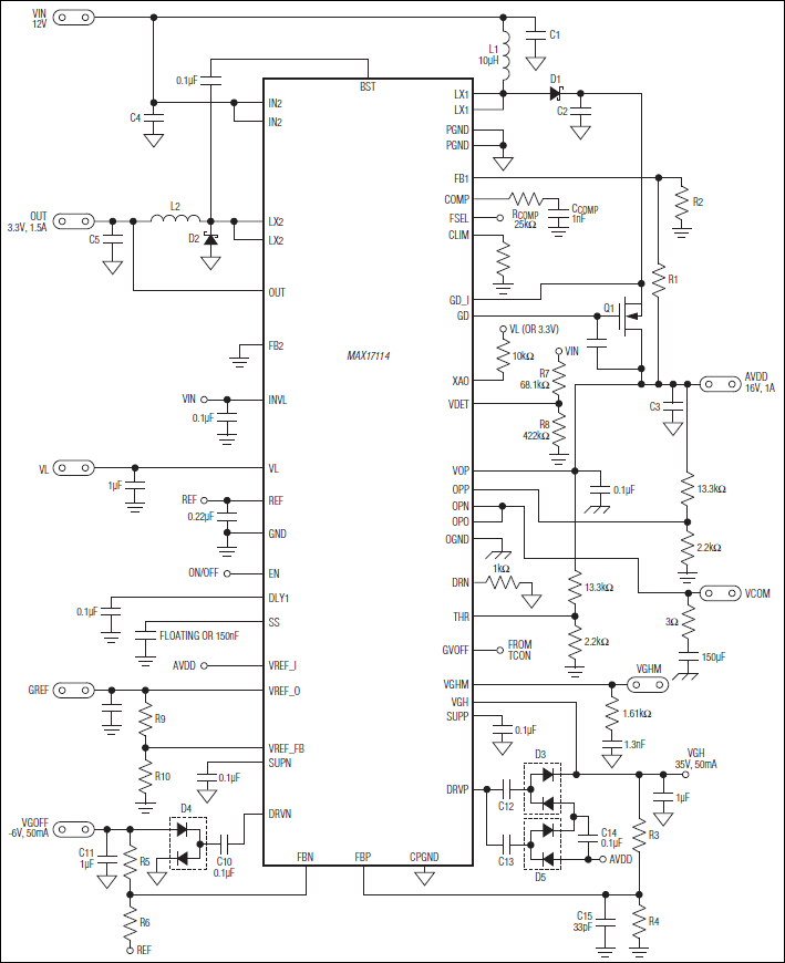
MAX17114: Typical Operating Circuit
myAnalogに追加

myAnalogの製品セクション(通知受け取り)、既存/新規プロジェクトに製品を追加する。

新規プロジェクトを作成
質問する
サポート

アナログ・デバイセズのサポート・ページはアナログ・デバイセズへのあらゆるご質問にお答えするワンストップ・ポータルです。


ドキュメント

さらに詳しく
myAnalogに追加

myAnalogのリソース・セクション、既存/新規プロジェクトにメディアを追加する。

新規プロジェクトを作成

ソフトウェア・リソース

必要なソフトウェア/ドライバが見つかりませんか?

ドライバ/ソフトウェアをリクエスト

最新のディスカッション

MAX17114に関するディスカッションはまだありません。意見を投稿しますか?

EngineerZone®でディスカッションを始める

最近表示した製品