MAX17105

製造中

8-String WLED Driver with Integrated Step-Up Regulator and SMBus/PWM Dimming Capability

WLED Driver for Notebook Integrates Boost Switch for Cost and Space Savings

利用上の注意

本データシートの英語以外の言語への翻訳はユーザの便宜のために提供されるものであり、リビジョンが古い場合があります。最新の内容については、必ず最新の英語版をご参照ください。

なお、日本語版のデータシートは基本的に「Rev.0」(リビジョン0)で作成されています。そのため、英語版が後に改訂され、複数製品のデータシートがひとつに統一された場合、同じ「Rev.0」の日本語版のデータシートが異なる製品のデータシートとして表示されることがあります。たとえば、「ADM3307E」の場合、日本語データシートをクリックすると「ADM3311E」が表示されます。これは、英語版のデータシートが複数の製品で共有できるように1本化され、「ADM3307E/ADM3310E/ADM3311E/ADM3312E/ADM3315E」(Rev.J)と改訂されたからで、決して誤ってリンクが張られているわけではありません。和文化されたデータシートを少しでも有効に活用していただくためにこのような方法をとっておりますので、ご了解ください。

アナログ・デバイセズ社は、提供する情報が正確で信頼できるものであることを期していますが、その情報の利用に関して、あるいはその利用によって生じる第三者の特許やその他の権利の侵害に関して一切の責任を負いません。また、アナログ・デバイセズ社の特許または特許の権利の使用を明示的または暗示的に許諾するものでもありません。仕様は予告なしに変更する場合があります。本紙記載の商標および登録商標は、各社の所有に属します。

Viewing:

製品情報

  • 6V to 28V Input Supply Voltage
  • Up to Eight Parallel-String Multiple Series Connected LEDs
  • 500kHz-to-2MHz Adjustable Switching Frequency
  • 0.15Ω Internal HV Power MOSFET (45V max)
  • Low-String Feedback Voltage: 500mV at 20mA LED current
  • Full-Scale LED Current Adjustable from 0mA to 30mA
  • ±2% Current Regulation Accuracy Between Strings
  • 100:1 Dimming Ratio at 25kHz Direct PWM Frequency
  • 100Hz to 30kHz PWMI Input Range for DPWM Mode and 10kHz ±5% for SMBus Mode
  • 100Hz to 5kHz Adjustable DPWM Frequency
  • Full-Range Dimming with 8-Bit Resolution
  • Open and Short LED Protection
  • Output Overvoltage Protection
  • Thermal Shutdown
  • FAULT Output to Drive p-Channel MOSFET
  • Small 24-Pin, 4mm x 4mm, Thin QFN Package

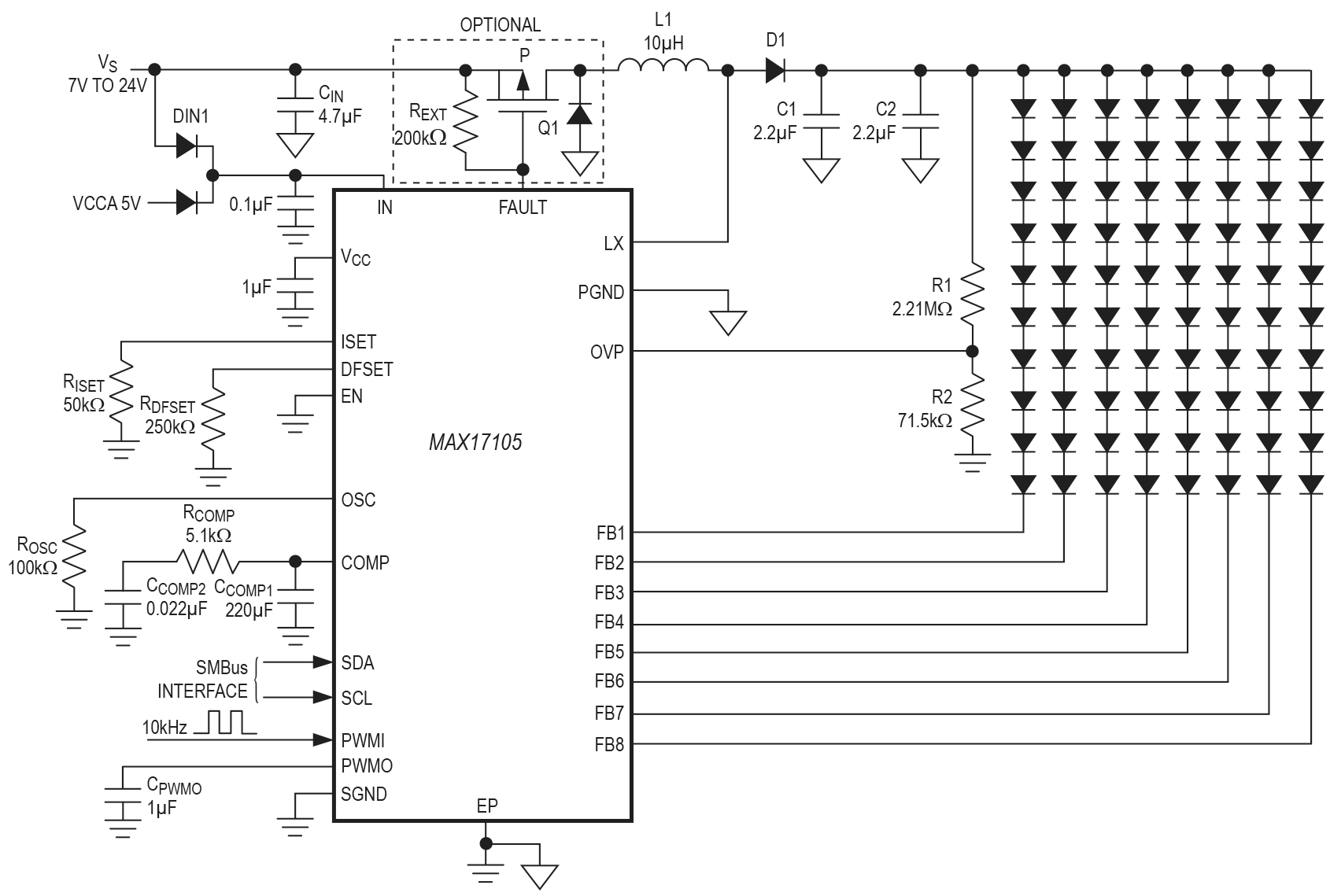
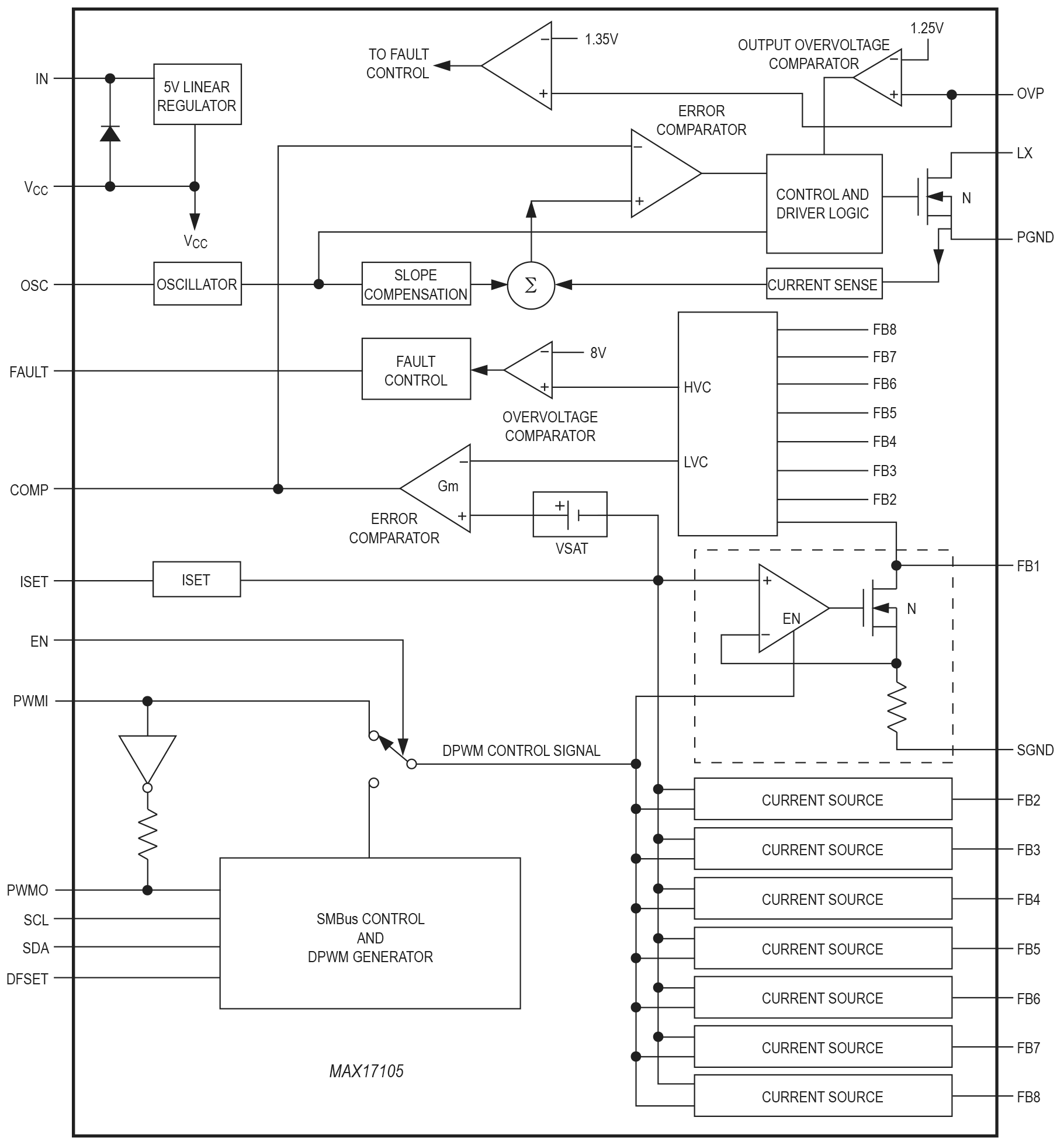
The MAX17105 is a high-efficiency driver for white-light-emitting diodes (WLEDs). It is designed for large liquid-crystal displays (LCDs) that employ an array of LEDs as the light source. An internal switch-current mode step-up controller drives the LED array, which can be configured for up to 8 strings in parallel and 10 LEDs per string. Each string is terminated with ballast that achieves ±2% current regulation accuracy, ensuring even LED brightness. The MAX17105 has a wide input voltage range from 6V to 28V, and provides adjustable 0 to 30mA full-scale LED current.

The MAX17105 can internally generate a digitally adjusted pulse-width modulation (DPWM) signal for accurate WLED dimming control. The DPWM frequency is resistor programmable, while DPWM duty cycle is controlled directly from an external PWM signal or through a control word through the MAX17105's SMBus™ interface. This DPWM control provides a dimming range with 8-bit resolution and supports Intel display power-saving technology (DPST) to maximize battery life. The MAX17105 also has direct PWM control mode, in which the PWMI directly controls the LED current turn on/off and the SMBus interface is disabled.

The MAX17105 has multiple features to protect the controller from fault conditions. Separate feedback loops limit the output voltage under any circumstance, ensuring safe operation. Once an open string is detected, the string is disabled while other strings operate normally. The MAX17105 also features short LED detection. The shorted strings are also disabled. The controller features cycle-by-cycle current limit to provide constant operation and soft-start capability. If the MAX17105 is in current-limit condition, the step-up regulator is latched off after an internal timer expires. A thermal-shutdown circuit provides another level of protection. When the input over-current-limit fault, thermal shutdown, or output-voltage short condition happens, the input p-channel MOSFET is turned off and the step-up regulator output is isolated from the input supply.

The MAX17105 is available in a thermally enhanced, 24-pin, 4mm x 4mm, thin QFN package with exposed pad.

Applications

  • Handy Terminals
  • Notebook, Subnotebook, and Tablet Computer Displays

MAX17105
8-String WLED Driver with Integrated Step-Up Regulator and SMBus/PWM Dimming Capability
MAX17105 Functional Diagram MAX17105 Circuit Diagram MAX17105 Pin Configuration
myAnalogに追加

myAnalogの製品セクション(通知受け取り)、既存/新規プロジェクトに製品を追加する。

新規プロジェクトを作成
質問する
サポート

アナログ・デバイセズのサポート・ページはアナログ・デバイセズへのあらゆるご質問にお答えするワンストップ・ポータルです。


ドキュメント

さらに詳しく
myAnalogに追加

myAnalogのリソース・セクション、既存/新規プロジェクトにメディアを追加する。

新規プロジェクトを作成

ソフトウェア・リソース

必要なソフトウェア/ドライバが見つかりませんか?

ドライバ/ソフトウェアをリクエスト

最新のディスカッション

MAX17105に関するディスカッションはまだありません。意見を投稿しますか?

EngineerZone®でディスカッションを始める

最近表示した製品