MAX17102

製造中止

スキャンドライバ、オペアンプ、LDO、およびVCOMキャリブレータ内蔵、内部スイッチブーストレギュレータ

GIP LCDパネル用、小型、低コストソリューションを提供する高集積PMIC

利用上の注意

本データシートの英語以外の言語への翻訳はユーザの便宜のために提供されるものであり、リビジョンが古い場合があります。最新の内容については、必ず最新の英語版をご参照ください。

なお、日本語版のデータシートは基本的に「Rev.0」(リビジョン0)で作成されています。そのため、英語版が後に改訂され、複数製品のデータシートがひとつに統一された場合、同じ「Rev.0」の日本語版のデータシートが異なる製品のデータシートとして表示されることがあります。たとえば、「ADM3307E」の場合、日本語データシートをクリックすると「ADM3311E」が表示されます。これは、英語版のデータシートが複数の製品で共有できるように1本化され、「ADM3307E/ADM3310E/ADM3311E/ADM3312E/ADM3315E」(Rev.J)と改訂されたからで、決して誤ってリンクが張られているわけではありません。和文化されたデータシートを少しでも有効に活用していただくためにこのような方法をとっておりますので、ご了解ください。

アナログ・デバイセズ社は、提供する情報が正確で信頼できるものであることを期していますが、その情報の利用に関して、あるいはその利用によって生じる第三者の特許やその他の権利の侵害に関して一切の責任を負いません。また、アナログ・デバイセズ社の特許または特許の権利の使用を明示的または暗示的に許諾するものでもありません。仕様は予告なしに変更する場合があります。本紙記載の商標および登録商標は、各社の所有に属します。

Viewing:

製品情報

  • IN電源電圧範囲:2.5V~6V
  • 1.2MHzの電流モードステップアップレギュレータ
    • 高速過渡応答
    • 高精度リファレンス(1.5%)
    • 20V、3.5A、120mΩのMOSFET内蔵
    • 高効率:85%以上
    • 調整可能なソフトスタート
    • 調整可能な定スイッチング周波数
  • 大電流18V出力バッファ
    • 出力短絡電流:150mA (typ)
    • スルーレート:45V/µs
    • -3dB帯域幅:20MHz
    • レイルトゥレイル入力および出力
  • 高電圧スキャンドライバ
    • 出力:+35V~-10V
  • 設定可能なVCOMキャリブレータ
    • 7ビットの調整が可能な電流シンク出力
    • シリアルインタフェース
    • 不揮発性調整メモリ
  • VCOM出力温度補償
    • 設定可能な補償スロープ
    • 設定可能なオフセット
    • 設定可能な補償開始点
  • 熱過負荷保護
  • 7mm x 7mmの48ピンTQFNパッケージ

MAX17102は、スイッチ内蔵高性能ステップアップレギュレータ、専用放電チャネルを備えたマルチチャネル高電圧レベルシフトスキャンドライバ、および設定可能なVCOMキャリブレータを備えたVCOM用オペアンプを内蔵しています。VCOMキャリブレータは、温度補償も備えています。VCOM出力は、外部温度検出素子によって調整することができます。このデバイスは、薄膜トランジスタ(TFT)液晶ディスプレイ(LCD)アプリケーション用に最適化されています。

このステップアップDC-DCコンバータは、パネルソースドライバICに安定化電源電圧を供給します。このコンバータは、450kHz~1.2MHzの周波数調整可能な電流モードレギュレータで、20VのnチャネルパワーMOSFETを内蔵しています。高いスイッチング周波数であるため、超小型インダクタおよびセラミックコンデンサを使用することができます。電流モード制御アーキテクチャによって、パルス負荷に対して高速過渡応答を行うことができます。ステップアップレギュレータは、調整可能なソフトスタートおよびサイクルごとの電流制限を特長としています。

高電圧レベルシフトスキャンドライバは、TFTパネルのゲートロジックの駆動用に設計されています。その8つの出力は、+35V~-10Vで振幅し、容量性負荷を高速で駆動することができます。

このオペアンプは、大出力短絡電流(150mA typ)、高速スルーレート(45V/µs)、および広帯域幅(20MHz)を特長としています。レイルトゥレイル入力および出力は、アプリケーションの柔軟性を最大限にします。

設定可能なVCOMキャリブレータは、シリアルインタフェースを通じてVCOMレベルを調整します。所望のVCOM電圧レベルを保存するために、不揮発性メモリが使用されています。

MAX17102は、薄型LCDパネル用に高さ0.8mm (max)の48ピンTQFNパッケージ(7mm x 7mm)で提供されています。

アプリケーション

  • LCDモニタパネル

MAX17102
スキャンドライバ、オペアンプ、LDO、およびVCOMキャリブレータ内蔵、内部スイッチブーストレギュレータ
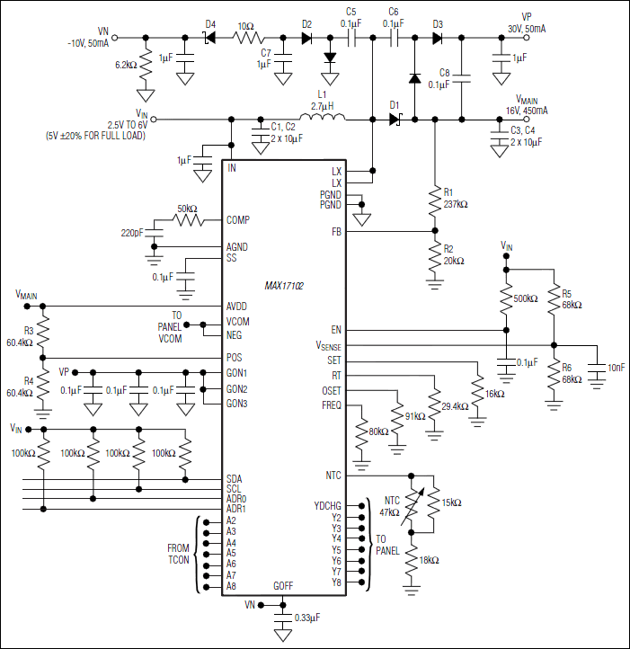
MAX17102:標準動作回路
myAnalogに追加

myAnalogの製品セクション(通知受け取り)、既存/新規プロジェクトに製品を追加する。

新規プロジェクトを作成
質問する
サポート

アナログ・デバイセズのサポート・ページはアナログ・デバイセズへのあらゆるご質問にお答えするワンストップ・ポータルです。


ドキュメント

さらに詳しく
myAnalogに追加

myAnalogのリソース・セクション、既存/新規プロジェクトにメディアを追加する。

新規プロジェクトを作成

ソフトウェア・リソース

必要なソフトウェア/ドライバが見つかりませんか?

ドライバ/ソフトウェアをリクエスト

最新のディスカッション

MAX17102に関するディスカッションはまだありません。意見を投稿しますか?

EngineerZone®でディスカッションを始める

最近表示した製品