MAX17031

製造中

メイン電源用、低電力LDOおよびRTCレギュレータ内蔵、デュアルQuick-PWM、ステップダウンコントローラ

高集積かつノートブックのメイン電源の仕様に完全準拠

利用上の注意

本データシートの英語以外の言語への翻訳はユーザの便宜のために提供されるものであり、リビジョンが古い場合があります。最新の内容については、必ず最新の英語版をご参照ください。

なお、日本語版のデータシートは基本的に「Rev.0」(リビジョン0)で作成されています。そのため、英語版が後に改訂され、複数製品のデータシートがひとつに統一された場合、同じ「Rev.0」の日本語版のデータシートが異なる製品のデータシートとして表示されることがあります。たとえば、「ADM3307E」の場合、日本語データシートをクリックすると「ADM3311E」が表示されます。これは、英語版のデータシートが複数の製品で共有できるように1本化され、「ADM3307E/ADM3310E/ADM3311E/ADM3312E/ADM3315E」(Rev.J)と改訂されたからで、決して誤ってリンクが張られているわけではありません。和文化されたデータシートを少しでも有効に活用していただくためにこのような方法をとっておりますので、ご了解ください。

アナログ・デバイセズ社は、提供する情報が正確で信頼できるものであることを期していますが、その情報の利用に関して、あるいはその利用によって生じる第三者の特許やその他の権利の侵害に関して一切の責任を負いません。また、アナログ・デバイセズ社の特許または特許の権利の使用を明示的または暗示的に許諾するものでもありません。仕様は予告なしに変更する場合があります。本紙記載の商標および登録商標は、各社の所有に属します。

Viewing:

製品情報

  • デュアルQuick-PWM
  • 5Vおよび3.3Vのプリセット出力
  • 内蔵100mA、5Vリニアレギュレータ
  • 内蔵OUT1 LDO5 バイパススイッチ
  • チャージポンプを維持する2次フィードバック(SKIP入力)
  • 3.3V、5mAリアルタイムクロック(RTC)電源(常時オン)
  • リファレンス:2V ±1% 50µA
  • 入力範囲:6V~24V
  • パルススキップ/強制PWM/超音波制御
  • 独立したSMPSおよびLDO5イネーブル制御
  • 組み合わせたSMPS PGOOD出力
  • 最小限の部品点数

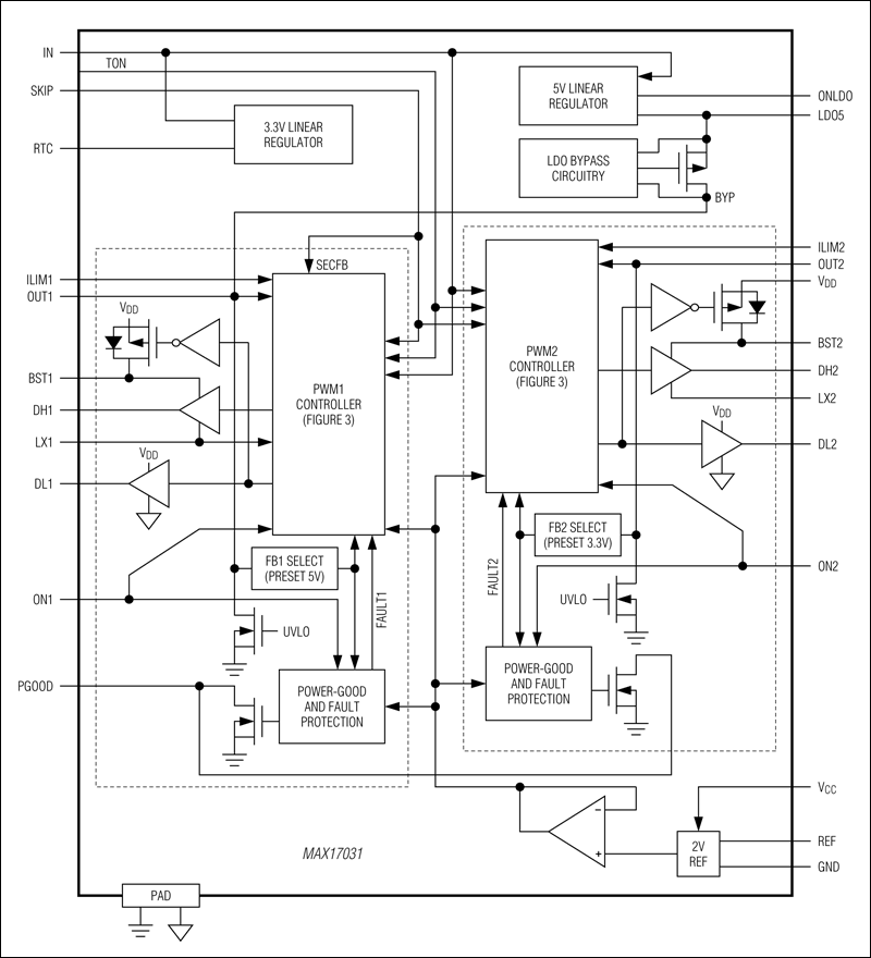
MAX17031は、バッテリ駆動システムの5V/3.3Vメイン電源生成用、同期整流、デュアルQuick-PWM™ステップダウン電源(SMPS)コントローラです。ローサイドMOSFET検出は、谷電流制限保護用に、シンプルで低コストな高効率電流検出となります。この電流制限は、出力過電圧および低電圧保護機能とともに、堅牢な出力電源となります。

5V/3.3VのSMPS出力は、可聴ノイズを回避するためにパルススキップモードまたは超音波モードで動作することによって、電力を節約することができます。超音波モードでは、軽負荷時のスイッチング周波数を20kHz以上に維持するようコントローラを強制します。また、SKIP入力は、高精度ロジックスレッショルドを備えており、出力電圧を過充電することなく、外付けチャージポンプをリフレッシュするための2次フィードバック入力、または2次巻線として使用可能です。

内蔵の100mAリニアレギュレータは、起動または他の低電力「常時オン」サスペンド電源で必要な5Vバイアスを生成します。内蔵のバイパス回路によって、5VのSMPSがアクティブの時はリニアレギュレータが自動的にバイパスされます。

このデバイスは、明確に定義されたロジックスレッショルドを持つ独立したシャットダウン制御を備えており、電源オンおよび電源オフのシーケンスを簡素化します。起動時の電流サージを防止するために、内部電圧ターゲットはゼロから最終ターゲットまで1msでゆっくりとランプアップします。出力がシャットダウン時にグランド以下にリンギングするのを防止するために、内部電圧ターゲットは、前の値からゼロまで1msでランプダウンします。組み合わせたパワーグッド(PGOOD)出力によって、外付けコントローラとのインタフェースが簡素化されます。MAX17031は、24ピンTQFN (4mm x 4mm)パッケージで提供されています。

アプリケーション

  • 2~4個のLi+ (リチウムイオン)セルバッテリ駆動デバイス
  • 主システム電源(5Vおよび3.3V電源)
  • ノートブックコンピュータ
  • テレコム
  • ウルトラモバイルPC

MAX17031
メイン電源用、低電力LDOおよびRTCレギュレータ内蔵、デュアルQuick-PWM、ステップダウンコントローラ
MAX17031:ファンクションダイアグラムの概要
myAnalogに追加

myAnalogの製品セクション(通知受け取り)、既存/新規プロジェクトに製品を追加する。

新規プロジェクトを作成
質問する
サポート

アナログ・デバイセズのサポート・ページはアナログ・デバイセズへのあらゆるご質問にお答えするワンストップ・ポータルです。


ドキュメント

さらに詳しく
myAnalogに追加

myAnalogのリソース・セクション、既存/新規プロジェクトにメディアを追加する。

新規プロジェクトを作成

ソフトウェア・リソース

必要なソフトウェア/ドライバが見つかりませんか?

ドライバ/ソフトウェアをリクエスト

最新のディスカッション

MAX17031に関するディスカッションはまだありません。意見を投稿しますか?

EngineerZone®でディスカッションを始める

最近表示した製品