MAX17007

製造中止

ノートブックコンピュータ用、組合せ可能な、デュアルQPWMグラフィクスコアコントローラ

2つのスイッチモード電源を組み合わせて、2フェーズ、単一出力モードで動作可能

利用上の注意

本データシートの英語以外の言語への翻訳はユーザの便宜のために提供されるものであり、リビジョンが古い場合があります。最新の内容については、必ず最新の英語版をご参照ください。

なお、日本語版のデータシートは基本的に「Rev.0」(リビジョン0)で作成されています。そのため、英語版が後に改訂され、複数製品のデータシートがひとつに統一された場合、同じ「Rev.0」の日本語版のデータシートが異なる製品のデータシートとして表示されることがあります。たとえば、「ADM3307E」の場合、日本語データシートをクリックすると「ADM3311E」が表示されます。これは、英語版のデータシートが複数の製品で共有できるように1本化され、「ADM3307E/ADM3310E/ADM3311E/ADM3312E/ADM3315E」(Rev.J)と改訂されたからで、決して誤ってリンクが張られているわけではありません。和文化されたデータシートを少しでも有効に活用していただくためにこのような方法をとっておりますので、ご了解ください。

アナログ・デバイセズ社は、提供する情報が正確で信頼できるものであることを期していますが、その情報の利用に関して、あるいはその利用によって生じる第三者の特許やその他の権利の侵害に関して一切の責任を負いません。また、アナログ・デバイセズ社の特許または特許の権利の使用を明示的または暗示的に許諾するものでもありません。仕様は予告なしに変更する場合があります。本紙記載の商標および登録商標は、各社の所有に属します。

Viewing:

製品情報

  • 高速過渡応答のデュアルQuick-PWM
  • 自動ダイナミックREFIN1検出とPGOOD1/フォルトブランキング
  • 固定および可変出力電圧
    • 出力精度:0.7% (全電源/負荷範囲)
    • OUT1:0~2Vダイナミック出力、またはプリセット1.05V
    • OUT2:0.7V~2V範囲、またはプリセット1.5V
  • 抵抗で設定可能なスイッチング周波数
  • 内蔵BSTスイッチ
  • 差動電流検出入力
    • 低コストDCR検出または高精度電流検出抵抗
    • 内部結合された電流検出補償
  • 組合せ可能なモードによって大電流ダイナミック出力電圧をサポート
  • 強制PWM、パルススキップ、または超音波モード動作を選択可能
  • 最大入力電圧定格:26V
  • 独立したイネーブル入力
  • 独立したパワーグッド出力
  • 過電圧保護(MAX17007のみ)
  • 低電圧/過熱保護
  • 自動ダイナミックREFIN1検出とPGOOD1/フォルトブランキング
  • 電圧ソフトスタートとソフトシャットダウン

MAX17007/MAX17008は、デュアルQuick-PWM™ステップダウンコントローラで、バッテリ駆動システムにおける汎用電源生成用に設計されています。2つのスイッチモード電源(SMPS)は、2フェーズ単一出力モードで動作するように組み合わせることもできます。一定オン時間Quick-PWM動作は、過渡負荷に対して高速応答を提供し、広範な入力/出力(I/O)電圧比を容易に処理しながら、比較的一定したスイッチング周波数を維持します。スイッチング周波数は、外付け抵抗を使って200kHz~600kHzで個別に調整することができます。差動出力電流検出によって、出力検出抵抗による検出は高精度な電流制限を可能とし、無損失インダクタ直流抵抗(DCR)電流は0.7%の出力精度を維持しながら低電力損失とすることができます。過電圧(MAX17007のみ)、低電圧保護、および高精度なユーザ選択可能な電流制限(15mV、30mV, 45mV、および60mV)は堅牢な動作を保証します。

SMPS出力は、スキップモードで動作するか、軽負荷時の効率を向上する超音波モードで動作することができます。超音波モードは、パルススキップモードの25kHzの最小スイッチング周波数を維持して、可聴ノイズを排除します。

SMPS1の出力電圧は、REFIN1端子の電圧を変更して、ダイナミックに調整することができます。このデバイスは、0.5%の高精度リファレンス出力を備え、REFIN1電圧の設定に使用することができます。内部回路とそのゲートドライバの駆動には、外部5Vバイアス電源が必要です。

明確に定義されたロジックスレッショルドを備えた独立したオン/オフ制御、および独立したオープンドレインパワーグッド出力は、フレキシブルなシステム構成を提供します。スタートアップ時の電流サージを防止するために、内部電圧ターゲットは、ゼロから最終ターゲットに緩やかにランプアップし、スルーレートは、SMPS1の場合CSL1で1.3mV/µs、SMPS2の場合FB2で0.65mV/µsとなります。出力がシャットダウン時にグランド以下に降下するのを防止するために、内部電圧ターゲットは、同じ各スルーレートで、前の値からゼロにランプダウンします。ブートストラップスイッチが内蔵されているため、外付けブートストラップダイオードは不要です。

MAX17007/MAX17008は、エクスポーズド裏面パッド付き、省スペース4mm x 4mmの28ピンTQFNパッケージで提供されます。

アプリケーション

  • 2~4個のLi+ (リチウムイオン)セルバッテリ駆動デバイス
  • 5Vおよび3.3V電源
  • GPUコア電源
  • 低電力I/O電源
  • ノートブックコンピュータ

MAX17007
ノートブックコンピュータ用、組合せ可能な、デュアルQPWMグラフィクスコアコントローラ
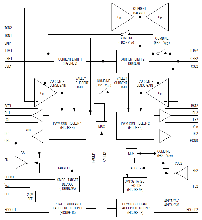
MAX17007:ファンクションダイアグラム
myAnalogに追加

myAnalogの製品セクション(通知受け取り)、既存/新規プロジェクトに製品を追加する。

新規プロジェクトを作成
質問する
サポート

アナログ・デバイセズのサポート・ページはアナログ・デバイセズへのあらゆるご質問にお答えするワンストップ・ポータルです。


ドキュメント

さらに詳しく
myAnalogに追加

myAnalogのリソース・セクション、既存/新規プロジェクトにメディアを追加する。

新規プロジェクトを作成

ソフトウェア・リソース

必要なソフトウェア/ドライバが見つかりませんか?

ドライバ/ソフトウェアをリクエスト

最新のディスカッション

MAX17007に関するディスカッションはまだありません。意見を投稿しますか?

EngineerZone®でディスカッションを始める

最近表示した製品