MAX17004

最終販売

ノートブックコンピュータ用、高効率、クワッド出力、主電源コントローラ

最小の入力電圧から26Vの最大入力までの入力リップル電流を最小限に抑える最適なインタリーブを備えた固定周波数動作

利用上の注意

本データシートの英語以外の言語への翻訳はユーザの便宜のために提供されるものであり、リビジョンが古い場合があります。最新の内容については、必ず最新の英語版をご参照ください。

なお、日本語版のデータシートは基本的に「Rev.0」(リビジョン0)で作成されています。そのため、英語版が後に改訂され、複数製品のデータシートがひとつに統一された場合、同じ「Rev.0」の日本語版のデータシートが異なる製品のデータシートとして表示されることがあります。たとえば、「ADM3307E」の場合、日本語データシートをクリックすると「ADM3311E」が表示されます。これは、英語版のデータシートが複数の製品で共有できるように1本化され、「ADM3307E/ADM3310E/ADM3311E/ADM3312E/ADM3315E」(Rev.J)と改訂されたからで、決して誤ってリンクが張られているわけではありません。和文化されたデータシートを少しでも有効に活用していただくためにこのような方法をとっておりますので、ご了解ください。

アナログ・デバイセズ社は、提供する情報が正確で信頼できるものであることを期していますが、その情報の利用に関して、あるいはその利用によって生じる第三者の特許やその他の権利の侵害に関して一切の責任を負いません。また、アナログ・デバイセズ社の特許または特許の権利の使用を明示的または暗示的に許諾するものでもありません。仕様は予告なしに変更する場合があります。本紙記載の商標および登録商標は、各社の所有に属します。

Viewing:

製品情報

  • 固定周波数、電流モード制御
  • 40/60の最適なインタリーブ
  • BSTスイッチを内蔵
  • 5V、100mAのリニアレギュレータ内蔵
  • 補助リニアレギュレータドライバ(12Vまたは最低1Vまで可変)
  • Dual Mode™フィードバック:3.3V/5Vの固定、または可変出力電圧
  • スイッチング周波数:200kHz/300kHz/500kHz
  • 低電圧保護および過熱障害保護
  • 過電圧障害保護(MAX17003のみ)
  • 入力電圧範囲:6V~26V
  • リファレンス出力:2V ±0.75%
  • 独立したイネーブル入力およびパワーグッド出力
  • ソフトスタートおよびソフト放電(電圧上昇/下降)
  • シャットダウン電流:8µA (typ)

MAX17003/MAX17004は同期整流を行うデュアルのステップダウン、スイッチモード電源(SMPS)コントローラで、バッテリ給電システムにおいて5V/3.3Vの主電源を生成するように設計されています。最適なインタリーブを行う固定周波数動作によって、最低入力電圧から26Vの最大入力まで入力リップル電流が最低限に抑制されます。40/60の最適なインタリーブによって、入力が10Vを下回るとデューティサイクルのオーバラップが発生する180°逆位相レギュレータに比べて、デューティサイクルのオーバラップが発生する前に入力電圧を最低8.3Vまで下げることができます。

高精度の検出抵抗か、または無損失のインダクタDCR電流検出を使用する出力電流検出によってピーク電流制限保護が行われます。低ノイズモードでは、スイッチング周波数を可聴範囲外に維持しながら、軽負荷時の高効率が確保されます。

5V固定の100mA内蔵リニアレギュレータは外部キープアライブ負荷のほかに、MAX17003/MAX17004およびそのゲートドライバを駆動します。メインPWMレギュレータがレギュレーションの範囲内にある時は、自動ブートストラップスイッチは内蔵リニアレギュレータをバイパスし、最大200mAの電流を供給します。外付けpnpトランジスタを使用する調整可能なもう一つのリニアレギュレータドライバは2次巻線を使用して、12V電源を供給するか、またはメイン出力から直接駆動して最低1Vの低電圧出力を生成することができます。

個別のイネーブル制御およびパワーグッド信号によって、フレキシブルな電源シーケンスが可能です。電圧ソフトスタートは出力電圧を漸増させ、突入電流を低減し、またソフト放電は出力電圧を漸減させ、負電圧への降下を防止します。MAX17003/MAX17004は、出力低電圧保護と過熱障害保護を備えています。また、MAX17003は出力過電圧障害保護も備えています。

MAX17003/MAX17004は、5mm x 5mmの32ピンTQFNパッケージで提供されます。裏面エクスポーズドパッドによって、要件の厳しいリニアキープアライブアプリケーションの熱特性が向上します。

アプリケーション

  • 2~4 Li+ (リチウムイオン)セルのバッテリ駆動デバイス
  • 主電源
  • ノートブックおよびサブノートブックコンピュータ
  • PDAおよびモバイル通信機器

MAX17004
ノートブックコンピュータ用、高効率、クワッド出力、主電源コントローラ
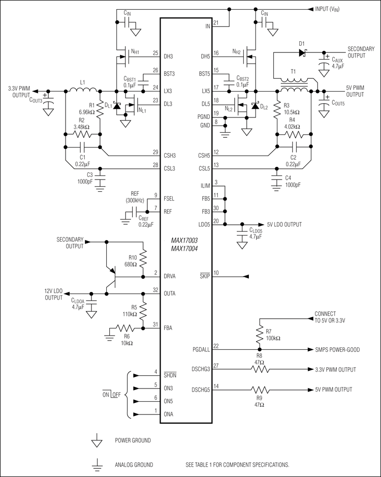
MAX17003、MAX17004:標準アプリケーション回路
myAnalogに追加

myAnalogの製品セクション(通知受け取り)、既存/新規プロジェクトに製品を追加する。

新規プロジェクトを作成
質問する
サポート

アナログ・デバイセズのサポート・ページはアナログ・デバイセズへのあらゆるご質問にお答えするワンストップ・ポータルです。


ドキュメント

さらに詳しく
myAnalogに追加

myAnalogのリソース・セクション、既存/新規プロジェクトにメディアを追加する。

新規プロジェクトを作成

ソフトウェア・リソース

必要なソフトウェア/ドライバが見つかりませんか?

ドライバ/ソフトウェアをリクエスト

ハードウェア・エコシステム

製品モデル 製品ライフサイクル 詳細
スイッチング・レギュレータ & コントローラ 1
MAX8744 製造中止 ノートブックコンピュータ用、高効率、クワッド出力、メイン電源コントローラ
Modal heading
myAnalogに追加

myAnalogの製品セクション(通知受け取り)、既存/新規プロジェクトに製品を追加する。

新規プロジェクトを作成

最新のディスカッション

MAX17004に関するディスカッションはまだありません。意見を投稿しますか?

EngineerZone®でディスカッションを始める

最近表示した製品