MAX16050

製造中

逆シーケンス機能付き、電圧モニタ/シーケンサ回路

使いやすい、4/5電圧、パワーアップ/パワーダウンシーケンサ/モニタ

利用上の注意

本データシートの英語以外の言語への翻訳はユーザの便宜のために提供されるものであり、リビジョンが古い場合があります。最新の内容については、必ず最新の英語版をご参照ください。

なお、日本語版のデータシートは基本的に「Rev.0」(リビジョン0)で作成されています。そのため、英語版が後に改訂され、複数製品のデータシートがひとつに統一された場合、同じ「Rev.0」の日本語版のデータシートが異なる製品のデータシートとして表示されることがあります。たとえば、「ADM3307E」の場合、日本語データシートをクリックすると「ADM3311E」が表示されます。これは、英語版のデータシートが複数の製品で共有できるように1本化され、「ADM3307E/ADM3310E/ADM3311E/ADM3312E/ADM3315E」(Rev.J)と改訂されたからで、決して誤ってリンクが張られているわけではありません。和文化されたデータシートを少しでも有効に活用していただくためにこのような方法をとっておりますので、ご了解ください。

アナログ・デバイセズ社は、提供する情報が正確で信頼できるものであることを期していますが、その情報の利用に関して、あるいはその利用によって生じる第三者の特許やその他の権利の侵害に関して一切の責任を負いません。また、アナログ・デバイセズ社の特許または特許の権利の使用を明示的または暗示的に許諾するものでもありません。仕様は予告なしに変更する場合があります。本紙記載の商標および登録商標は、各社の所有に属します。

Viewing:

製品情報

  • 最大6つの電圧の監視/最大5つの電圧のシーケンス(MAX16051)
  • 端子選択可能なシーケンス順序(MAX16050のみ)
  • シャットダウン時の逆シーケンス機能
  • 個別出力による過電圧監視
  • スレッショルド精度:±1.5%
  • 動作電圧範囲:2.7V~16V
  • チャージポンプによって外付けnチャネルFETを完全にエンハンス
  • コンデンサで調整可能なシーケンスの遅延
  • リセットタイムアウトを固定またはコンデンサで調整可能
  • 内蔵の85mAプルダウンによって容量性負荷を高速放電
  • デイジーチェーン可能で複数デバイスと通信
  • 4mm x 4mmの小型28ピンTQFNパッケージ

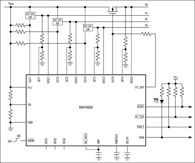
MAX16050は最大5つの電圧を監視し、最大4つの電圧をシーケンスするのに対し、MAX16051は最大6つの電圧を監視し、最大5つの電圧をシーケンスします。これらのデバイスは、各電源がオンにされると、調整可能な遅延を提供し、入力電圧VCCを含む、各電源電圧を監視します。すべての電圧が最終値に到達して、リセット遅延タイマーが終了すると、パワーオンリセット(アクティブローRESET)出力がアサートを停止し、マイクロコントローラ(µC)は動作可能になります。いずれかの電圧がそのスレッショルドを下回ると、リセット出力がアサートされて、すべての電圧電源がオフになります。MAX16050/MAX16051は、デイジーチェーン接続することによって、システム内のより多くの数の電圧を制御することができます。

パワーダウンイベント時、MAX16050/MAX16051は出力を逆シーケンスにすることができます。この場合、各電圧は、250mVレベルに達するまで順番にオフになり、250mVの時点で、次の電源がオフになります。また、MAX16050/MAX16051は、パワーダウン時にオンになる内部プルダウン回路構成も備えており、大きい出力コンデンサを放電することができます。

MAX16050/MAX16051は、外付けnチャネルMOSFETを駆動するためのプルアップ電圧として使用可能なチャージポンプ電源出力、および監視対象の電圧がその過電圧スレッショルドを超えたタイミングを示す過電圧出力を備えています。また、MAX16050はシーケンス順序を変更するための3つのシーケンス制御入力も提供します。他方、MAX16051は固定のシーケンス順序となっています。

MAX16050/MAX16051は、28ピンTQFNパッケージ(4mm x 4mm)で提供され、-40℃~+85℃の拡張温度範囲での動作が保証されています。

デザインソリューション:Avoid Catastrophic Power Failures with Proper Voltage Sequencing and Monitoring ›

アプリケーション

  • ネットワーキングシステム
  • サーバ
  • ストレージシステム
  • テレコム機器
  • ワークステーション

MAX16050
逆シーケンス機能付き、電圧モニタ/シーケンサ回路
MAX16050、MAX16051:標準動作回路
myAnalogに追加

myAnalogの製品セクション(通知受け取り)、既存/新規プロジェクトに製品を追加する。

新規プロジェクトを作成
質問する
サポート

アナログ・デバイセズのサポート・ページはアナログ・デバイセズへのあらゆるご質問にお答えするワンストップ・ポータルです。


ドキュメント

さらに詳しく
myAnalogに追加

myAnalogのリソース・セクション、既存/新規プロジェクトにメディアを追加する。

新規プロジェクトを作成

ソフトウェア・リソース

必要なソフトウェア/ドライバが見つかりませんか?

ドライバ/ソフトウェアをリクエスト

評価用キット

eval board
MAX16050EVKIT

MAX16050の評価キット

機能と利点

  • DC-DCコンバータなしのQuick Demo Mode評価
  • 最大9つのDC-DCコンバータ出力を監視およびシーケンス
  • 逆シーケンス動作
  • 設定可能なシーケンスオーダー(MAX16050のみ)
  • MAX16050およびMAX16051のデイジーチェーン動作
  • 過電圧およびパワーグッド監視
  • 完全実装および試験済み

製品詳細

MAX16050の評価キット(EVキット)は、4チャネルのシーケンス用ICのMAX16050および5チャネルのMAX16051の機能を検証する完全実装および試験済みマルチ電圧シーケンサ回路です。MAX16050のEVキットは、最大9つのDC-DCコンバータ出力を監視し、電圧シーケンスが必要なシステムで正しいパワーアップおよびパワーダウン状態を保証します。

このEVキットは、アクティブローRESET出力信号が特長で、低電圧状態、またはアクティブローSHDN、またはアクティブローFAULT信号がローになったことを表示します。また、専用のアクティブローOV_OUT出力は、EVキットの入力のいずれかが過電圧スレッショルドを超えた場合に過電圧フォルトを示します。このEVキットは、MAX16050およびMAX16051を個別に評価し、この2つのデバイスを互いにデイジーチェーン接続するように構成することができ、これによってユーザは2つのデバイス間で最大9つの電圧をシーケンスおよび監視することができます。また、MAX16050のEVキットは、MAX16050およびMAX16051のチャージポンプ出力を使用して制御される低電流MOSFET用のPCBパッドも提供します。

MAX16050 EVキットは、各ICに1つで2つの電源を使用しています。各電源は2.7V~13.2Vの範囲が可能で、ユーザは中間バス電圧から直接動作させることができます。また、MAX16050のEVキットは、プルアップ抵抗のオープンドレインロジック出力用に追加で2.2V~5.5Vの電源を必要とします。

アプリケーション

  • ネットワーキングシステム
  • サーバ
  • ストレージシステム
  • テレコム機器
  • ワークステーション

MAX16050EVKIT
MAX16050の評価キット
MAX16050EVKIT:ボード写真

最新のディスカッション

最近表示した製品