MAX16046A

製造中

不揮発性フォルトレジスタ内蔵、12チャネル/8チャネルEEPROMプログラマブルシステムマネージャ

NVフォルト監視内蔵、超高集積、12チャネル/8チャネルシステムマネージメントIC

利用上の注意

本データシートの英語以外の言語への翻訳はユーザの便宜のために提供されるものであり、リビジョンが古い場合があります。最新の内容については、必ず最新の英語版をご参照ください。

なお、日本語版のデータシートは基本的に「Rev.0」(リビジョン0)で作成されています。そのため、英語版が後に改訂され、複数製品のデータシートがひとつに統一された場合、同じ「Rev.0」の日本語版のデータシートが異なる製品のデータシートとして表示されることがあります。たとえば、「ADM3307E」の場合、日本語データシートをクリックすると「ADM3311E」が表示されます。これは、英語版のデータシートが複数の製品で共有できるように1本化され、「ADM3307E/ADM3310E/ADM3311E/ADM3312E/ADM3315E」(Rev.J)と改訂されたからで、決して誤ってリンクが張られているわけではありません。和文化されたデータシートを少しでも有効に活用していただくためにこのような方法をとっておりますので、ご了解ください。

アナログ・デバイセズ社は、提供する情報が正確で信頼できるものであることを期していますが、その情報の利用に関して、あるいはその利用によって生じる第三者の特許やその他の権利の侵害に関して一切の責任を負いません。また、アナログ・デバイセズ社の特許または特許の権利の使用を明示的または暗示的に許諾するものでもありません。仕様は予告なしに変更する場合があります。本紙記載の商標および登録商標は、各社の所有に属します。

Viewing:

製品情報

  • 動作電圧:3V~14V
  • 1%精度10ビットADCによって、12/8チャネルの入力を監視
  • 12/8チャネルの監視入力:1種の過電圧/1種の低電圧/1種の選択可能な限界値
  • 12/8チャネルの8ビットDAC出力によって、マージニングまたは電圧調整
  • 不揮発性フォルトイベントロガー
  • パワーアップおよびパワーダウンシーケンス機能
  • シーケンス/パワーグッドインジケータ用の12/8チャネルの出力
  • 最大4つのチャネルに対する閉ループトラッキング
  • 2つのプログラマブルフォルト出力と1つのリセット出力
  • 6つの汎用入力/出力設定:
    • 専用フォルト出力
    • ウォッチドッグタイマ機能
    • マニュアルリセット
    • マージンイネーブル入力
  • I²C/SMBus対応およびJTAGインタフェース
  • EEPROM設定可能な時間遅延、スレッショルド、およびDAC出力
  • 100バイトの内蔵ユーザーEEPROM
  • 動作温度範囲:-40℃~+125℃

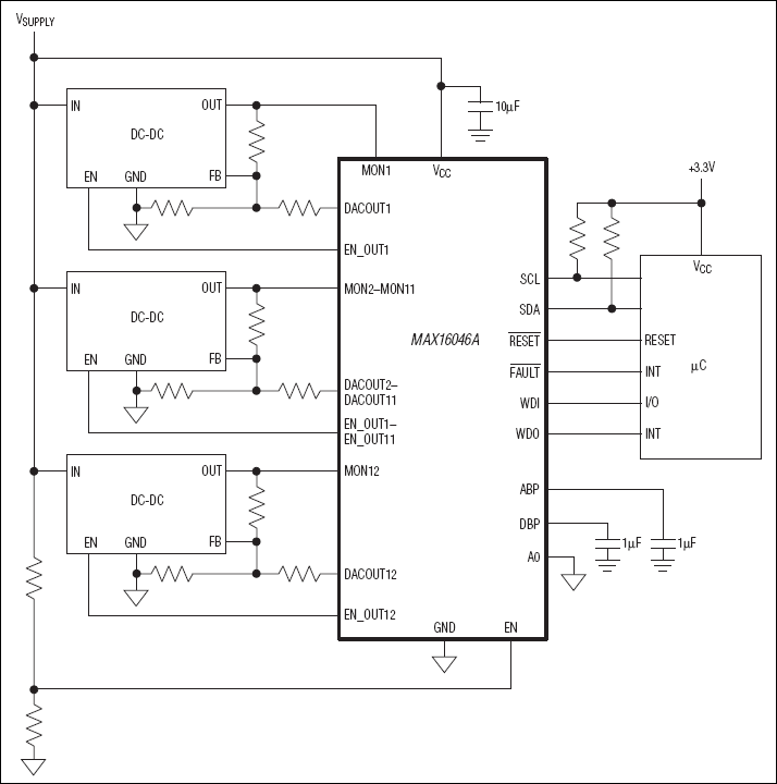
EEPROM設定可能なシステムマネージャのMAX16046A/MAX16048Aは、複数のシステム電圧の監視、シーケンス、トラッキング、マージニングを提供します。MAX16046Aは、最大12のシステム電圧を同時に管理し、MAX16048Aは、最大8つの電源電圧を管理します。これらのデバイスは、電源電圧の監視用のアナログ-デジタルコンバータ(ADC)、電源電圧の調整用のデジタル-アナログコンバータ(DAC)、および電源のシーケンスとトラッキング(パワーアップとパワーダウン時)用に設定可能な出力を内蔵しています。電圧の上限および下限値の格納、タイミングおよびシーケンス要件の設定、および障害後のリードバックに重要なフォルトデータの格納を行うために、不揮発性EEPROMレジスタを設定することができます。

内蔵の1%精度10ビットADCは、各入力を測定し、その結果を上限値、下限値、および選択可能な上限または下限値と比較します。フォルト信号は、監視対象の電圧が設定された限界値外になるとアサートします。さまざまなフォルト状態の条件でアサートするために、最大3つの独立したフォルト出力信号を設定することができます。

内蔵のシーケンサ/トラッカによって、最大12チャネル(MAX16046A)または最大8チャネル(MAX16048A)の電源のパワーアップおよびパワーダウン順序を高精度で制御することができます。4つのチャネル(EN_OUT1~EN_OUT4)は、外付けの直列MOSFETを使用した閉ループトラッキングをサポートします。閉ループトラッキングなしでMOSFETを直接駆動するために、6つの出力(EN_OUT1~EN_OUT6)をチャージポンプ出力とともに設定することができます。

MAX16046A/MAX16048Aは、POL (ポイントオブロード)モジュールのトリム入力に接続されたときに電源をマージニングさせるために、12/8チャネルの8ビットDAC出力を内蔵しています。

MAX16046A/MAX16048Aは、6つのプログラマブルな汎用入力/出力(GPIO)を備えています。GPIOは、専用フォルト出力として、ウォッチドッグ入力または出力(WDI/WDO)として、マニュアルリセット(アクティブローMR)、またはマージン制御入力用にEEPROM設定が可能です。

MAX16046A/MAX16048Aは、システムシャットダウンイベント時に情報を記録するために、2つの方法のフォルト管理を備えています。このフォルトロガーは、内蔵EEPROMにおける障害を記録し、格納されたフォルトデータを偶発的な消去から保護するロックビットを設定します。

I²C/SMBus™対応またはJTAGシリアルインタフェースによって、MAX16046A/MAX16048Aを設定します。これらのデバイスは、8mm x 8mmの56ピンTQFNパッケージまたは10mm x 10mmの64ピンTQFPパッケージで提供され、-40℃~+125℃の全温度範囲での動作が保証されています。

アプリケーション

  • ネットワーキング/テレコム
  • サーバ
  • ストレージシステム
  • ワークステーション

MAX16046A
不揮発性フォルトレジスタ内蔵、12チャネル/8チャネルEEPROMプログラマブルシステムマネージャ
MAX16046A、MAX16048A:標準動作回路
myAnalogに追加

myAnalogの製品セクション(通知受け取り)、既存/新規プロジェクトに製品を追加する。

新規プロジェクトを作成
質問する
サポート

アナログ・デバイセズのサポート・ページはアナログ・デバイセズへのあらゆるご質問にお答えするワンストップ・ポータルです。


ドキュメント

さらに詳しく
myAnalogに追加

myAnalogのリソース・セクション、既存/新規プロジェクトにメディアを追加する。

新規プロジェクトを作成

ソフトウェア・リソース

必要なソフトウェア/ドライバが見つかりませんか?

ドライバ/ソフトウェアをリクエスト

ハードウェア・エコシステム

製品モデル 製品ライフサイクル 詳細
パワー・システム・マネージメント(PSM) & シーケンサ 2
MAX16049 製造中止 不揮発性フォルトレジスタ内蔵、12/8チャネルEEPROM設定可能なシステムマネージャ
MAX16047 製造中 不揮発性フォルトレジスタ内蔵、12/8チャネルEEPROM設定可能なシステムマネージャ
Modal heading
myAnalogに追加

myAnalogの製品セクション(通知受け取り)、既存/新規プロジェクトに製品を追加する。

新規プロジェクトを作成

最新のディスカッション

MAX16046Aに関するディスカッションはまだありません。意見を投稿しますか?

EngineerZone®でディスカッションを始める

最近表示した製品