MAX14811

フォルト状態管理内蔵、デュアル、ユニポーラ/バイポーラ、高電圧デジタルパルサー

高集積、デュアルデジタルパルサーがアクティブクランプ技術を実装してパルス品質を向上

利用上の注意

本データシートの英語以外の言語への翻訳はユーザの便宜のために提供されるものであり、リビジョンが古い場合があります。最新の内容については、必ず最新の英語版をご参照ください。

なお、日本語版のデータシートは基本的に「Rev.0」(リビジョン0)で作成されています。そのため、英語版が後に改訂され、複数製品のデータシートがひとつに統一された場合、同じ「Rev.0」の日本語版のデータシートが異なる製品のデータシートとして表示されることがあります。たとえば、「ADM3307E」の場合、日本語データシートをクリックすると「ADM3311E」が表示されます。これは、英語版のデータシートが複数の製品で共有できるように1本化され、「ADM3307E/ADM3310E/ADM3311E/ADM3312E/ADM3315E」(Rev.J)と改訂されたからで、決して誤ってリンクが張られているわけではありません。和文化されたデータシートを少しでも有効に活用していただくためにこのような方法をとっておりますので、ご了解ください。

アナログ・デバイセズ社は、提供する情報が正確で信頼できるものであることを期していますが、その情報の利用に関して、あるいはその利用によって生じる第三者の特許やその他の権利の侵害に関して一切の責任を負いません。また、アナログ・デバイセズ社の特許または特許の権利の使用を明示的または暗示的に許諾するものでもありません。仕様は予告なしに変更する場合があります。本紙記載の商標および登録商標は、各社の所有に属します。

Viewing:

製品情報

  • フォルト状態管理
  • 高集積、高電圧、高周波数のユニポーラ/バイポーラパルサー
  • 出力インピーダンス:9Ω、出力電流:2.0A (typ)
  • アクティブクランプ:27Ω
  • パルサーとクランプ過電圧保護
  • ユニポーラ出力:0~+220V、またはバイポーラ出力:±110V
  • 整合された立上り/立下り時間と整合された伝搬遅延
  • CMOS対応ロジック入力
  • 7mm x 7mmの56ピンTQFNパッケージ

MAX14811集積回路は、低電圧ロジック入力から高電圧高周波数のユニポーラまたはバイポーラパルスを生成します。このデュアルパルサーは、独立したロジック入力、独立したアクティブクランプ内蔵の高電圧パルサー出力、および独立した高電圧電源入力を備えています。

このデバイスは、出力を保護するためにフォルト状態管理を備えています。各出力は、INP_とINN_の両方がロジックハイの場合3ステートに入ります。このデバイスは、高電圧出力では9Ωの出力インピーダンス、およびアクティブクランプでは27Ωのインピーダンスを備えています。高電圧出力は、2.0A (typ)の出力電流の供給が保証されています。すべてのパルサー出力とクランプ出力は過電圧保護を備えています。

このデバイスは、チャネルごとに3つのロジック入力を使用して、正/負パルスとアクティブクランプを制御します。また、2つの独立したイネーブル入力も備えています。EN_をディセーブルすると、高速電源ランピング中に誤って出力MOSFETがオンにならないようにすることができます。これによって、ランプ時間が高速になり、パルスモード間の遅延を小さくすることができます。低電力シャットダウンモードによって、消費電力を1µA以下に低減します。すべてのデジタル入力はCMOS対応です。

このデバイスは、エクスポーズドパッドを備えた7mm x 7mmの56ピンTQFNパッケージで提供され、0℃~+70℃の民生用温度範囲が保証されています。

アプリケーション

  • 清掃機器
  • 産業用画像処理/欠陥検出
  • 圧電ドライバ
  • 試験装置
  • 超音波医療用画像処理

MAX14811
フォルト状態管理内蔵、デュアル、ユニポーラ/バイポーラ、高電圧デジタルパルサー
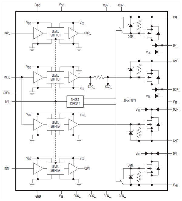
MAX14811:ファンクションダイアグラム
myAnalogに追加

myAnalogの製品セクション(通知受け取り)、既存/新規プロジェクトに製品を追加する。

新規プロジェクトを作成
質問する
サポート

アナログ・デバイセズのサポート・ページはアナログ・デバイセズへのあらゆるご質問にお答えするワンストップ・ポータルです。


ドキュメント

さらに詳しく
myAnalogに追加

myAnalogのリソース・セクション、既存/新規プロジェクトにメディアを追加する。

新規プロジェクトを作成

ソフトウェア・リソース

必要なソフトウェア/ドライバが見つかりませんか?

ドライバ/ソフトウェアをリクエスト

ハードウェア・エコシステム

製品モデル 製品ライフサイクル 詳細
MOSFET & ゲート・ドライバ 2
MAX4940 製造中 デュアル/クワッド、ユニポーラ/バイポーラ、高電圧デジタルパルサー
MAX4811 製造中 デュアル、ユニポーラ/バイポーラ、高電圧デジタルパルサー
Modal heading
myAnalogに追加

myAnalogの製品セクション(通知受け取り)、既存/新規プロジェクトに製品を追加する。

新規プロジェクトを作成

最新のディスカッション

MAX14811に関するディスカッションはまだありません。意見を投稿しますか?

EngineerZone®でディスカッションを始める

最近表示した製品