MAX13431E

製造中

低電圧ロジックインタフェース内蔵、RS-485トランシーバ

低電圧ASICおよびFPGAロジックインタフェースとインタフェースする、堅牢なRS-485トランシーバ

利用上の注意

本データシートの英語以外の言語への翻訳はユーザの便宜のために提供されるものであり、リビジョンが古い場合があります。最新の内容については、必ず最新の英語版をご参照ください。

なお、日本語版のデータシートは基本的に「Rev.0」(リビジョン0)で作成されています。そのため、英語版が後に改訂され、複数製品のデータシートがひとつに統一された場合、同じ「Rev.0」の日本語版のデータシートが異なる製品のデータシートとして表示されることがあります。たとえば、「ADM3307E」の場合、日本語データシートをクリックすると「ADM3311E」が表示されます。これは、英語版のデータシートが複数の製品で共有できるように1本化され、「ADM3307E/ADM3310E/ADM3311E/ADM3312E/ADM3315E」(Rev.J)と改訂されたからで、決して誤ってリンクが張られているわけではありません。和文化されたデータシートを少しでも有効に活用していただくためにこのような方法をとっておりますので、ご了解ください。

アナログ・デバイセズ社は、提供する情報が正確で信頼できるものであることを期していますが、その情報の利用に関して、あるいはその利用によって生じる第三者の特許やその他の権利の侵害に関して一切の責任を負いません。また、アナログ・デバイセズ社の特許または特許の権利の使用を明示的または暗示的に許諾するものでもありません。仕様は予告なしに変更する場合があります。本紙記載の商標および登録商標は、各社の所有に属します。

Viewing:

製品情報

  • 広い入力電源範囲:+3V~+5V
  • 低電圧ロジックインタフェース:+1.62V (min)
  • 超低消費電流のシャットダウンモード
    ICC:10µA (max)、IL:1µA (max)
  • サーマルシャットダウン保護
  • DEおよびREのホットスワップ入力構造
  • 1/8ユニット負荷によってバスに最大256のトランシーバが接続可能
  • 強化型スルーレート制限(MAX13430E/MAX13432E)
  • RS-485 I/Oピンの拡張ESD保護
    • ±30kV:ヒューマンボディモデル
    • ±15kV:IEC 61000-4-2エアギャップ放電
    • ±10kV:IEC 61000-4-2接触放電
  • 拡張動作温度範囲:-40℃~+85℃
  • 省スペースのTDFNおよびµMAXパッケージ

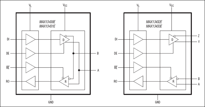
MAX13430E~MAX13433Eは、マルチ電圧システム動作用の可変低電圧ロジックインタフェースを特長とする、フルおよびハーフデュープレックスRS-485トランシーバです。この特長によって、追加部品なしで低電圧ASIC/FPGAに直接インタフェースすることができます。RS-485トランシーバのMAX13430E~MAX13433Eは、+3V~+5VのVCC電源電圧で動作します。低電圧ロジックインタフェースは、+1.62V~VCCの電源電圧で動作します。

MAX13430E/MAX13432Eは、低スルーレートドライバを備えているためEMIを最小限に抑え、ケーブルの不適切な終端に起因する反射を低減し、最大500kbpsでの誤差のないデータ伝送が可能となります。MAX13431E/MAX13433Eのドライバスルーレートは制限されないため、最大16Mbpsのデータ伝送が可能です。MAX13430E/MAX13431Eは、ハーフデュープレックス通信用で、MAX13432E/MAX13433Eはフルデュープレックス通信用です。

MAX13430E/MAX13431Eは、10ピンµMAX®および10ピンTDFNパッケージで提供されています。MAX13432E/MAX13433Eは、14ピンTDFNおよび14ピンSOパッケージで提供されています。

アプリケーション

  • HVAC
  • 産業用制御システム
  • モータ制御
  • ポータブル産業機器

MAX13431E
低電圧ロジックインタフェース内蔵、RS-485トランシーバ
MAX13430E、MAX13431E、MAX13432E、MAX13433E:ファンクションダイアグラム
myAnalogに追加

myAnalogの製品セクション(通知受け取り)、既存/新規プロジェクトに製品を追加する。

新規プロジェクトを作成
質問する
サポート

アナログ・デバイセズのサポート・ページはアナログ・デバイセズへのあらゆるご質問にお答えするワンストップ・ポータルです。


ドキュメント

さらに詳しく
myAnalogに追加

myAnalogのリソース・セクション、既存/新規プロジェクトにメディアを追加する。

新規プロジェクトを作成

最新のディスカッション

最近表示した製品