MAX12528

製造中止

デュアル、80Msps、12ビット、IF/ベースバンドADC

利用上の注意

本データシートの英語以外の言語への翻訳はユーザの便宜のために提供されるものであり、リビジョンが古い場合があります。最新の内容については、必ず最新の英語版をご参照ください。

なお、日本語版のデータシートは基本的に「Rev.0」(リビジョン0)で作成されています。そのため、英語版が後に改訂され、複数製品のデータシートがひとつに統一された場合、同じ「Rev.0」の日本語版のデータシートが異なる製品のデータシートとして表示されることがあります。たとえば、「ADM3307E」の場合、日本語データシートをクリックすると「ADM3311E」が表示されます。これは、英語版のデータシートが複数の製品で共有できるように1本化され、「ADM3307E/ADM3310E/ADM3311E/ADM3312E/ADM3315E」(Rev.J)と改訂されたからで、決して誤ってリンクが張られているわけではありません。和文化されたデータシートを少しでも有効に活用していただくためにこのような方法をとっておりますので、ご了解ください。

アナログ・デバイセズ社は、提供する情報が正確で信頼できるものであることを期していますが、その情報の利用に関して、あるいはその利用によって生じる第三者の特許やその他の権利の侵害に関して一切の責任を負いません。また、アナログ・デバイセズ社の特許または特許の権利の使用を明示的または暗示的に許諾するものでもありません。仕様は予告なしに変更する場合があります。本紙記載の商標および登録商標は、各社の所有に属します。

Viewing:

製品情報

  • 直接IFサンプリング:最高400MHz
  • 優れたダイナミック性能
    • 70.7dB/69.8dB SN比(fIN = 70MHz/175MHzにおいて)
    • 78.2dBc/72.9dBc SFDR (fIN = 70MHz/175MHzにおいて)
  • 3.3V低電力動作
    • 760mW (差動クロックモードの場合)
    • 726mW (シングルエンドクロックモードの場合)
  • 完全差動またはシングルエンドアナログ入力
  • 調整可能な差動アナログ入力電圧
  • 入力帯域幅:750MHz
  • 内部、外部、または共用リファレンス
  • 差動またはシングルエンドクロック
  • 25%~75%のクロックデューティサイクルに対応
  • ユーザ選択可能なDIV2およびDIV4クロックモード
  • パワーダウンモード
  • 2の補数またはグレイコードのCMOS出力
  • 範囲外およびデータ有効インジケータ
  • 小型68ピンTQFNパッケージ(10mm x 10mm x 0.8mm)
  • 評価キットを提供(MAX12528EVKITを注文してください)

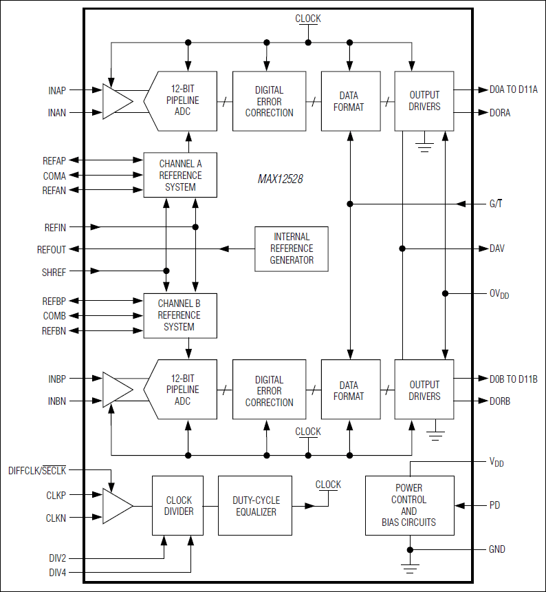
MAX12528は80Msps、12ビットのデュアル、アナログ-ディジタルコンバータ(ADC)で、完全差動広帯域トラック/ホールド(T/H)入力を備え、内蔵量子化器を駆動します。MAX12528は、中間周波数(IF)およびベースバンドサンプリングアプリケーションにおける低電力、小型サイズ、および高ダイナミック性能に最適化されています。このデュアルADCは3.3Vの単一電源で動作し、消費電力はわずか726mWですが、175MHzの入力周波数で69.8dB (typ)の信号対ノイズ比(SN比)性能を発揮します。T/H入力段は、最高400MHzのシングルエンド入力または差動入力を受け付けます。MAX12528は低動作電力に加えて、330µWのパワーダウンモードも備えているため、アイドル時に節電することができます。

MAX12528はリファレンス構造がフレキシブルであるため、2.048Vの内部バンドギャップリファレンス、または外部印加リファレンスを使用可能で、リファレンスを2つのADC間で共有することができます。このリファレンス構造によって、フルスケールアナログ入力範囲を±0.35V~±1.15Vに設定することができます。MAX12528は差動アナログ入力回路の設計を簡素化し、外付け部品点数を削減するコモンモードリファレンスを備えています。

MAX12528は、シングルエンドまたは差動入力クロックをサポートしています。ユーザが選択可能な2分周(DIV2)および4分周(DIV4)モードによって、設計がフレキシブルになり、クロックジッタによる悪影響がなくなります。クロックデューティサイクルの広範囲のばらつきは、ADCの内蔵デューティサイクルイコライザ(DCE)によって補償されます。

MAX12528は、パラレル、12ビット幅のCMOS対応出力を2つ備えています。ディジタル出力フォーマットは、2の補数またはグレイコードを端子選択することができます。ディジタル出力用の独立した電源入力は1.7V~3.6Vの電圧を受け付け、各種ロジックレベルとフレキシブルにインタフェースします。MAX12528はエクスポーズドパッド(EP)付き10mm x 10mm x 0.8mmの68ピンTQFNパッケージで提供され、拡張温度範囲(-40℃~+85℃)での動作が保証されています。

アプリケーション

  • デジタルセットトップボックス
  • I/Qレシーバ
  • IFおよびベースバンド通信レシーバ:セルラ、LMDS、ポイント間マイクロ波、MMDS、HFC、WLAN
  • 低電力データ収集
  • 医療用画像処理
  • ポータブル計測機器

MAX12528
デュアル、80Msps、12ビット、IF/ベースバンドADC
MAX12528:ファンクションダイアグラム
myAnalogに追加

myAnalogの製品セクション(通知受け取り)、既存/新規プロジェクトに製品を追加する。

新規プロジェクトを作成
質問する
サポート

アナログ・デバイセズのサポート・ページはアナログ・デバイセズへのあらゆるご質問にお答えするワンストップ・ポータルです。


ドキュメント

さらに詳しく
myAnalogに追加

myAnalogのリソース・セクション、既存/新規プロジェクトにメディアを追加する。

新規プロジェクトを作成

ソフトウェア・リソース

必要なソフトウェア/ドライバが見つかりませんか?

ドライバ/ソフトウェアをリクエスト

ハードウェア・エコシステム

製品モデル 製品ライフサイクル 詳細
A/Dコンバータ(ADC) 5
MAX12559 製造中止 デュアル、96Msps、14ビット、IF/ベースバンドADC
MAX12558 製造中止 デュアル、80Msps、14ビット、IF/ベースバンドADC
MAX12557 製造中 デュアル、65Msps、14ビット、IF/ベースバンド ADC
MAX12529 製造中止 デュアル、96Msps、12ビット、IF/ベースバンドADC
MAX12527 製造中 デュアル、65Msps、12ビット、IF/ベースバンドADC
Modal heading
myAnalogに追加

myAnalogの製品セクション(通知受け取り)、既存/新規プロジェクトに製品を追加する。

新規プロジェクトを作成

評価用キット

MAX12529EVKIT

MAX12527、MAX12528、MAX12529、MAX12557、MAX12558、およびMAX12559の評価キット

機能と利点

  • 低電圧/低電力の動作
  • オプションのクロック整形回路実装
  • 出力ドライバ実装
  • 完全実装および試験済み

製品詳細

MAX12527/MAX12528/MAX12529/MAX12557/MAX12558/MAX12559の評価キット(EVキット)は完全実装および試験済みの回路ボードで、12ビットおよび14ビット、デュアル、アナログ-ディジタルコンバータ(ADC)ファミリの性能評価に必要な部品を完備しています。これらのADCは、差動アナログ入力信号を受け付けます。これらEVキットは、ユーザが用意するシングルエンド入力ソースからこれらの信号を生成します。ユーザが用意する高速ロジックアナライザやデータ収集システムによって、これらのADCが生成したディジタル出力を容易にサンプリングすることができます。これらのEVキットは2.0Vおよび3.3Vの電源で動作します。

アプリケーション

  • デジタルセットトップボックス
  • I/Qレシーバ
  • IFおよびベースバンド通信レシーバ:セルラ、LMDS、ポイント間マイクロ波、MMDS、HFC、WLAN
  • 低電力データ収集
  • ポータブル計測機器
  • 超音波および医療用画像化

MAX12527EVKIT

MAX12527、MAX12528、MAX12529、MAX12557、MAX12558、およびMAX12559の評価キット

機能と利点

  • 低電圧/低電力の動作
  • オプションのクロック整形回路実装
  • 出力ドライバ実装
  • 完全実装および試験済み

製品詳細

MAX12527/MAX12528/MAX12529/MAX12557/MAX12558/MAX12559の評価キット(EVキット)は完全実装および試験済みの回路ボードで、12ビットおよび14ビット、デュアル、アナログ-ディジタルコンバータ(ADC)ファミリの性能評価に必要な部品を完備しています。これらのADCは、差動アナログ入力信号を受け付けます。これらEVキットは、ユーザが用意するシングルエンド入力ソースからこれらの信号を生成します。ユーザが用意する高速ロジックアナライザやデータ収集システムによって、これらのADCが生成したディジタル出力を容易にサンプリングすることができます。これらのEVキットは2.0Vおよび3.3Vの電源で動作します。

アプリケーション

  • デジタルセットトップボックス
  • I/Qレシーバ
  • IFおよびベースバンド通信レシーバ:セルラ、LMDS、ポイント間マイクロ波、MMDS、HFC、WLAN
  • 低電力データ収集
  • ポータブル計測機器
  • 超音波および医療用画像化

MAX12528EVKIT

MAX12527、MAX12528、MAX12529、MAX12557、MAX12558、およびMAX12559の評価キット

機能と利点

  • 低電圧/低電力の動作
  • オプションのクロック整形回路実装
  • 出力ドライバ実装
  • 完全実装および試験済み

製品詳細

MAX12527/MAX12528/MAX12529/MAX12557/MAX12558/MAX12559の評価キット(EVキット)は完全実装および試験済みの回路ボードで、12ビットおよび14ビット、デュアル、アナログ-ディジタルコンバータ(ADC)ファミリの性能評価に必要な部品を完備しています。これらのADCは、差動アナログ入力信号を受け付けます。これらEVキットは、ユーザが用意するシングルエンド入力ソースからこれらの信号を生成します。ユーザが用意する高速ロジックアナライザやデータ収集システムによって、これらのADCが生成したディジタル出力を容易にサンプリングすることができます。これらのEVキットは2.0Vおよび3.3Vの電源で動作します。

アプリケーション

  • デジタルセットトップボックス
  • I/Qレシーバ
  • IFおよびベースバンド通信レシーバ:セルラ、LMDS、ポイント間マイクロ波、MMDS、HFC、WLAN
  • 低電力データ収集
  • ポータブル計測機器
  • 超音波および医療用画像化

MAX12559EVKIT

MAX12527、MAX12528、MAX12529、MAX12557、MAX12558、およびMAX12559の評価キット

機能と利点

  • 低電圧/低電力の動作
  • オプションのクロック整形回路実装
  • 出力ドライバ実装
  • 完全実装および試験済み

製品詳細

MAX12527/MAX12528/MAX12529/MAX12557/MAX12558/MAX12559の評価キット(EVキット)は完全実装および試験済みの回路ボードで、12ビットおよび14ビット、デュアル、アナログ-ディジタルコンバータ(ADC)ファミリの性能評価に必要な部品を完備しています。これらのADCは、差動アナログ入力信号を受け付けます。これらEVキットは、ユーザが用意するシングルエンド入力ソースからこれらの信号を生成します。ユーザが用意する高速ロジックアナライザやデータ収集システムによって、これらのADCが生成したディジタル出力を容易にサンプリングすることができます。これらのEVキットは2.0Vおよび3.3Vの電源で動作します。

アプリケーション

  • デジタルセットトップボックス
  • I/Qレシーバ
  • IFおよびベースバンド通信レシーバ:セルラ、LMDS、ポイント間マイクロ波、MMDS、HFC、WLAN
  • 低電力データ収集
  • ポータブル計測機器
  • 超音波および医療用画像化

MAX12557EVKIT

MAX12527、MAX12528、MAX12529、MAX12557、MAX12558、およびMAX12559の評価キット

機能と利点

  • 低電圧/低電力の動作
  • オプションのクロック整形回路実装
  • 出力ドライバ実装
  • 完全実装および試験済み

製品詳細

MAX12527/MAX12528/MAX12529/MAX12557/MAX12558/MAX12559の評価キット(EVキット)は完全実装および試験済みの回路ボードで、12ビットおよび14ビット、デュアル、アナログ-ディジタルコンバータ(ADC)ファミリの性能評価に必要な部品を完備しています。これらのADCは、差動アナログ入力信号を受け付けます。これらEVキットは、ユーザが用意するシングルエンド入力ソースからこれらの信号を生成します。ユーザが用意する高速ロジックアナライザやデータ収集システムによって、これらのADCが生成したディジタル出力を容易にサンプリングすることができます。これらのEVキットは2.0Vおよび3.3Vの電源で動作します。

アプリケーション

  • デジタルセットトップボックス
  • I/Qレシーバ
  • IFおよびベースバンド通信レシーバ:セルラ、LMDS、ポイント間マイクロ波、MMDS、HFC、WLAN
  • 低電力データ収集
  • ポータブル計測機器
  • 超音波および医療用画像化

MAX12558EVKIT

MAX12527、MAX12528、MAX12529、MAX12557、MAX12558、およびMAX12559の評価キット

機能と利点

  • 低電圧/低電力の動作
  • オプションのクロック整形回路実装
  • 出力ドライバ実装
  • 完全実装および試験済み

製品詳細

MAX12527/MAX12528/MAX12529/MAX12557/MAX12558/MAX12559の評価キット(EVキット)は完全実装および試験済みの回路ボードで、12ビットおよび14ビット、デュアル、アナログ-ディジタルコンバータ(ADC)ファミリの性能評価に必要な部品を完備しています。これらのADCは、差動アナログ入力信号を受け付けます。これらEVキットは、ユーザが用意するシングルエンド入力ソースからこれらの信号を生成します。ユーザが用意する高速ロジックアナライザやデータ収集システムによって、これらのADCが生成したディジタル出力を容易にサンプリングすることができます。これらのEVキットは2.0Vおよび3.3Vの電源で動作します。

アプリケーション

  • デジタルセットトップボックス
  • I/Qレシーバ
  • IFおよびベースバンド通信レシーバ:セルラ、LMDS、ポイント間マイクロ波、MMDS、HFC、WLAN
  • 低電力データ収集
  • ポータブル計測機器
  • 超音波および医療用画像化

MAX12529EVKIT
MAX12527、MAX12528、MAX12529、MAX12557、MAX12558、およびMAX12559の評価キット
MAX12527EVKIT
MAX12527、MAX12528、MAX12529、MAX12557、MAX12558、およびMAX12559の評価キット
MAX12528EVKIT
MAX12527、MAX12528、MAX12529、MAX12557、MAX12558、およびMAX12559の評価キット
MAX12559EVKIT
MAX12527、MAX12528、MAX12529、MAX12557、MAX12558、およびMAX12559の評価キット
MAX12557EVKIT
MAX12527、MAX12528、MAX12529、MAX12557、MAX12558、およびMAX12559の評価キット
MAX12558EVKIT
MAX12527、MAX12528、MAX12529、MAX12557、MAX12558、およびMAX12559の評価キット

最新のディスカッション

MAX12528に関するディスカッションはまだありません。意見を投稿しますか?

EngineerZone®でディスカッションを始める

最近表示した製品