MAX1204

製造中

5V、8チャネル、シリアル、10ビットADC、3Vデジタルインタフェース付

10ビット+5Vまたは±5Vアナログ、+3Vデジタルシステムに最適

利用上の注意

本データシートの英語以外の言語への翻訳はユーザの便宜のために提供されるものであり、リビジョンが古い場合があります。最新の内容については、必ず最新の英語版をご参照ください。

なお、日本語版のデータシートは基本的に「Rev.0」(リビジョン0)で作成されています。そのため、英語版が後に改訂され、複数製品のデータシートがひとつに統一された場合、同じ「Rev.0」の日本語版のデータシートが異なる製品のデータシートとして表示されることがあります。たとえば、「ADM3307E」の場合、日本語データシートをクリックすると「ADM3311E」が表示されます。これは、英語版のデータシートが複数の製品で共有できるように1本化され、「ADM3307E/ADM3310E/ADM3311E/ADM3312E/ADM3315E」(Rev.J)と改訂されたからで、決して誤ってリンクが張られているわけではありません。和文化されたデータシートを少しでも有効に活用していただくためにこのような方法をとっておりますので、ご了解ください。

アナログ・デバイセズ社は、提供する情報が正確で信頼できるものであることを期していますが、その情報の利用に関して、あるいはその利用によって生じる第三者の特許やその他の権利の侵害に関して一切の責任を負いません。また、アナログ・デバイセズ社の特許または特許の権利の使用を明示的または暗示的に許諾するものでもありません。仕様は予告なしに変更する場合があります。本紙記載の商標および登録商標は、各社の所有に属します。

Viewing:

製品情報

  • 入力:8チャネルシングルエンドまたは4チャネル差動
  • 電源:+5V単一または±5Vデュアル
  • ユーザの調節可能な出力ロジックレベル(2.7V~5.25V)
  • 低電力
    • 1.5mA (動作モード)
    • 2µA (パワーダウンモード)
  • 内部トラック/ホールドサンプリングレート:133kHz
  • 内部4.096Vリファレンス
  • 4線シリアルインタフェース:SPI/MICROWIRE/TMS320コンパチブル
  • ユニポーラまたはバイポーラ入力:ソフトウェアで設定
  • パッケージ:20ピンPDIP/SSOP
  • ピンコンパチブルの12ビットアップグレード:MAX1202

MAX1204は、+5V (アナログ)および+3V (デジタル)の混合電源電圧用に設計された10ビットデータ収集システムです。+5V単一アナログ電源または±5Vデュアルアナログ電源で動作し、8チャネルマルチプレクサ、内部トラック/ホールドおよびシリアルインタフェースに高速変換および低消費電力特性を兼ね備えています。
4線シリアルインタフェースは、外部ロジックを使用せずに直接SPI/MICROWIRE®機器に接続できます。シリアルストローブ出力により、TMS320ファミリのデジタル信号プロセッサに直接接続できます。MAX1204は、内部クロックまたは外部シリアルインタフェースクロックを使用することにより、逐次比較型のアナログ-デジタル変換を行います。シリアルインタフェースは最大2MHzで動作します。
MAX1204は、内部4.096Vリファレンスと利得トリミングを容易にするリファレンスバッファアンプおよびデジタル出力の電源となるVLピンを備えています。出力ロジックレベル(3V、3.3Vまたは5V)は、このピンに印加される電圧によって決まります。
本製品は、ハード配線によるアクティブローSHDNピンおよびソフトウェア選択による2つのパワーダウンモードを備えています。シリアルインタフェースにアクセスすると自動的にパワーアップし、ターンオンが速いために変換と変換の間にMAX1204はシャットダウンできます。このため、ユーザーは消費電流を最適化できます。変換と変換の間のパワーダウンを自由選択することにより、サンプリングレートが低い場合には消費電流を10µA以下に抑えることができます。
MAX1204は20ピンSSOPおよびPDIPパッケージで提供され、民生用および拡張温度範囲のものが用意されています。

アプリケーション

  • 5V/3V混合電源システム
  • バッテリ駆動アプリケーション
  • データ収集
  • 医療用機器
  • プロセス制御

MAX1204
5V、8チャネル、シリアル、10ビットADC、3Vデジタルインタフェース付
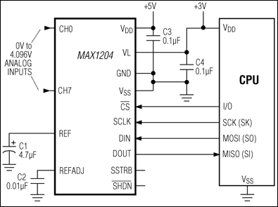
MAX1204:標準動作回路
myAnalogに追加

myAnalogの製品セクション(通知受け取り)、既存/新規プロジェクトに製品を追加する。

新規プロジェクトを作成
質問する
サポート

アナログ・デバイセズのサポート・ページはアナログ・デバイセズへのあらゆるご質問にお答えするワンストップ・ポータルです。


ドキュメント

さらに詳しく
myAnalogに追加

myAnalogのリソース・セクション、既存/新規プロジェクトにメディアを追加する。

新規プロジェクトを作成

ソフトウェア・リソース

必要なソフトウェア/ドライバが見つかりませんか?

ドライバ/ソフトウェアをリクエスト

ハードウェア・エコシステム

製品モデル 製品ライフサイクル 詳細
A/Dコンバータ(ADC) 3
MAX1202 製造中 5V、8チャネル、シリアル、12ビットADC、3Vデジタルインタフェース付
MAX148 製造中 +2.7V~+5.25V、低電力、8チャネル、シリアル10ビットADC
MAX11621 製造中 FIFOおよびリファレンス内蔵、10ビット、300ksps ADC
ADC/DACコンボ・コンバータ 2
MAX1040 製造中止 FIFO、温度検出、およびGPIOポート付き、10ビット、マルチチャネルADC/DAC
MAX1043 製造中止 FIFO、温度検出、およびGPIOポート付き、10ビット、マルチチャネルADC/DAC
Modal heading
myAnalogに追加

myAnalogの製品セクション(通知受け取り)、既存/新規プロジェクトに製品を追加する。

新規プロジェクトを作成

最新のディスカッション

MAX1204に関するディスカッションはまだありません。意見を投稿しますか?

EngineerZone®でディスカッションを始める

最近表示した製品