MAX11008

新規設計に推奨

不揮発性メモリ内蔵、デュアルRF LDMOSバイアスコントローラ

省電力、高集積、コスト削減

利用上の注意

本データシートの英語以外の言語への翻訳はユーザの便宜のために提供されるものであり、リビジョンが古い場合があります。最新の内容については、必ず最新の英語版をご参照ください。

なお、日本語版のデータシートは基本的に「Rev.0」(リビジョン0)で作成されています。そのため、英語版が後に改訂され、複数製品のデータシートがひとつに統一された場合、同じ「Rev.0」の日本語版のデータシートが異なる製品のデータシートとして表示されることがあります。たとえば、「ADM3307E」の場合、日本語データシートをクリックすると「ADM3311E」が表示されます。これは、英語版のデータシートが複数の製品で共有できるように1本化され、「ADM3307E/ADM3310E/ADM3311E/ADM3312E/ADM3315E」(Rev.J)と改訂されたからで、決して誤ってリンクが張られているわけではありません。和文化されたデータシートを少しでも有効に活用していただくためにこのような方法をとっておりますので、ご了解ください。

アナログ・デバイセズ社は、提供する情報が正確で信頼できるものであることを期していますが、その情報の利用に関して、あるいはその利用によって生じる第三者の特許やその他の権利の侵害に関して一切の責任を負いません。また、アナログ・デバイセズ社の特許または特許の権利の使用を明示的または暗示的に許諾するものでもありません。仕様は予告なしに変更する場合があります。本紙記載の商標および登録商標は、各社の所有に属します。

Viewing:

製品情報

  • LDMOSバイアス特性を保存するための4Kb EEPROM内蔵
  • 利得が2、10、または25のハイサイド電流検出PGA内蔵
  • 検出電圧範囲(+75mV~+1250mV)の精度:±0.75%
  • フルスケール検出電圧
    • +100mV:利得25
    • +250mV:利得10
    • +1250mV:利得2
  • コモンモード範囲、LDMOSドレイン電圧:+5V~+32V
  • 可変、低ノイズ、出力ゲートバイアス電圧範囲:0~AVDD
  • AGNDへの高速クランプによるLDMOS保護
  • 温度によるゲートの12ビットDAC制御
  • 内部ダイ温度測定
  • リモートダイオードによる2チャネル外部温度測定
  • 内部12ビットADC測定による温度、電流、および電圧の監視
  • ユーザ選択可能なシリアルインタフェース
    • 400kHz/1.7MHz/3.4MHz I²C対応インタフェース
    • 16MHz SPI/MICROWIRE対応インタフェース

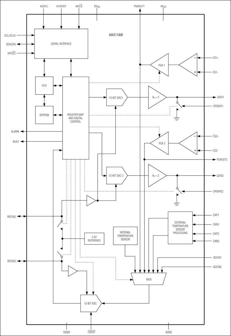
MAX11008は、携帯基地局およびその他の無線インフラ機器で使用されるRF LDMOSパワーデバイス用のバイアスコントローラです。各コントローラは、2、10、および25の利得を設定可能なハイサイド電流検出アンプを備え、20mA~5Aの範囲のLDMOSドレイン電流を監視します。MAX11008は、最大2つの外部ダイオード接続トランジスタをサポートし、内部温度センサでローカルのダイ温度を測定しながら、LDMOSの温度を監視します。12ビットの逐次比較型(SAR)アナログ-ディジタルコンバータ(ADC)は、プログラマブルゲインアンプ(PGA)、外部温度センサ、内部温度測定、および2つの追加補助入力からのアナログ信号を変換します。MAX11008は、温度、AIN、および/またはドレイン電流サンプルをルックアップテーブル(LUT)に保存されたデータに適用することによって、LDMOSバイアス電圧を自動調整します。

MAX11008は、2つのゲートドライブチャネルを備え、各チャネルはLDMOSデバイスをバイアスする正ゲート電圧を生成する12ビットDACで構成されています。各ゲートドライブ出力は、最大±2mAのゲート電流を供給します。ゲートドライブアンプは、±25mAに電流制限され、AGNDへの高速クランプを特長としています。

MAX11008は、LUTおよびレジスタ情報を保存するための、256ビット x 16ビットとして構成された、4Kbの不揮発性EEPROMを内蔵しています。このデバイスは、4線式16MHz SPI™/MICROWIRE™対応、またはI²C対応のシリアルインタフェースのいずれでも動作します。

MAX11008は、電源電流が2mA (typ)の+4.75V~+5.25Vアナログ電源、および電源電流が3mA (typ)の+2.7V~+5.25Vディジタル電源で動作します。このデバイスは、7mm x 7mmの48ピンTQFNパッケージで提供され、-40℃~+85℃の拡張温度範囲で動作します。

アプリケーション

  • セルラ基地局
  • フィードフォワードパワーアンプ
  • 産業用プロセス制御
  • マイクロ波無線リンク
  • トランスミッタ

MAX11008
不揮発性メモリ内蔵、デュアルRF LDMOSバイアスコントローラ
MAX11008:ファンクションダイアグラム
myAnalogに追加

myAnalogの製品セクション(通知受け取り)、既存/新規プロジェクトに製品を追加する。

新規プロジェクトを作成
質問する
サポート

アナログ・デバイセズのサポート・ページはアナログ・デバイセズへのあらゆるご質問にお答えするワンストップ・ポータルです。


ドキュメント

さらに詳しく
myAnalogに追加

myAnalogのリソース・セクション、既存/新規プロジェクトにメディアを追加する。

新規プロジェクトを作成

ソフトウェア・リソース

必要なソフトウェア/ドライバが見つかりませんか?

ドライバ/ソフトウェアをリクエスト

ツールおよびシミュレーション


評価用キット

MAX11008EVKIT

MAX11008の評価キット/評価システム

機能と利点

  • 実証済みPCBレイアウト
  • 総合評価システム
  • 便利なテストポイントを内蔵
  • データロギングソフトウェア
  • 鉛(Pb)フリーおよびRoHS準拠
  • 完全実装および試験済み

製品詳細

MAX11008の評価キット(EVキット)は、LDMOS FETバイアス制御用のデュアルRF LDMOS CODECスマートレギュレータのMAX11008を検証する実装および試験済み回路ボードです。Windows® 98/2000/XP対応ソフトウェアは、MAX11008の各機能を実行するための簡便なユーザインタフェースを提供します。

アプリケーション

  • セルラ基地局
  • フィードフォワードパワーアンプ
  • 産業用プロセス制御
  • マイクロ波無線リンク
  • トランスミッタ

MAX11008EVC16

MAX11008の評価キット/評価システム

機能と利点

  • 実証済みPCBレイアウト
  • 総合評価システム
  • 便利なテストポイントを内蔵
  • データロギングソフトウェア
  • 鉛(Pb)フリーおよびRoHS準拠
  • 完全実装および試験済み

製品詳細

MAX11008の評価キット(EVキット)は、LDMOS FETバイアス制御用のデュアルRF LDMOS CODECスマートレギュレータのMAX11008を検証する実装および試験済み回路ボードです。Windows® 98/2000/XP対応ソフトウェアは、MAX11008の各機能を実行するための簡便なユーザインタフェースを提供します。

アプリケーション

  • セルラ基地局
  • フィードフォワードパワーアンプ
  • 産業用プロセス制御
  • マイクロ波無線リンク
  • トランスミッタ

MAX11008EVKIT
MAX11008の評価キット/評価システム
MAX11008EVC16
MAX11008の評価キット/評価システム

最新のディスカッション

MAX11008に関するディスカッションはまだありません。意見を投稿しますか?

EngineerZone®でディスカッションを始める

最近表示した製品