LTC1414

製造中

14ビット、2.2MspsサンプリングA/Dコンバータ

利用上の注意

本データシートの英語以外の言語への翻訳はユーザの便宜のために提供されるものであり、リビジョンが古い場合があります。最新の内容については、必ず最新の英語版をご参照ください。

なお、日本語版のデータシートは基本的に「Rev.0」(リビジョン0)で作成されています。そのため、英語版が後に改訂され、複数製品のデータシートがひとつに統一された場合、同じ「Rev.0」の日本語版のデータシートが異なる製品のデータシートとして表示されることがあります。たとえば、「ADM3307E」の場合、日本語データシートをクリックすると「ADM3311E」が表示されます。これは、英語版のデータシートが複数の製品で共有できるように1本化され、「ADM3307E/ADM3310E/ADM3311E/ADM3312E/ADM3315E」(Rev.J)と改訂されたからで、決して誤ってリンクが張られているわけではありません。和文化されたデータシートを少しでも有効に活用していただくためにこのような方法をとっておりますので、ご了解ください。

アナログ・デバイセズ社は、提供する情報が正確で信頼できるものであることを期していますが、その情報の利用に関して、あるいはその利用によって生じる第三者の特許やその他の権利の侵害に関して一切の責任を負いません。また、アナログ・デバイセズ社の特許または特許の権利の使用を明示的または暗示的に許諾するものでもありません。仕様は予告なしに変更する場合があります。本紙記載の商標および登録商標は、各社の所有に属します。

Viewing:

製品情報

  • サンプル・レート:2.2Msps
  • 100kHz での80dB のS/(N+D)および95dBのSFDR
  • ナイキスト入力周波数での78dB のS/(N+D)および86dBのSFDR 
  • 消費電力:±5V電源で175mW 
  • 外部または内部リファレンス動作 
  • パイプライン遅延なし 
  • 真の差動入力により同相ノイズを除去 
  • ±2.5Vのバイポーラ入力範囲 
  • 40MHzのフルパワー帯域幅サンプリング 
  • 28ピン細型SSOPパッケージ

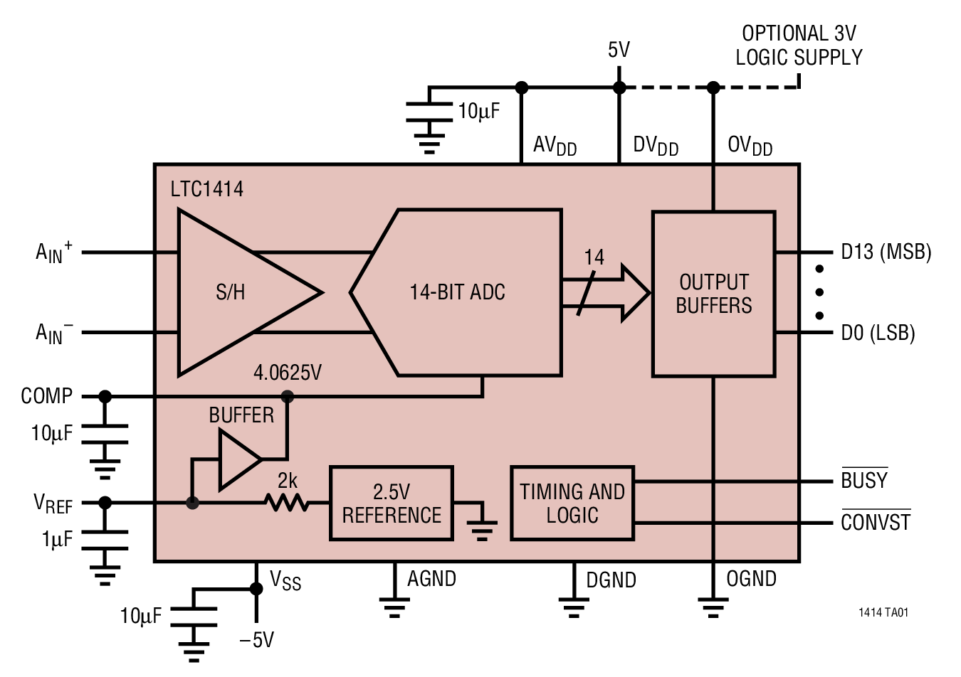
LT1414 は14ビット、2.2MspsのサンプリングA/Dコンバータです。±5V電源で動作し、消費電力はわずか175mWです。この高性能ADCは、広いダイナミック・レンジをもつサンプル&ホールド、高精度リファレンスを備えており、外部部品は不要です。 

LTC1414の高性能サンプル&ホールドのフルスケール入力範囲は±2.5Vです。100kHz入力でS/(N+D)は80dB、 SFDRは95dBなど、卓越したAC性能を実現しています。1.1MHzのナイキスト入力周波数でもS/(N+D)は78dB、 SFDRは86dBと高性能を維持しています。 

独自の差動入力サンプル&ホールドにより、40MHz帯域幅までシングルエンドまたは差動入力信号を得ることができます。また、70dBの同相除去を実現しているため、ソースから差動で信号を測定することにより、グランド・ループと同相ノイズを除去できます。 

このADCは、マイクロプロセッサ互換の14ビット・パラレル出力ポートを備えています。変換結果にはパイプライン遅延はありません。


アプリケーション

  • テレコム 
  • デジタル信号処理 
  • 多チャネル・データ収集システム 
  • 高速データ収集 
  • スペクトラム分析 
  • イメージング・システム

LTC1414
14ビット、2.2MspsサンプリングA/Dコンバータ
Effective Bits and Signal-to-Noise + Distortion vs Input Frequency Product Package 1
myAnalogに追加

myAnalogの製品セクション(通知受け取り)、既存/新規プロジェクトに製品を追加する。

新規プロジェクトを作成
質問する
サポート

アナログ・デバイセズのサポート・ページはアナログ・デバイセズへのあらゆるご質問にお答えするワンストップ・ポータルです。


ドキュメント

データシート

これは最新改訂バージョンのデータシートです。

さらに詳しく
myAnalogに追加

myAnalogのリソース・セクション、既存/新規プロジェクトにメディアを追加する。

新規プロジェクトを作成

ソフトウェア・リソース

必要なソフトウェア/ドライバが見つかりませんか?

ドライバ/ソフトウェアをリクエスト

評価用キット

DC199A
LTC1414CGN | 2.2 Msps, 14-Bit, Parallel Output Sampling ADC

最新のディスカッション

最近表示した製品