LTC1408-12

製造中

シャットダウン付き、6チャネル、12ビット、600ksps、同時サンプリングADC

利用上の注意

本データシートの英語以外の言語への翻訳はユーザの便宜のために提供されるものであり、リビジョンが古い場合があります。最新の内容については、必ず最新の英語版をご参照ください。

なお、日本語版のデータシートは基本的に「Rev.0」(リビジョン0)で作成されています。そのため、英語版が後に改訂され、複数製品のデータシートがひとつに統一された場合、同じ「Rev.0」の日本語版のデータシートが異なる製品のデータシートとして表示されることがあります。たとえば、「ADM3307E」の場合、日本語データシートをクリックすると「ADM3311E」が表示されます。これは、英語版のデータシートが複数の製品で共有できるように1本化され、「ADM3307E/ADM3310E/ADM3311E/ADM3312E/ADM3315E」(Rev.J)と改訂されたからで、決して誤ってリンクが張られているわけではありません。和文化されたデータシートを少しでも有効に活用していただくためにこのような方法をとっておりますので、ご了解ください。

アナログ・デバイセズ社は、提供する情報が正確で信頼できるものであることを期していますが、その情報の利用に関して、あるいはその利用によって生じる第三者の特許やその他の権利の侵害に関して一切の責任を負いません。また、アナログ・デバイセズ社の特許または特許の権利の使用を明示的または暗示的に許諾するものでもありません。仕様は予告なしに変更する場合があります。本紙記載の商標および登録商標は、各社の所有に属します。

Viewing:

製品情報

  • 6つの同時サンプリング差動入力を装備した600ksps ADC
  • チャネル当たりのスループット:100ksps
  • SINAD:72dB
  • 低消費電力:15mW
  • 単一3V電源動作
  • 外部リファレンスでオーバードライブ可能な2.5Vバンドギャップ・リファレンスを内蔵
  • 3線SPI互換シリアル・インターフェイス
  • 0V~2.5Vのユニポーラまたは±1.25Vのバイポーラ差動入力範囲
  • スリープ(6μW)シャットダウン・モード
  • ナップ(3.3mW)シャットダウン・モード
  • CONVによってトリガされる内部変換
  • 同相除去比:83dB
  • 小型32ピン(5mm×5mm)QFNパッケージ

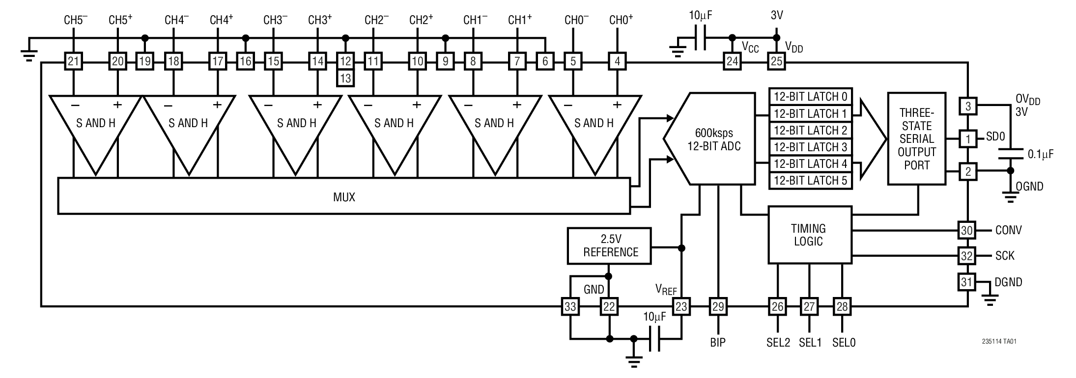
LTC1408-12は、同時にサンプリングされる6つの差動入力を備えた12ビット、600ksps ADCです。このデバイスは、単一3V電源で消費電流がわずか5mAで、小型32ピン(5mm×5mm)QFNパッケージで供給されます。スリープ・シャットダウン機能により、消費電力を6μWに低減できます。低消費電力、小型パッケージのLTC1408-12は、携帯アプリケーションに適しています。

LTC1408-12は、CONV信号の立ち上がりエッジで同時にサンプリングされる6つの個別の差動入力を搭載しています。これらのサンプリングされた6つの入力は、100ksps/チャネルのレートで変換されます。

83dBの同相除去比により、ソースから差動で信号を測定することによってグランド・ループや同相ノイズを排除できます。

このデバイスは、BIPピンの状態に応じて、0V~2.5Vのユニポーラ入力または±1.25Vのバイポーラ入力を差動変換します。差動入力範囲が維持されている間は、どのアナログ入力もレール・トゥ・レール振幅を許容できます。

SEL2、SEL1、SEL0入力の論理状態に応じて、変換シーケンスを省略して6チャネルより少ないチャネル数での変換をすることができます。

シリアル・インターフェイスが6つの変換結果を96クロックで送出するので、標準シリアル・インターフェイスと互換です。


アプリケーション

  • 多層電力測定
  • 多層モータ制御
  • データ収集システム
  • 無停電電源

LTC1408-12
シャットダウン付き、6チャネル、12ビット、600ksps、同時サンプリングADC
Product Package 1
myAnalogに追加

myAnalogの製品セクション(通知受け取り)、既存/新規プロジェクトに製品を追加する。

新規プロジェクトを作成
質問する
サポート

アナログ・デバイセズのサポート・ページはアナログ・デバイセズへのあらゆるご質問にお答えするワンストップ・ポータルです。


ドキュメント

データシート

これは最新改訂バージョンのデータシートです。

さらに詳しく
myAnalogに追加

myAnalogのリソース・セクション、既存/新規プロジェクトにメディアを追加する。

新規プロジェクトを作成

ソフトウェア・リソース

必要なソフトウェア/ドライバが見つかりませんか?

ドライバ/ソフトウェアをリクエスト

ハードウェア・エコシステム

製品モデル 製品ライフサイクル 詳細
インターフェース・トランシーバ & アイソレータ 1
LTM2883 製造中 ±12.5Vおよび5Vの可変安定化電源を備えたSPI/デジタルまたはI2C対応のμModuleアイソレータ
Modal heading
myAnalogに追加

myAnalogの製品セクション(通知受け取り)、既存/新規プロジェクトに製品を追加する。

新規プロジェクトを作成

最新のディスカッション

LTC1408-12に関するディスカッションはまだありません。意見を投稿しますか?

EngineerZone®でディスカッションを始める

最近表示した製品