LTC1094

製造中

1、2、6、および8チャネル、10ビット・シリアルI/Oデータ収集システム

利用上の注意

本データシートの英語以外の言語への翻訳はユーザの便宜のために提供されるものであり、リビジョンが古い場合があります。最新の内容については、必ず最新の英語版をご参照ください。

なお、日本語版のデータシートは基本的に「Rev.0」(リビジョン0)で作成されています。そのため、英語版が後に改訂され、複数製品のデータシートがひとつに統一された場合、同じ「Rev.0」の日本語版のデータシートが異なる製品のデータシートとして表示されることがあります。たとえば、「ADM3307E」の場合、日本語データシートをクリックすると「ADM3311E」が表示されます。これは、英語版のデータシートが複数の製品で共有できるように1本化され、「ADM3307E/ADM3310E/ADM3311E/ADM3312E/ADM3315E」(Rev.J)と改訂されたからで、決して誤ってリンクが張られているわけではありません。和文化されたデータシートを少しでも有効に活用していただくためにこのような方法をとっておりますので、ご了解ください。

アナログ・デバイセズ社は、提供する情報が正確で信頼できるものであることを期していますが、その情報の利用に関して、あるいはその利用によって生じる第三者の特許やその他の権利の侵害に関して一切の責任を負いません。また、アナログ・デバイセズ社の特許または特許の権利の使用を明示的または暗示的に許諾するものでもありません。仕様は予告なしに変更する場合があります。本紙記載の商標および登録商標は、各社の所有に属します。

Viewing:

製品情報

  • プログラマブル機能
    • ユニポーラ/バイポーラ変換
    • 差動/シングル・エンド・マルチプレクサ構成
  • サンプル&ホールド
  • 単一5V、10V、または±5V電源動作
  • ほとんどのMPUのシリアル・ポートおよびすべてのMPUのパラレルI/Oポートへの3線式または4線式直接インタフェース
  • 電源レールに対するアナログ同相入力
  • 10bit分解能 
  • 総合無調整誤差(Aグレード) ±1/2LSB(全温度範囲)
  • 高速変換時間 20μS
  • 低い電源電流
    • LTC1091 3.5mA(最大)、1.5mA(標準)
    • LTC1092/LTC1093/LTC1094 2.5mA(最大)、1mA(標準)

H(メタルキャン)、J(セラミック)、K(メタルキャン)パッケージではすでに廃品になっています。

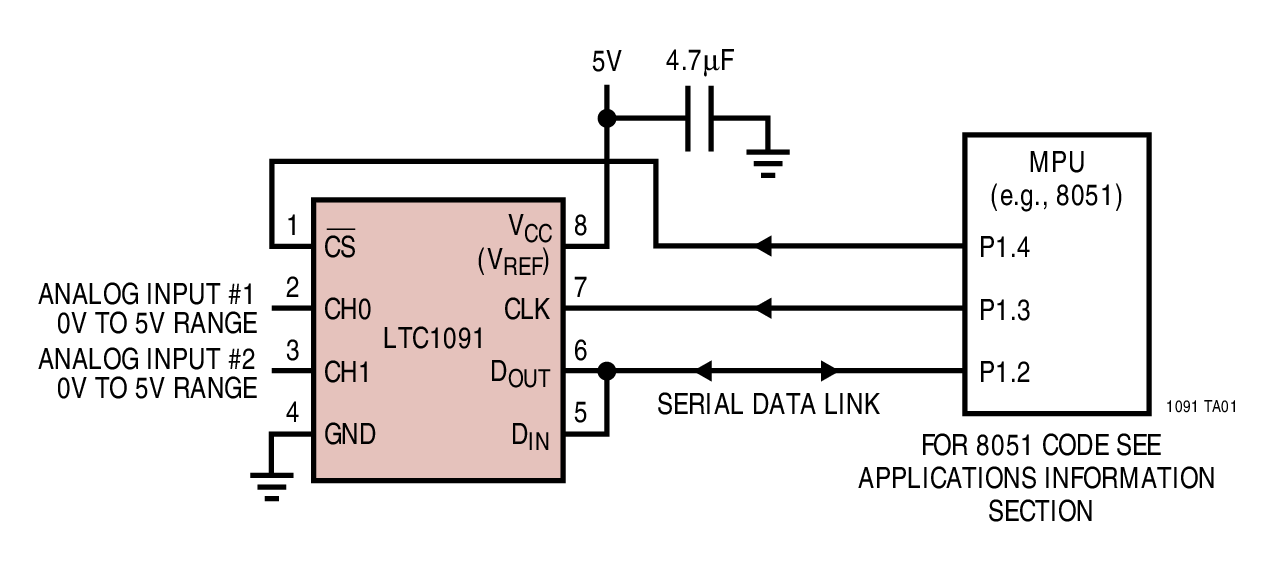
LTC1091/LTC1092/LTC1093/LTC1094の10ビット・データ収集システムは、多様な信号源およびトランスデューサからのアナログ・データをデジタル化する際に、すぐれた精度と使いやすさを提供します。これらのデバイスは、10ビットのスイッチト・キャパシタ、逐次比較型A/Dコアなどを中心として構築されており、ソフトウェアで構成可能なアナログ・マルチプレクサ、バイポーラおよびユニポーラ変換モード、そして内蔵サンプル&ホールドが含まれています。内蔵シリアル・ポートによって、広範なマイクロプロセッサおよびマイクロコントローラへの効率のよいデータ転送が可能です。これらの回路は、レシオメトリック・アプリケーションでは完全なデータ収集システムを実現し、また他のアプリケーションでは外部リファレンスをともなって使用できます。

ハイ・インピーダンスのアナログ入力、および狭いスパン(フルスケールで1V以下)で動作でき、多くのアプリケーションでセンサおよびトランスデューサに直結可能なため、ゲイン・ステージが不要です。

外部ハードウェアなしで、大部分のMPUのシリアル・ポートと、すべてのMPUのパラレルI/Oポートへの通信を行うことができるため、わずか3線で8チャネルのデータを送信できます。この機能は低消費電力とあいまって、リモートロケーションが可能で、絶縁バリアを通してのデータ転送を可能にします。

オフセット、直線性、およびフル・スケール誤差の温度ドリフトは、すべて特に低く(標準1ppm/℃)、全温度範囲においてすべてのグレードが±0.5LSB(最大)のオフセットおよび直線性誤差で規定されています。加えて、Aグレード・デバイスは、全温度範囲で±0.5LSB(最大)のフル・スケール誤差と総合未調整誤差が規定されています。それ以下のグレードは、フル・スケールが調整可能またはそれがあまり重要とならないアプリケーションに対しては、±2LSBのフル・スケール仕様になっています。

LTC1094
1、2、6、および8チャネル、10ビット・シリアルI/Oデータ収集システム
Product Package 1 Product Package 2 Product Package 3 Product Package 4
myAnalogに追加

myAnalogの製品セクション(通知受け取り)、既存/新規プロジェクトに製品を追加する。

新規プロジェクトを作成
質問する
サポート

アナログ・デバイセズのサポート・ページはアナログ・デバイセズへのあらゆるご質問にお答えするワンストップ・ポータルです。


ドキュメント

データシート

これは最新改訂バージョンのデータシートです。

さらに詳しく
myAnalogに追加

myAnalogのリソース・セクション、既存/新規プロジェクトにメディアを追加する。

新規プロジェクトを作成

ソフトウェア・リソース

必要なソフトウェア/ドライバが見つかりませんか?

ドライバ/ソフトウェアをリクエスト

ハードウェア・エコシステム

製品モデル 製品ライフサイクル 詳細
インターフェース・トランシーバ 1
LTM2883 製造中 ±12.5Vおよび5Vの可変安定化電源を備えたSPI/デジタルまたはI2C対応のμModuleアイソレータ
Modal heading
myAnalogに追加

myAnalogの製品セクション(通知受け取り)、既存/新規プロジェクトに製品を追加する。

新規プロジェクトを作成

最新のディスカッション

最近表示した製品