LT8697

新規設計に推奨

ケーブルの電圧降下を補償するUSB 5V/2.5A出力、42V入力の同期整流式降圧レギュレータ

利用上の注意

本データシートの英語以外の言語への翻訳はユーザの便宜のために提供されるものであり、リビジョンが古い場合があります。最新の内容については、必ず最新の英語版をご参照ください。

なお、日本語版のデータシートは基本的に「Rev.0」(リビジョン0)で作成されています。そのため、英語版が後に改訂され、複数製品のデータシートがひとつに統一された場合、同じ「Rev.0」の日本語版のデータシートが異なる製品のデータシートとして表示されることがあります。たとえば、「ADM3307E」の場合、日本語データシートをクリックすると「ADM3311E」が表示されます。これは、英語版のデータシートが複数の製品で共有できるように1本化され、「ADM3307E/ADM3310E/ADM3311E/ADM3312E/ADM3315E」(Rev.J)と改訂されたからで、決して誤ってリンクが張られているわけではありません。和文化されたデータシートを少しでも有効に活用していただくためにこのような方法をとっておりますので、ご了解ください。

アナログ・デバイセズ社は、提供する情報が正確で信頼できるものであることを期していますが、その情報の利用に関して、あるいはその利用によって生じる第三者の特許やその他の権利の侵害に関して一切の責任を負いません。また、アナログ・デバイセズ社の特許または特許の権利の使用を明示的または暗示的に許諾するものでもありません。仕様は予告なしに変更する場合があります。本紙記載の商標および登録商標は、各社の所有に属します。

Viewing:

製品情報

  • 広い入力電圧範囲:5V~42V
  • すべての条件で低ドロップアウト:450mV(2.1A時)
  • 高精度5V出力:±1.3%(全動作温度範囲)
  • プログラム可能なケーブル電圧降下補償
  • プログラム可能な出力電流制限
  • 出力電流モニタ
  • 二重の入力帰還経路によりUSBスイッチの出力でレギュレーション可能
  • 強制連続モードによる高速負荷ステップ応答
  • 2MHzでの高効率同期整流式動作:
    • 効率93%(2.1A/5V出力、12V入力時)
    • 効率95%(0.9A/5V出力、12V入力時)
  • 短い最小スイッチ・オン時間:45ns
  • 可変出力電圧:5.0V~5.25V
  • 調整可能および同期可能な周波数:300kHz~2.2MHz
  • 熱特性が改善された3mm × 5mmの小型24ピンQFNパッケージ

LT8697は、5VのUSBアプリケーションに電力を供給する目的で設計された、小型、高効率、高速の同期整流式モノリシック降圧スイッチング・レギュレータです。高精度の出力電圧とプログラム可能なケーブル電圧降下補償機能により、長いケーブルの端に接続されたUSBソケットで高精度の5Vレギュレーションが維持されます。強制連続動作では、LT8697が電流を吸い込むことができるので、負荷トランジェント時の5Vレギュレーション精度がさらに向上します。

高精度でプログラム可能な出力電流制限、パワーグッド・インジケータ・ピン、および出力電流モニタ・ピンによってシステムの信頼性と安全性が向上するので、ユーザがラッチオフ機能や自動再試行機能を実装して、USBスイッチICを不要にすることができます。二重の帰還経路により、USBスイッチの出力でレギュレーションが可能であり、ケーブルの電圧降下補償を最大5.8V出力までに制限して、フォルト状態時にUSBデバイスを保護します。サーマル・シャットダウン回路は、過熱フォルト時にデバイス内部での電力損失を制限することにより、さらなる保護を実現します。

LT8697は、熱抵抗を低く抑えるための露出パッドを備えた3mm × 5mmの24ピン小型QFNパッケージで供給されます。


アプリケーション

  • 自動車用および産業用USB
  • 高精度5V電源

LT8697
ケーブルの電圧降下を補償するUSB 5V/2.5A出力、42V入力の同期整流式降圧レギュレータ
2MHz 5V Step-Down Converter with Cable Drop Compensation Transient Response Through 3 Meters AWG 20 Twisted-Pair Cable Product Package 1
myAnalogに追加

myAnalogの製品セクション(通知受け取り)、既存/新規プロジェクトに製品を追加する。

新規プロジェクトを作成
質問する
サポート

アナログ・デバイセズのサポート・ページはアナログ・デバイセズへのあらゆるご質問にお答えするワンストップ・ポータルです。


ドキュメント

データシート

これは最新改訂バージョンのデータシートです。

さらに詳しく
myAnalogに追加

myAnalogのリソース・セクション、既存/新規プロジェクトにメディアを追加する。

新規プロジェクトを作成

ソフトウェア・リソース

必要なソフトウェア/ドライバが見つかりませんか?

ドライバ/ソフトウェアをリクエスト

ハードウェア・エコシステム

製品モデル 製品ライフサイクル 詳細
保護スイッチ & コントローラ 1
LTC4361 新規設計に推奨 過電圧/過電流保護コントローラ
Modal heading
myAnalogに追加

myAnalogの製品セクション(通知受け取り)、既存/新規プロジェクトに製品を追加する。

新規プロジェクトを作成

ツールおよびシミュレーション

LTspice 1


下記製品はLTspiceで使用することが出来ます。:

  • LT8697
LTspice

LTspice®は、無料で提供される強力で高速な回路シミュレータと回路図入力、波形ビューワに改善を加え、アナログ回路のシミュレーションを容易にするためのモデルを搭載しています。

 


評価用キット

eval board
DC1973A

LT8697 Demo Board | 6V ≤ VIN ≤ 42V, 5V @ 2.5A USB Supply Output, Cable Drop Compensation

製品詳細

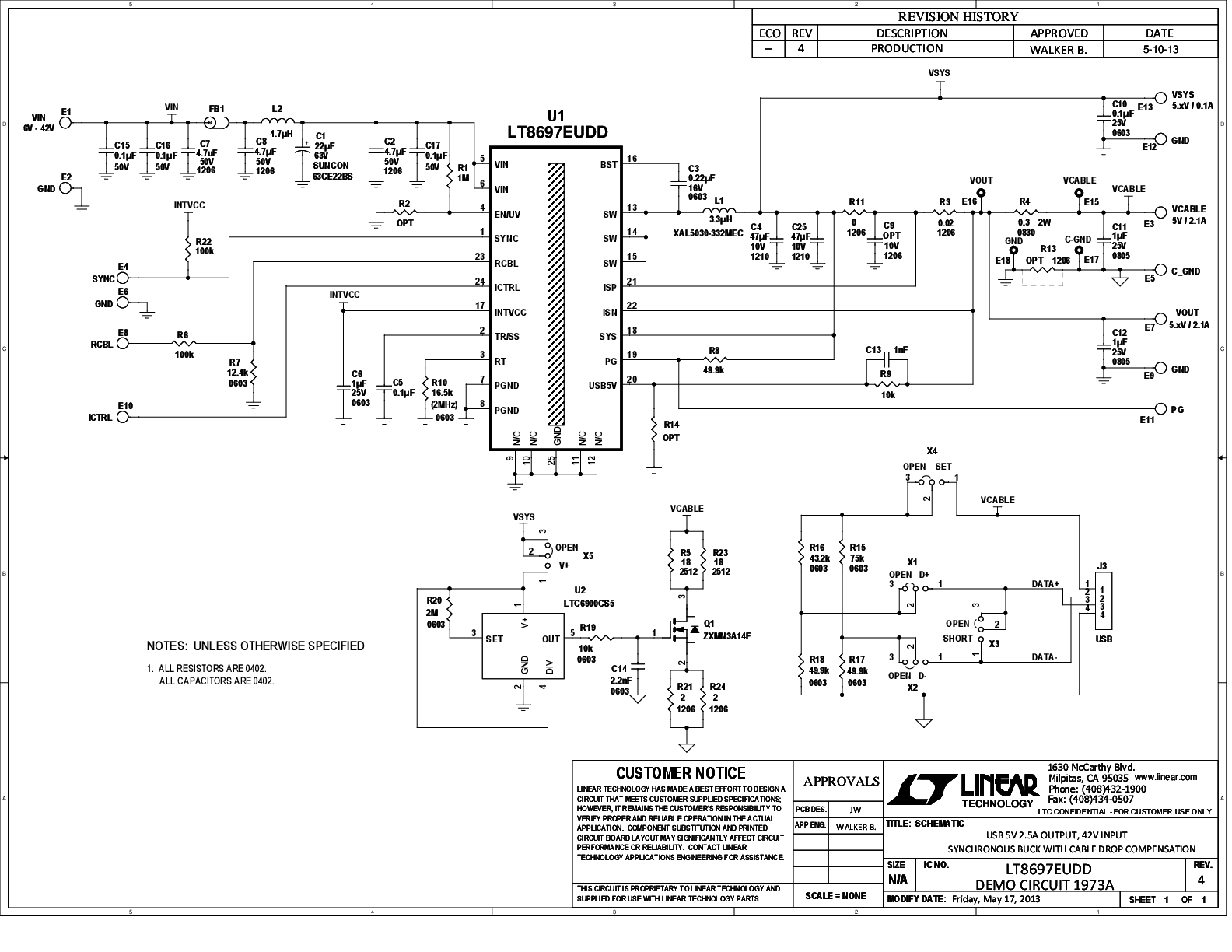
Demonstration circuit 1973A is a USB 5V 2.5A output, 6V to 42V input synchronous buck with cable drop compensation featuring the LT8697. The LT8697 is a compact, high efficiency, high speed synchronous monolithic step-down switching regulator designed to power 5V USB applications. A precise output voltage and programmable cable drop compensation maintain accurate 5V regulation at the USB socket at the end of a long cable. The circuit runs at 2MHz to minimize external components size and to avoid AM band.

DC1973A
LT8697 Demo Board | 6V ≤ VIN ≤ 42V, 5V @ 2.5A USB Supply Output, Cable Drop Compensation
DC1973A - Schematic

最新のディスカッション

LT8697に関するディスカッションはまだありません。意見を投稿しますか?

EngineerZone®でディスカッションを始める

最近表示した製品