LT6301

製造中

28ピンTSSOPパッケージのデュアル500mA、差動xDSLライン・ドライバ

利用上の注意

本データシートの英語以外の言語への翻訳はユーザの便宜のために提供されるものであり、リビジョンが古い場合があります。最新の内容については、必ず最新の英語版をご参照ください。

なお、日本語版のデータシートは基本的に「Rev.0」(リビジョン0)で作成されています。そのため、英語版が後に改訂され、複数製品のデータシートがひとつに統一された場合、同じ「Rev.0」の日本語版のデータシートが異なる製品のデータシートとして表示されることがあります。たとえば、「ADM3307E」の場合、日本語データシートをクリックすると「ADM3311E」が表示されます。これは、英語版のデータシートが複数の製品で共有できるように1本化され、「ADM3307E/ADM3310E/ADM3311E/ADM3312E/ADM3315E」(Rev.J)と改訂されたからで、決して誤ってリンクが張られているわけではありません。和文化されたデータシートを少しでも有効に活用していただくためにこのような方法をとっておりますので、ご了解ください。

アナログ・デバイセズ社は、提供する情報が正確で信頼できるものであることを期していますが、その情報の利用に関して、あるいはその利用によって生じる第三者の特許やその他の権利の侵害に関して一切の責任を負いません。また、アナログ・デバイセズ社の特許または特許の権利の使用を明示的または暗示的に許諾するものでもありません。仕様は予告なしに変更する場合があります。本紙記載の商標および登録商標は、各社の所有に属します。

Viewing:

製品情報

  • 1つのパッケージで2本のラインをドライブ
  • フルレート、ダウンストリームADSLライン・ドライバの全要件を上回る性能
  • 電力供給能力が向上した28ピンTSSOPパッケージ
  • 省電力で調整可能な消費電流
  • IOUT:±500mA(最小)
  • 出力振幅:±11.1V(VS = ±12V、RL = 100Ω)
  • 出力振幅:±10.9V(VS = ±12V、IL = 250mA)
  • 低歪み:1MHzで-82dBc、50Ωで2VP-P
  • 利得帯域幅:200MHz
  • スルーレート:600V/μs
  • ±12Vと±5Vで仕様を規定

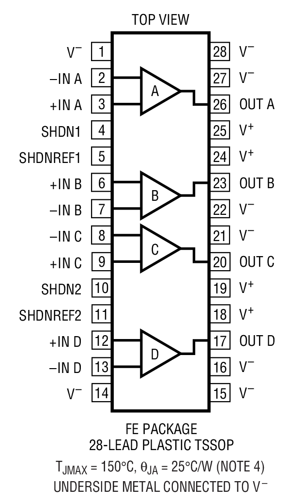
LT6301は、出力電流が最小500mAで歪み特性に優れたクワッド・オペアンプです。これらのアンプは利得10で安定しますが、より低い利得でも容易に補償することができます。拡張された出力振幅により、低い電源電圧を使用可能なので、システムの消費電力を低減できます。消費電流は外付け抵抗で設定されるので、電力消費を最適化できます。LT6301 は低入力バイアス電流と低入力オフセット電圧のバランスがとれた高インピーダンス入力を特長としています。アクティブ終端を容易に構成できるので、システムの消費電力をさらに低減可能です。また、短絡保護機能とサーマル・シャットダウン機能を備えているため、耐久性に優れています。

出力は±12V電源で100Ωの負荷を±11.1Vまでドライブし、負荷電流が250mA時には ±10.9Vまでドライブします。LT6301はxDSLライン・ドライバ・アプリケーションにおいて、回路変更なしにLT1739やLT1794と機能的に置換え可能です。

LT6301は非常に小型の熱特性が改善された28ピンTSSOPパッケージで供給され、ライン・ドライバ・アプリケーションで最大ポート密度を実現します。


アプリケーション

  •   高密度ADSL電話局用ライン・ドライバ
  •   高効率なADSL、HDSL2、SHDSLライン・ドライバ
  •   バッファ
  •   テスト装置用アンプ
  •   ケーブル・ドライバ

LT6301
28ピンTSSOPパッケージのデュアル500mA、差動xDSLライン・ドライバ
High Efficiency ±12V Supply ADSL Line Driver Product Package 1
myAnalogに追加

myAnalogの製品セクション(通知受け取り)、既存/新規プロジェクトに製品を追加する。

新規プロジェクトを作成
質問する
サポート

アナログ・デバイセズのサポート・ページはアナログ・デバイセズへのあらゆるご質問にお答えするワンストップ・ポータルです。


ドキュメント

データシート

これは最新改訂バージョンのデータシートです。

さらに詳しく
myAnalogに追加

myAnalogのリソース・セクション、既存/新規プロジェクトにメディアを追加する。

新規プロジェクトを作成

ソフトウェア・リソース

必要なソフトウェア/ドライバが見つかりませんか?

ドライバ/ソフトウェアをリクエスト

ツールおよびシミュレーション

LTspice


下記製品はLTspiceで使用することが出来ます。:

  • LT6301
LTspice

LTspice®は、無料で提供される強力で高速な回路シミュレータと回路図入力、波形ビューワに改善を加え、アナログ回路のシミュレーションを容易にするためのモデルを搭載しています。

 

最新のディスカッション

LT6301に関するディスカッションはまだありません。意見を投稿しますか?

EngineerZone®でディスカッションを始める

最近表示した製品