LT5520

製造中

1.3GHz~2.3GHz高直線性アップコンバーティング・ミキサ

利用上の注意

本データシートの英語以外の言語への翻訳はユーザの便宜のために提供されるものであり、リビジョンが古い場合があります。最新の内容については、必ず最新の英語版をご参照ください。

なお、日本語版のデータシートは基本的に「Rev.0」(リビジョン0)で作成されています。そのため、英語版が後に改訂され、複数製品のデータシートがひとつに統一された場合、同じ「Rev.0」の日本語版のデータシートが異なる製品のデータシートとして表示されることがあります。たとえば、「ADM3307E」の場合、日本語データシートをクリックすると「ADM3311E」が表示されます。これは、英語版のデータシートが複数の製品で共有できるように1本化され、「ADM3307E/ADM3310E/ADM3311E/ADM3312E/ADM3315E」(Rev.J)と改訂されたからで、決して誤ってリンクが張られているわけではありません。和文化されたデータシートを少しでも有効に活用していただくためにこのような方法をとっておりますので、ご了解ください。

アナログ・デバイセズ社は、提供する情報が正確で信頼できるものであることを期していますが、その情報の利用に関して、あるいはその利用によって生じる第三者の特許やその他の権利の侵害に関して一切の責任を負いません。また、アナログ・デバイセズ社の特許または特許の権利の使用を明示的または暗示的に許諾するものでもありません。仕様は予告なしに変更する場合があります。本紙記載の商標および登録商標は、各社の所有に属します。

Viewing:

製品情報

  • 広いRF出力周波数範囲:1.3GHz~2.3GHz
  • 入力IP3:1.9GHzで15.9dBm(標準)
  • RF出力トランス内蔵
  • 外部LOまたはRFマッチングが不要
  • シングルエンドLOおよびRF動作
  • LOバッファ内蔵:-5dBmのドライブ・レベル
  • 低いLO-RFリーク:-41dBm(標準)
  • 広いIF周波数範囲:DC~400MHz
  • オフ状態リーク電流を低く抑えるイネーブル機能
  • 単一5V電源
  • 小型16ピンQFNプラスチック・パッケージ

LT5520は、無線およびケーブル・インフラストラクチャ伝送アプリケーションの高直線性要件を満たすように設計されたミキサです。内部でマッチングされた高速LOアンプが二重平衡ミキサのコアをドライブするので、低消費電力のシングルエンドLOソースを使用可能です。RF出力トランスを内蔵しているので、RF出力にマッチング部品を外付けする必要がなく、システム・コスト、部品数、ボードスペース、システムレベルの変動を低減することができます。IFポートは広範囲の周波数に容易にマッチングできるので、様々なアプリケーションに使用できます。

LT5520ミキサは、IF入力信号レベルが-10dBmの場合に1.9GHzで標準15.9dBmの入力3次インターセプト・ポイントを達成します。入力1dB圧縮ポイントは標準4dBmです。このデバイスに必要なものは単一5V電源だけです。


アプリケーション

  • 無線インフラストラクチャ
  • ケーブル・ダウンリンク・インフラストラクチャ
  • Point-to-Pointデータ通信
  • 高直線性周波数変換

LT5520
1.3GHz~2.3GHz高直線性アップコンバーティング・ミキサ
Figure 1. Frequency Conversion in Wireless Infrastructure Transmitter Product Package 1 RF Output Power and Output IM3 vs IF Input Power (Two Input Tones)
myAnalogに追加

myAnalogの製品セクション(通知受け取り)、既存/新規プロジェクトに製品を追加する。

新規プロジェクトを作成
質問する
サポート

アナログ・デバイセズのサポート・ページはアナログ・デバイセズへのあらゆるご質問にお答えするワンストップ・ポータルです。


ドキュメント

データシート

これは最新改訂バージョンのデータシートです。

さらに詳しく
myAnalogに追加

myAnalogのリソース・セクション、既存/新規プロジェクトにメディアを追加する。

新規プロジェクトを作成

ソフトウェア・リソース

必要なソフトウェア/ドライバが見つかりませんか?

ドライバ/ソフトウェアをリクエスト

ハードウェア・エコシステム

製品モデル 製品ライフサイクル 詳細
フェーズ・ロック・ループ(PLL)シンセサイザ 1
LTC6946 製造中止 ノイズとスプリアスを極めて低く抑えたVCO内蔵の0.37GHz~5.7GHz整数分周方式シンセサイザ
Modal heading
myAnalogに追加

myAnalogの製品セクション(通知受け取り)、既存/新規プロジェクトに製品を追加する。

新規プロジェクトを作成

ツールおよびシミュレーション

ADIsimRF

ADIsimRFは使いやすいRFシグナル・チェーン計算ツールです。最大50段までのシグナル・チェーンについて、カスケード・ゲイン、ノイズ、歪み、消費電力を計算し、プロット、エクスポートが可能です。ADIsimRFには、アナログ・デバイセズのRFおよびミックスド・シグナル部品のデバイス・モデルの広範なデータ・ベースも含まれています。

ツールを開く

評価用キット

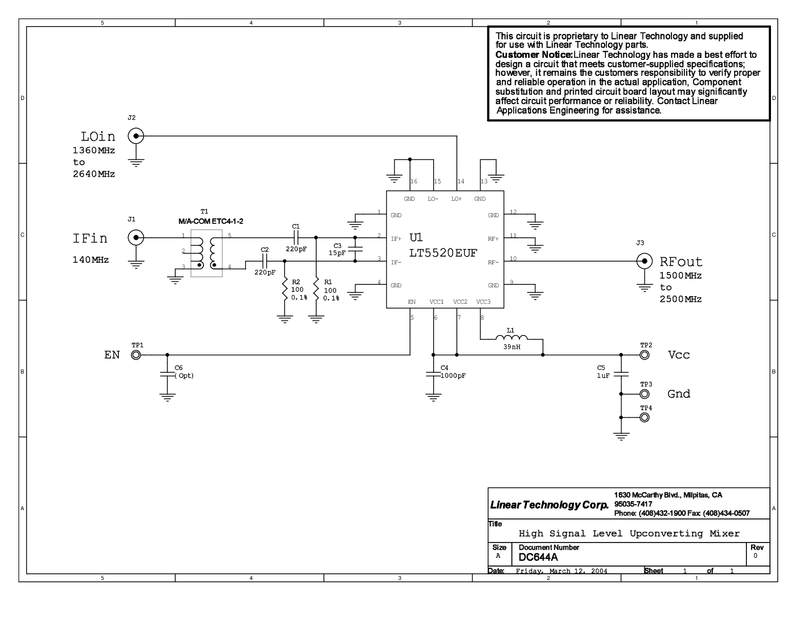
DC644A
LT5520EUF | High Signal Level Upconverting Mixer
DC644A - Schematic

最新のディスカッション

最近表示した製品